提高(gao)材(cai)料(liao)的(de)久久99國產精品久久99果凍傳媒:耐腐蝕性是預防(fang)或減緩腐蝕發生的(de)(de)根本(ben)措施(shi)。通(tong)過改變材料化(hua)學成(cheng)分、結構組織(zhi)等措施(shi)提(ti)(ti)高(gao)(gao)材料的(de)(de)耐腐蝕性(xing)成(cheng)本(ben)是巨(ju)大的(de)(de)。由于材料的(de)(de)腐蝕是從(cong)表(biao)面(mian)開(kai)始(shi)(shi),因此,人們(men)從(cong)改變表(biao)面(mian)性(xing)能開(kai)始(shi)(shi),提(ti)(ti)高(gao)(gao)材料耐腐蝕性(xing)。目前(qian),材料表(biao)面(mian)改性(xing)的(de)(de)主要方法(fa)有(you)熱處理、表(biao)面(mian)涂覆(fu)、電(dian)鍍、機械(xie)表(biao)面(mian)強(qiang)化(hua)等。機械(xie)表(biao)面(mian)強(qiang)化(hua)屬(shu)于物理強(qiang)化(hua)的(de)(de)一種,具有(you)成(cheng)本(ben)低、綠色無(wu)污(wu)染(ran)、實(shi)用性(xing)強(qiang)等特點。
1. 實驗(yan)設計(ji)
為進一步研究超聲(sheng)滾壓對材料性能的影響,特別是耐腐蝕性能的影響,浙江至德鋼業有限公司以S30408不銹鋼為實驗材料,以人工模擬的工業冷卻水為介質,進行了實驗研究。
材料采用厚度為2mm的不銹鋼板,其化學成分見表7-1,采用超聲滾壓加工技術對材料的單面進行表面處理,材料加工前后外觀如圖7-2所示,經超聲表面滾壓后,用肉眼觀察,材料表面光潔度明顯增大,如同“鏡面”,但是也可以觀察到加工“刀痕”。對不同試樣,主要改變步距這個參數,工具頭的線速度和靜壓力均相等,分別是2m/min和0.1MPa,步距分別為0.05mm、0.10mm、0.15mm,0.20mm和0.25mm.隨著步距的減小,材料的光潔度增大,“刀痕”越來越不明顯。

2. 表面(mian)粗糙度
為(wei)了研究超聲(sheng)表(biao)(biao)(biao)面(mian)(mian)(mian)滾壓(ya)對表(biao)(biao)(biao)面(mian)(mian)(mian)質量的(de)影響,首(shou)先采(cai)(cai)用光(guang)學顯微(wei)鏡觀(guan)察表(biao)(biao)(biao)面(mian)(mian)(mian)形(xing)貌,其次采(cai)(cai)用TR-200觸(chu)針(zhen)式粗(cu)糙(cao)度(du)檢(jian)測(ce)儀測(ce)Ra數值。放大200倍后,試樣表(biao)(biao)(biao)面(mian)(mian)(mian)形(xing)貌如圖7-3所示。其中,圖7-3(f)為(wei)原始試樣,表(biao)(biao)(biao)面(mian)(mian)(mian)條狀加工痕(hen)跡清晰可見;圖7-3(a)~(e)為(wei)不同步距下超聲(sheng)滾壓(ya)后的(de)表(biao)(biao)(biao)面(mian)(mian)(mian)形(xing)貌。從圖中可以看(kan)出,試樣表(biao)(biao)(biao)面(mian)(mian)(mian)滾壓(ya)而形(xing)成了光(guang)滑的(de)金屬層,但是(shi)新形(xing)成的(de)金屬表(biao)(biao)(biao)面(mian)(mian)(mian)還存在一定(ding)的(de)缺陷,但隨著(zhu)步距的(de)減小,缺陷數量減少,尺寸(cun)減小。
在試(shi)樣表(biao)面隨機選取3個位置進行(xing)粗糙度測試(shi),取平均值作為最終結(jie)果,各試(shi)樣的Ra數值如(ru)表(biao)7-2所示。


圖7-4為不(bu)同步距下超聲滾壓(ya)試樣表(biao)(biao)(biao)(biao)(biao)面(mian)粗(cu)(cu)糙(cao)(cao)(cao)度(du)(du)(du)的(de)變(bian)化。從圖中可以看出,加工(gong)步距對表(biao)(biao)(biao)(biao)(biao)面(mian)粗(cu)(cu)糙(cao)(cao)(cao)度(du)(du)(du)有重要的(de)影(ying)響,表(biao)(biao)(biao)(biao)(biao)面(mian)粗(cu)(cu)糙(cao)(cao)(cao)度(du)(du)(du)隨(sui)著加工(gong)步距的(de)減小而減小,表(biao)(biao)(biao)(biao)(biao)面(mian)粗(cu)(cu)糙(cao)(cao)(cao)度(du)(du)(du)可降低(di)到0.037μm.未處理表(biao)(biao)(biao)(biao)(biao)面(mian)粗(cu)(cu)糙(cao)(cao)(cao)度(du)(du)(du)Ra為0.283μm,與未處理表(biao)(biao)(biao)(biao)(biao)面(mian)相(xiang)比較,處理表(biao)(biao)(biao)(biao)(biao)面(mian)因被碾(nian)壓(ya)而形(xing)成光滑(hua)的(de)金(jin)屬層,從而降低(di)了表(biao)(biao)(biao)(biao)(biao)面(mian)粗(cu)(cu)糙(cao)(cao)(cao)度(du)(du)(du)。
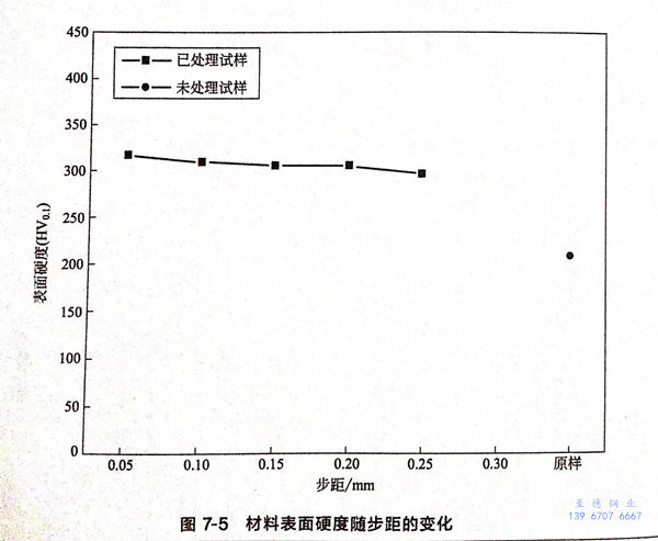
3. 表面硬度
鍍(du)層(ceng)的(de)硬(ying)(ying)(ying)度(du)(du)采用(yong)帶(dai)有金剛石壓(ya)頭的(de)HV-1000型顯微硬(ying)(ying)(ying)度(du)(du)計(ji)來(lai)測定。其方法是用(yong)金剛石壓(ya)頭在鍍(du)層(ceng)表面(mian)壓(ya)一個四角(jiao)棱錐形(xing)凹痕,在顯微鏡(jing)下(xia)放(fang)大400倍觀察。實驗(yan)時,加載載荷(he)為0.1HV(0.9807N),持(chi)續時間10s.每個試樣測量(liang)3次,取(qu)平均值(zhi)。圖7-5為硬(ying)(ying)(ying)度(du)(du)測量(liang)結果,未處理(li)表面(mian)的(de)硬(ying)(ying)(ying)度(du)(du)是210HV;超聲波處理(li)后,材料的(de)表面(mian)硬(ying)(ying)(ying)度(du)(du)最大可(ke)達317HV.從(cong)圖中可(ke)以看出,顯微硬(ying)(ying)(ying)度(du)(du)隨步距的(de)減小而增大,但影響(xiang)較小。硬(ying)(ying)(ying)度(du)(du)提高可(ke)歸因于(yu)晶粒細化(hua)、加工硬(ying)(ying)(ying)化(hua)及晶體組織變化(hua)的(de)共同(tong)作用(yong)。

4. 耐腐(fu)蝕性
采(cai)(cai)用(yong)(yong)(yong)電(dian)化學(xue)技術分析材料處理(li)表面(mian)的(de)(de)耐(nai)腐(fu)蝕(shi)性能,測量(liang)了動電(dian)位(wei)(wei)極化曲線(xian)。實驗采(cai)(cai)用(yong)(yong)(yong)三電(dian)極體系:待測試樣(yang)(yang)(yang)為(wei)(wei)工(gong)(gong)作(zuo)電(dian)極,氧化汞(gong)電(dian)極為(wei)(wei)參比電(dian)極,箔(bo)片電(dian)極為(wei)(wei)輔(fu)助(zhu)電(dian)極。工(gong)(gong)作(zuo)電(dian)極是(shi)尺寸為(wei)(wei)10mmx10mm的(de)(de)試樣(yang)(yang)(yang),將銅線(xian)與試樣(yang)(yang)(yang)焊接,采(cai)(cai)用(yong)(yong)(yong)混合的(de)(de)A、B環(huan)氧樹脂封裝試樣(yang)(yang)(yang),只保留超聲加工(gong)(gong)面(mian)為(wei)(wei)工(gong)(gong)作(zuo)面(mian)。對于未處理(li)試樣(yang)(yang)(yang),采(cai)(cai)用(yong)(yong)(yong)300、500、800的(de)(de)砂紙打磨。封裝完(wan)后(hou),所(suo)有(you)試樣(yang)(yang)(yang)先采(cai)(cai)用(yong)(yong)(yong)去離子水超聲清洗,再采(cai)(cai)用(yong)(yong)(yong)酒精清洗風干,放干燥皿中備用(yong)(yong)(yong),試樣(yang)(yang)(yang)如(ru)圖(tu)7-6所(suo)示。腐(fu)蝕(shi)介(jie)質是(shi)CaCl+NaHCO3配(pei)制成0.4g/L的(de)(de)CaCO3溶液,Cl-的(de)(de)含量(liang)為(wei)(wei)248mg/kg,pH值7.5~8.5.電(dian)化學(xue)實驗在室溫下進行,掃描(miao)速(su)度為(wei)(wei)10mV/s.試樣(yang)(yang)(yang)的(de)(de)動電(dian)位(wei)(wei)極化曲線(xian)如(ru)圖(tu)7-7所(suo)示。

從(cong)圖7-7中(zhong)可(ke)以看出,經USRP處(chu)(chu)理(li)的(de)(de)樣(yang)式,其維鈍(dun)電(dian)(dian)(dian)流(liu)(liu)密度(du)(du)(du)減小(xiao)(xiao),腐(fu)蝕速度(du)(du)(du)降(jiang)低。未(wei)處(chu)(chu)理(li)試(shi)樣(yang)的(de)(de)腐(fu)蝕電(dian)(dian)(dian)位(wei)(wei)(wei)(wei)約為-179mV,加工(gong)步(bu)距(ju)為0.05mm和(he)0.10mm的(de)(de)試(shi)樣(yang)腐(fu)蝕電(dian)(dian)(dian)位(wei)(wei)(wei)(wei)約為-160mV,加工(gong)步(bu)距(ju)為0.25mm的(de)(de)試(shi)樣(yang)腐(fu)蝕電(dian)(dian)(dian)位(wei)(wei)(wei)(wei)約為-210mV.從(cong)以上(shang)實驗數據可(ke)以看出,處(chu)(chu)理(li)試(shi)樣(yang)的(de)(de)腐(fu)蝕電(dian)(dian)(dian)位(wei)(wei)(wei)(wei)和(he)維鈍(dun)電(dian)(dian)(dian)流(liu)(liu)密度(du)(du)(du)的(de)(de)變化規律與加工(gong)步(bu)距(ju)之間不(bu)(bu)成線性(xing)關系,因此(ci),并不(bu)(bu)是粗糙度(du)(du)(du)越小(xiao)(xiao),耐(nai)腐(fu)蝕性(xing)越好。但是,加工(gong)步(bu)距(ju)為0.05mm的(de)(de)試(shi)樣(yang)(粗糙度(du)(du)(du)值最(zui)(zui)(zui)小(xiao)(xiao)),腐(fu)蝕電(dian)(dian)(dian)位(wei)(wei)(wei)(wei)最(zui)(zui)(zui)大、維鈍(dun)電(dian)(dian)(dian)流(liu)(liu)密度(du)(du)(du)最(zui)(zui)(zui)小(xiao)(xiao),因此(ci),其耐(nai)點蝕性(xing)能最(zui)(zui)(zui)好、腐(fu)蝕速率最(zui)(zui)(zui)小(xiao)(xiao),與未(wei)處(chu)(chu)理(li)試(shi)樣(yang)比(bi)較,工(gong)步(bu)距(ju)為0.25mm的(de)(de)試(shi)樣(yang),其點蝕電(dian)(dian)(dian)位(wei)(wei)(wei)(wei)反而降(jiang)低,這(zhe)可(ke)能是在超聲表(biao)面(mian)加工(gong)過程中(zhong),造成鈍(dun)化膜的(de)(de)不(bu)(bu)均性(xing)引起的(de)(de),如圖7-3(e)所示。
a. 表面粗糙度和硬度
經超聲(sheng)滾壓處理后,材(cai)料(liao)表面形成(cheng)的新光滑的金屬層使表面粗糙(cao)度(du)降低。表面粗糙(cao)度(du)隨著步距的減小而(er)減小,最小為0.037μm,與原樣比較,降低了(le)87%.
b. 表面硬(ying)度提高
試樣經(jing)USRP處理(li)后,表面硬(ying)度最大可提高51%,但加工步距對表面硬(ying)度的影響較(jiao)小(xiao)。
c. 耐腐蝕性
超聲滾(gun)壓表面(mian)處(chu)理(li)使不銹鋼在循(xun)環水中的(de)(de)腐(fu)蝕電流密(mi)度降低。當加工(gong)步(bu)(bu)距為0.05mm時,S30408不銹鋼的(de)(de)耐(nai)(nai)腐(fu)蝕性最好,步(bu)(bu)距對耐(nai)(nai)腐(fu)蝕性能影響(xiang)較小(xiao)。

