化工鋼制無縫不銹鋼對焊管(guan)件結構型式與尺寸見下表
一、管件(jian)
1. 三(san)通
三(san)通(tong)型(xing)式見(jian)圖15-1,公(gong)制三(san)通(tong)尺(chi)寸見(jian)表(biao)15-1;英制三(san)通(tong)尺(chi)寸見(jian)表(biao)15-2。
a. 短半徑(jing)彎頭
短半徑彎頭型式見圖15-2,公制三通(tong)(tong)尺(chi)(chi)寸見表15-3;英制三通(tong)(tong)尺(chi)(chi)寸見表15-4。
b. 長半徑彎頭
長半徑(jing)彎(wan)頭(tou)型式見(jian)圖15-3,公制三(san)通尺寸見(jian)表15-5;英(ying)制三(san)通尺寸見(jian)表15-6。










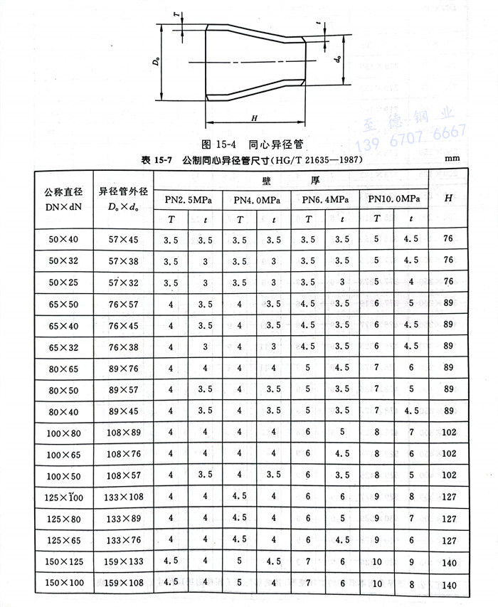
3. 同心異徑管
同心異徑管型式見(jian)圖(tu)15-4,公制(zhi)三(san)通(tong)(tong)尺(chi)寸見(jian)表(biao)(biao)15-7;英制(zhi)三(san)通(tong)(tong)尺(chi)寸見(jian)表(biao)(biao)15-8。




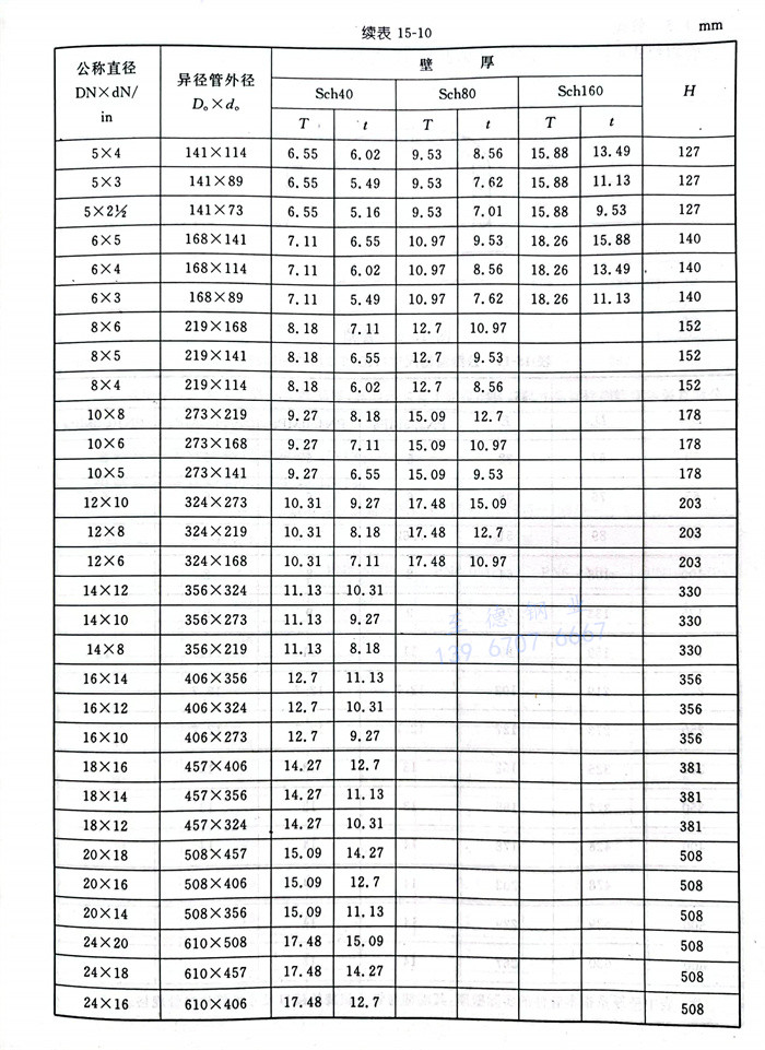
4. 偏心異徑管
偏心異徑管型式見圖15-5,公制三通(tong)尺寸(cun)見表15-9;英制三通(tong)尺寸(cun)見表15-10。




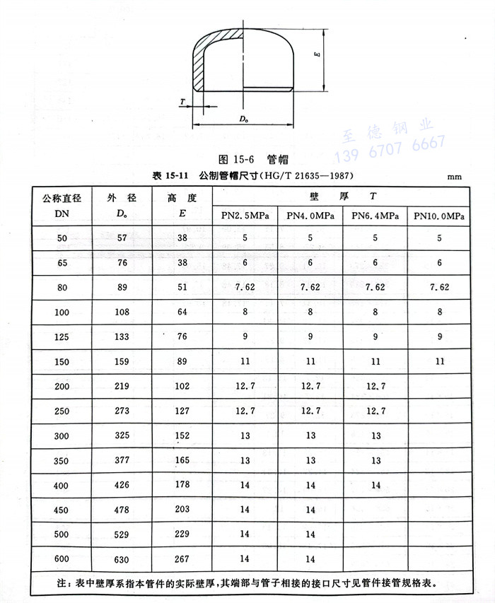
二、管帽
管帽型式見(jian)圖15-6,公(gong)制(zhi)三通(tong)尺寸(cun)見(jian)表15-11;英制(zhi)三通(tong)尺寸(cun)見(jian)表15-12。



三、管件接(jie)管規格尺寸
公制管件(jian)接管規(gui)格尺寸見表 15-13
英制管件接(jie)管規格(ge)尺寸見表 15-14
四、公差
成(cheng)型管(guan)件主要尺(chi)寸偏差見圖(tu) 15-7 及表 15-15.


