化工鋼(gang)制(zhi)承(cheng)插焊(han)管(guan)件(jian)是(shi)以美國和日本管(guan)件(jian)相關(guan)標準為依據,并結合我國化工行業實際情況制(zhi)定的(de)一種專用管(guan)件(jian)標準,常用于小型管(guan)道。
1. 承插(cha)焊90°彎頭(90°SWE)
承插(cha)焊(han)90°彎頭型式見圖17-1,尺寸見表17-4。
2. 承插(cha)焊45°彎(wan)頭(45°SWE)
承插焊45°彎頭(tou)型式見(jian)圖(tu)17-2,尺寸見(jian)表17-5。


3. 承插焊三通(tong)(SWT)
承插焊三通型式見圖17-3,尺(chi)寸見表(biao)17-6。
4. 承插焊異(yi)徑三(san)通(SWRT)
承(cheng)插焊(han)異徑(jing)三通型式見圖17-4,尺寸(cun)見表17-7。


5. 承插(cha)焊管接頭(SWC)
承(cheng)插焊管接頭型式見(jian)圖17-5,尺寸(cun)見(jian)表(biao)17-8。
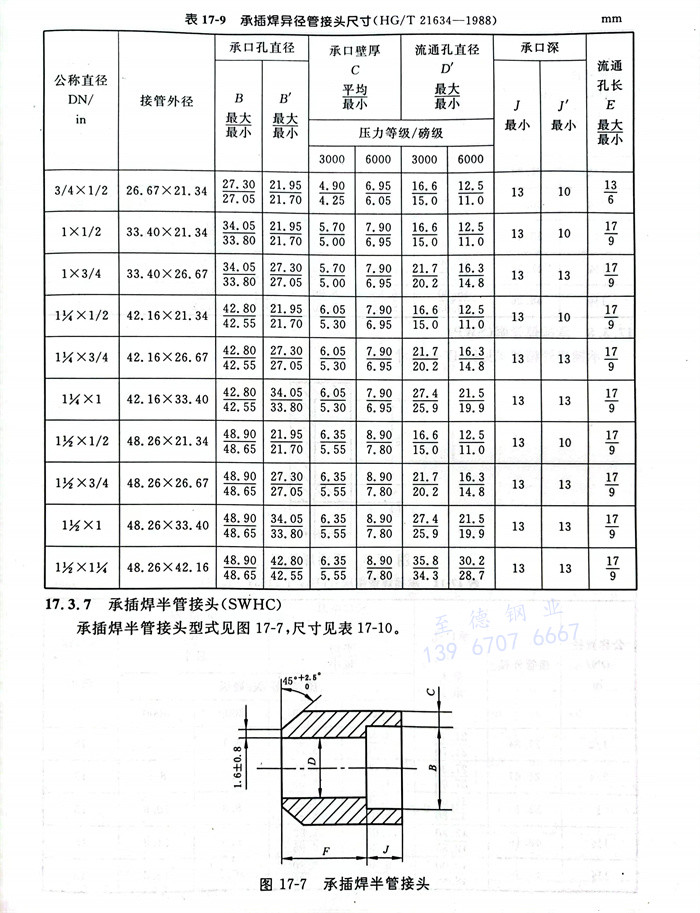
6. 承插焊異徑(jing)管接頭(SWRC)
承插(cha)焊異徑管(guan)接頭(tou)型式見圖(tu)17-6,尺寸見表17-9。
7. 承插(cha)焊半(ban)管接頭(SWHC)
承插焊半管(guan)接頭(tou)型式(shi)見圖17-7,尺寸見表17-10。
8. 承插焊(han)管(guan)帽頭(SWP)
承插焊(han)管帽型式見圖17-8,尺寸(cun)見表17-11。



9. 承(cheng)插焊活接(jie)頭
承插焊活接頭(tou)型式見圖(tu)17-9,尺寸(cun)見表17-12。

10. 承插(cha)焊(han)管件配公制管的加工尺寸
配制(zhi)公制(zhi)管的鍛鋼承(cheng)插焊管件型式見圖17-10,其承(cheng)口孔和流通孔直徑加工尺寸見表17-13。

其他尺寸A、C、G、J、E、K、F、L等都(dou)相同(見圖(tu)14-10)。
異徑管接頭(tou)的(de)小(xiao)(xiao)端承口孔直(zhi)徑為B',流通(tong)孔直(zhi)徑按小(xiao)(xiao)端D'開(kai)孔。用于公制(zhi)管子的(de)鍛(duan)鋼承插焊(han)管件,須(xu)在書寫名(ming)稱之尾加(jia)“(A)”,如90°SWE(A)、SWT(A)、SWU(A)····。

