襯(chen)塑(su)鋼管和管件(jian)是在(zai)鋼管和管件(jian)內部(bu)(bu)襯(chen)以(yi)聚(ju)丙(bing)烯(xi)(PP)、聚(ju)乙(yi)(yi)烯(xi)(PE)及聚(ju)氯乙(yi)(yi)烯(xi)(PVC)等非金(jin)(jin)屬材料(liao),以(yi)適應化工、石油化工,醫藥(yao)、紡織和冶金(jin)(jin)等部(bu)(bu)門輸送腐蝕性介質的需要。這種襯(chen)塑(su)鋼管和管件(jian)的公稱壓力為(wei)PN20,相當于2.0 MPa。
1. 襯塑直管
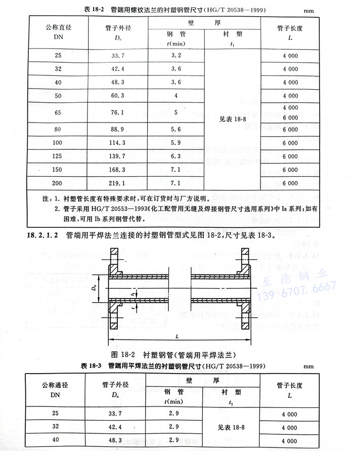
a. 管(guan)端用螺(luo)紋法(fa)蘭連接的襯塑鋼管(guan)型(xing)式見(jian)圖18-1,尺寸見(jian)表18-2。
b. 管(guan)端(duan)用(yong)平法(fa)蘭連(lian)接的襯塑鋼管(guan)型式見圖18-2,尺寸見表18-3。



2. 襯塑管件
a. 襯塑鋼制彎(wan)頭
襯塑(su)鋼制彎頭(tou)型式(shi)見圖18-3,尺寸(cun)見表18-4。
b. 襯塑鋼制三通、異徑管
襯塑(su)鋼制三通、異徑管型(xing)式見圖18-4,尺寸見表18-5。
c. 襯塑鑄鋼彎頭
襯塑鑄(zhu)鋼彎頭型式見(jian)圖18-5,尺寸見(jian)表18-6。
d. 襯塑(su)鋼(gang)制三通、異(yi)徑(jing)管
襯塑鑄(zhu)鋼三通、異(yi)徑管型式見圖18-6,尺寸見表18-7。







e. 襯(chen)塑層
襯塑層厚度尺(chi)寸見表(biao) 18-8

3. 襯塑管端部連(lian)接(jie)法蘭
根據襯塑工藝的不(bu)同(tong),對于(yu)DN≤200mm襯塑管端部,可采(cai)用(yong)突面帶(dai)頸螺紋法(fa)蘭(lan)連接,其公稱壓力PN為1.0MPa及2.0MPa兩級(ji)。
PN1.0MPa突面(mian)帶頸螺(luo)紋鋼制管法蘭型(xing)式見(jian)圖(tu)18-7,尺寸見(jian)表(biao)18-9。
PN2.0MPa突(tu)面帶頸螺紋(wen)鋼制(zhi)管法蘭型式見(jian)圖18-7,尺寸見(jian)表(biao)18-10。


4. 公(gong)差(cha)
襯塑管及管件主要尺寸偏差見圖 18-8 及表 18-11。



