ISO(國際標準化組織)制定并實施的比較典型的管件標準有對(dui)焊管件及螺紋連接管件兩類。對焊管件標準側重于介紹非合金鋼、合金鋼以及不銹鋼對焊管件;螺紋連接管件標準側重于介紹不銹鋼螺紋管件。非合金鋼和合金鋼對焊管件(ISO 3419:1981)及不銹鋼對焊管件(ISO 5251:1981)是ISO早期制定的標準,目前仍然在使用。不銹鋼螺紋管件(ISO 4144:2003)則是ISO近期制定的標準。
不(bu)銹鋼對焊管件(jian) ISO 5251
1. 適用范(fan)圍(wei)
ISO 5251:1981 標準規定了用(yong)于管(guan)(guan)道工程質量要求的(de)對焊彎頭[具有或沒有直管(guan)(guan)端的(de)3D型(xing)(90°和180°和5D型(xing)(90°)]、同心(xin)和偏(pian)心(xin)異徑(jing)接頭、三(san)通及管(guan)(guan)帽(mao)的(de)尺(chi)寸、公差(cha)以及管(guan)(guan)件用(yong)一般用(yong)途(tu)的(de)不銹鋼(gang)鋼(gang)號。
2. 符號含意
DN--公稱通徑(jing)(見ISO 6708);
D-大外徑(jing);
D1-小外徑;
d--大內徑;
d1-小內徑;
T-接(jie)近D處的壁厚(hou);
T1-接近D1處的壁厚;
C--180°彎頭中心線直徑(jing);
B--180°彎頭自背(bei)面(mian)至端面(mian)或至直管端部開始處的(de)尺寸(cun);
F--90°彎頭自(zi)中心線(xian)至(zhi)端(duan)面或至(zhi)直管端(duan)部開始處的(de)尺寸(cun)以及等徑和(he)異徑三通自(zi)中心線(xian)至(zhi)端(duan)面d的(de)尺寸(cun);
H--異(yi)徑三通(tong)自中(zhong)心線至(zhi)端面d1的尺寸;
K--管帽(mao)總高(gao)度;
L--異徑接頭總長度及(ji)彎(wan)頭直管(guan)端的長度;
R、R1-異徑接頭曲率半徑;
Q--角(jiao)直線偏差(cha);
P--垂直(zhi)線偏差。
3. 材(cai)料
a. 所使用的鋼號(hao)按以下規定:
TS46、TS47、TS57、TS58、TS60、TS61 (ISO 2604-2);
P46、P47、P61 (ISO 2604-4);
TW46、TW47、TW58、TW61 (ISO 2604-5)。
b. 經供(gong)需雙方協(xie)議可提供(gong)ISO 2604-2、ISO 2604-4和ISO 2604-5中所規定的(de)其他(ta)鋼(gang)號。
c. 管(guan)件應由以下材料制造:
①. 無(wu)縫鋼管;
②. 焊接鋼管或焊接板材。焊縫應預先經供需雙方協議的無損檢驗方法檢驗。
d. 根據供需雙方協議,應進行晶間(jian)腐(fu)蝕(shi)試(shi)驗(yan)。例如,按照ISO 3651-2進行試(shi)驗(yan)。
4. 結構型(xing)式與尺寸
3D彎(wan)頭(tou)包括不帶直管端(duan)和帶直管端(duan)的(de)(de)兩種。不帶直管端(duan)的(de)(de)3D彎(wan)頭(tou)型式(shi)見圖19-7,尺寸見表19-10;帶直管端(duan)的(de)(de)3D彎(wan)頭(tou)型式(shi)見圖19-8,尺寸見表19-11。
5D彎頭(90°)型式見(jian)(jian)圖19-9,尺寸見(jian)(jian)表19-12。






同心和偏心異徑(jing)接頭型式(shi)見圖19-10,尺(chi)寸見表19-13。
推薦半徑(jing): 同心異徑(jing)接(jie)頭:R≥0.4D R1≥0.4D1 , 偏(pian)心異徑(jing)接(jie)頭:R≥0.3D , R1≥0.3D1 。








等徑和異徑三通型式見圖19-11,尺寸見表19-14。









管(guan)帽型(xing)式見(jian)圖19-12,尺寸見(jian)表19-15。


5. 公差
a. 尺寸偏差
管件尺寸偏差見表 19-16

b. 直線(xian)性(xing)偏差
管件直線性偏差見表 19-17

c. 坡口偏(pian)差
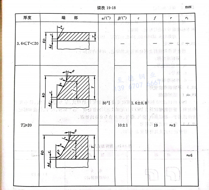
管件焊端(duan)應(ying)切成(cheng)(cheng)直(zhi)角。對于(yu)超(chao)過 3.6mm 的壁(bi)厚(hou),其端(duan)部應(ying)加工成(cheng)(cheng)坡口。端(duan)部形(xing)狀和尺寸見(jian)表(biao) 19-18。


6. 熱處理
熱處理應按生(sheng)產廠和采購方之間的協議(yi)進行,例如(ru),根據(ju)ISO 2604-2《壓力(li)用鋼(gang)(gang)質量要求 第(di)2部(bu)分:軋制無縫鋼(gang)(gang)管》或ISO 2604-5《壓力(li)用鋼(gang)(gang)質量要求 第(di)5部(bu)分:縱(zong)向焊(han)接的奧氏體(ti)不銹鋼(gang)(gang)管》。
7. 試(shi)驗
通常,對于按本標準(zhun)條件生產(chan)的管件,不要求(qiu)驗(yan)收試(shi)驗(yan)。
8. 檢驗合格證
a. 當(dang)用戶要(yao)求時,生產廠(chang)應提(ti)供(gong)表明所(suo)提(ti)供(gong)的(de)管件符合本標(biao)準的(de)檢(jian)驗合格證。
b. 本檢驗合格(ge)證應符合ISO 404《鋼和(he)鋼材一般交貨技(ji)術條件》中的5.2.1和(he)5.2.2條的要求。
9. 標記和印記
a. 標記
管件應按型式(即彎頭(tou)、異徑接頭(tou)、管帽、三通)、角度(對彎頭(tou)而言)、外徑、壁厚、鋼號(hao)和本標(biao)準(zhun)編號(hao)來進(jin)行(xing)標(biao)記(ji)。例如:
對焊彎頭(tou)3D-90-60.3×2.9-TS47 ISO 5251
b. 印記
所(suo)有(you)管件均應打上明顯(xian)而持(chi)久的印(yin)記。印(yin)記內容如下(xia):
a. 商標或名稱;
b. 外徑和壁厚;
c. 鋼號;
d. 本標準編(bian)號(hao)。

