本篇重點介紹(shao)國(guo)(guo)際(ji)標(biao)準化組(zu)織(ISO)及(ji)美國(guo)(guo)機(ji)械工程師(shi)協(xie)會(ASME)發(fa)布的有代表性的管件(jian)標(biao)準。這些管件(jian)標(biao)準包括:ISO發(fa)布的非合(he)金(jin)鋼(gang)及(ji)合(he)金(jin)鋼(gang)對(dui)(dui)焊管件(jian)、不銹(xiu)鋼(gang)對(dui)(dui)焊管件(jian)及(ji)不銹(xiu)鋼(gang)螺(luo)(luo)紋管件(jian)3個國(guo)(guo)際(ji)標(biao)準;ASME發(fa)布的灰(hui)鑄鐵螺(luo)(luo)紋管件(jian)、可鍛(duan)鑄鐵螺(luo)(luo)紋管件(jian)、承(cheng)插(cha)焊和螺(luo)(luo)紋連接鍛(duan)鋼(gang)制管件(jian)、工廠(chang)制造的鍛(duan)鋼(gang)對(dui)(dui)焊管件(jian)及(ji)鍛(duan)鋼(gang)制對(dui)(dui)焊小彎(wan)(wan)曲半徑彎(wan)(wan)頭和180°彎(wan)(wan)頭等5個標(biao)準。
這(zhe)些國外(wai)(含(han)國際(ji))典型管件標準的推薦,對我國石(shi)(shi)油(you)、化工(gong)(gong)、石(shi)(shi)油(you)化工(gong)(gong)等領域的引進(jin)裝(zhuang)置(zhi),具有選用價值(zhi)。
ISO(國(guo)際標(biao)(biao)準化組織)制(zhi)定(ding)(ding)并實施的比較典型的管(guan)(guan)(guan)件(jian)(jian)標(biao)(biao)準有對焊(han)管(guan)(guan)(guan)件(jian)(jian)及(ji)螺(luo)紋(wen)連接(jie)(jie)管(guan)(guan)(guan)件(jian)(jian)兩類。對焊(han)管(guan)(guan)(guan)件(jian)(jian)標(biao)(biao)準側重于介(jie)紹非合金(jin)鋼、合金(jin)鋼以及(ji)不(bu)(bu)銹鋼對焊(han)管(guan)(guan)(guan)件(jian)(jian);螺(luo)紋(wen)連接(jie)(jie)管(guan)(guan)(guan)件(jian)(jian)標(biao)(biao)準側重于介(jie)紹不(bu)(bu)銹鋼螺(luo)紋(wen)管(guan)(guan)(guan)件(jian)(jian)。非合金(jin)鋼和合金(jin)鋼對焊(han)管(guan)(guan)(guan)件(jian)(jian)(ISO 3419:1981)及(ji)不(bu)(bu)銹鋼對焊(han)管(guan)(guan)(guan)件(jian)(jian)(ISO 5251:1981)是ISO早期制(zhi)定(ding)(ding)的標(biao)(biao)準,目前仍然在使用。不(bu)(bu)銹鋼螺(luo)紋(wen)管(guan)(guan)(guan)件(jian)(jian)(ISO 4144:2003)則是ISO近期制(zhi)定(ding)(ding)的標(biao)(biao)準。
不銹鋼螺紋(wen)管(guan)件 ISO 4144:2003 標準(zhun)
1. 適用范圍
ISO 4144:2003標(biao)準規定了螺紋(wen)連(lian)接不銹(xiu)鋼管件的型式、壓力-溫度等級、最小尺寸(cun)和材(cai)料。管件的螺紋(wen)符合ISO 7-1《用螺紋(wen)密封的管螺紋(wen) 第1部分:尺寸(cun)、公差和標(biao)記》;管件適用于一(yi)般以蒸汽、空氣(qi)、煤氣(qi)、水及油(you)為介質的管道。
2. 管件型式及其符號(hao)
管(guan)件的型(xing)式及其符號見表19-19。


3. 壓力-溫度(du)等級
壓力-溫度(du)等級見表19-20。

4. 制(zhi)造(zao)和材(cai)料
管件應采用鑄造、軋制、鍛造等方法制造。材料應為奧(ao)氏體不銹鋼,其屈服極限至少等于ISO 2604-2中所規定的鋼號為TS47的屈服極限。制造管件的材料應嚴格經過ISO 4991:1994《壓力用途的鑄鋼件》5.2條表1所規定的固溶化退火熱處理。
5. 螺(luo)紋(wen)
a. 螺紋的選擇(ze)
管件的(de)螺(luo)紋應符合ISO7-1的(de)規(gui)定。外(wai)螺(luo)紋及內螺(luo)紋錐度為(wei)1:16,但內螺(luo)紋可(ke)以為(wei)直螺(luo)紋。
例外情況(kuang):活(huo)接頭螺(luo)母(mu)及其配合螺(luo)紋應(ying)符合ISO 68-1、ISO 228-1、ISO 261、ISO 262或ISO 724-的規定。
b. 倒(dao)角
螺(luo)紋端部(bu)應進行倒角。
6. 結構型式與(yu)尺寸
a. 總則
管(guan)件尺寸在圖19-14~圖19-27中(zhong)及表19-21~表19-34中(zhong)規定(ding)。未規定(ding)的尺寸由制造廠自行處理。
管(guan)件(jian)接口型式見圖(tu)19-14,尺寸見表19-21。
彎頭 E1、三通(tong) T1 及四通(tong) X1 型式見圖(tu)19-15,尺寸見表(biao)19-22。


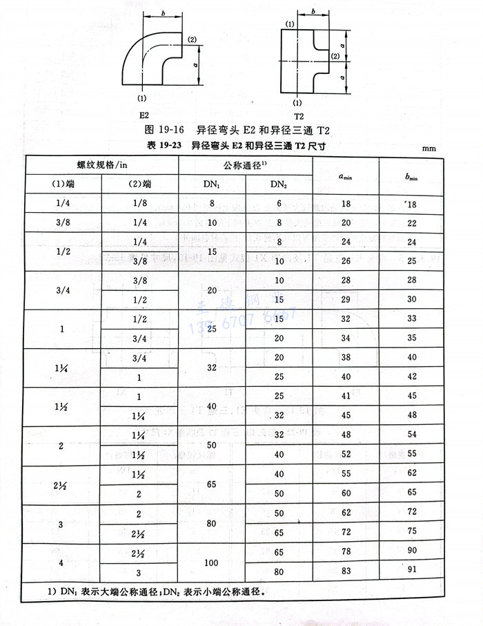
異(yi)徑(jing)彎(wan)頭 E2 和 異(yi)徑(jing)三通 T2 型式見(jian)(jian)圖19-16,尺寸(cun)見(jian)(jian)表19-23。

45°彎頭 E3 型(xing)式見(jian)圖19-17,尺寸見(jian)表(biao)19-24。
外螺紋與內(nei)螺紋彎(wan)頭(tou) E4 型式(shi)見圖(tu)19-18,尺寸見表19-25。

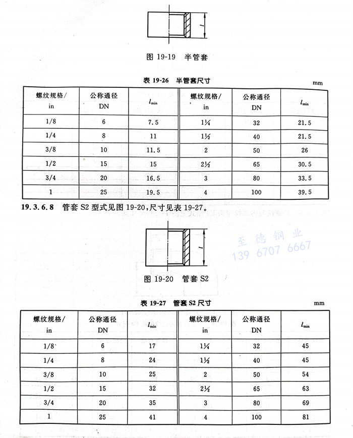
半管套(tao)S1 型(xing)式(shi)見圖19-19,尺寸見表(biao)19-26。
管套S2 型式見圖(tu)19-20,尺(chi)寸見表19-27。

異徑管套S3 型(xing)式見(jian)圖19-21,尺(chi)寸見(jian)表19-28。

異(yi)徑塞孔管套B1
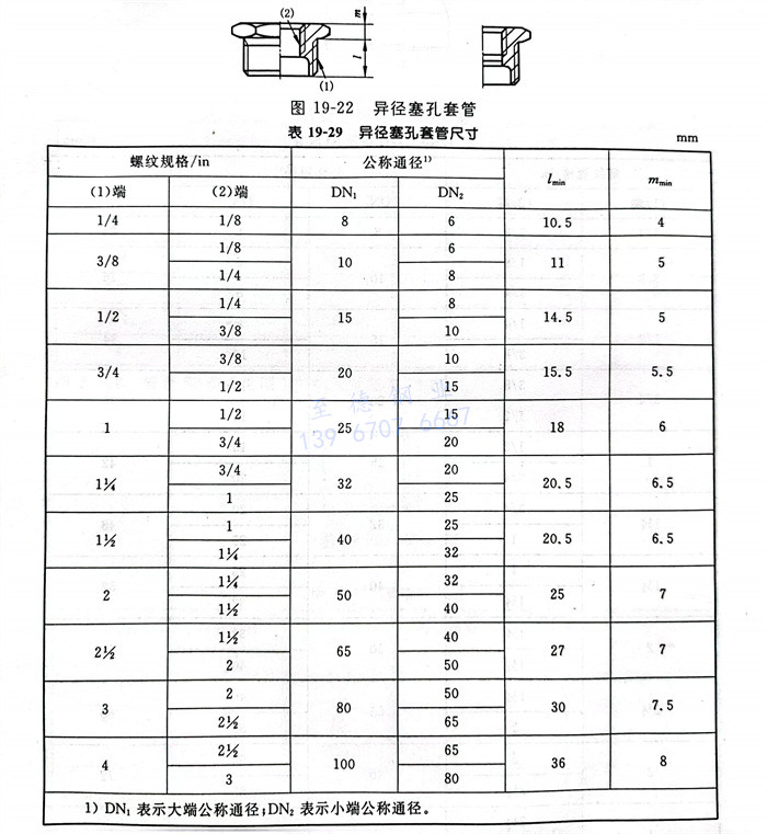
異徑(jing)塞孔管套(tao)可以有(you)(you)六角(jiao)(jiao)(jiao)形(xing)(xing)(xing)、八角(jiao)(jiao)(jiao)形(xing)(xing)(xing)、十(shi)角(jiao)(jiao)(jiao)形(xing)(xing)(xing)等種(zhong)(zhong)類(lei)。規(gui)格在(zai)1/2以下的只有(you)(you)六角(jiao)(jiao)(jiao)形(xing)(xing)(xing)1種(zhong)(zhong);規(gui)格為(wei)3/4~2的有(you)(you)六角(jiao)(jiao)(jiao)形(xing)(xing)(xing)或八角(jiao)(jiao)(jiao)形(xing)(xing)(xing)2種(zhong)(zhong);規(gui)格為(wei)22~4的有(you)(you)六角(jiao)(jiao)(jiao)形(xing)(xing)(xing)、八角(jiao)(jiao)(jiao)形(xing)(xing)(xing)或十(shi)角(jiao)(jiao)(jiao)形(xing)(xing)(xing)3種(zhong)(zhong)。異徑(jing)塞孔管套(tao)B1型式見圖19-22,尺寸見表19-29。

六角頭螺紋接套N1
六(liu)角(jiao)(jiao)頭螺紋(wen)接(jie)套可以(yi)有六(liu)角(jiao)(jiao)形(xing)、八角(jiao)(jiao)形(xing)、十角(jiao)(jiao)形(xing)等種類。規(gui)格(ge)在1/2以(yi)下的(de)只(zhi)有六(liu)角(jiao)(jiao)形(xing)1種;規(gui)格(ge)為(wei)3/4~2的(de)有六(liu)角(jiao)(jiao)形(xing)或八角(jiao)(jiao)形(xing)2種;規(gui)格(ge)為(wei)2/2~4的(de)有六(liu)角(jiao)(jiao)形(xing)、八角(jiao)(jiao)形(xing)或十角(jiao)(jiao)形(xing)3種,六(liu)角(jiao)(jiao)形(xing)螺紋(wen)接(jie)套型式(shi) N1 見(jian)圖19-23,尺寸見(jian)表19-30。

異徑螺紋接套
異徑(jing)(jing)螺紋接套可以有六(liu)角(jiao)形(xing)(xing)、八(ba)角(jiao)形(xing)(xing)、十角(jiao)形(xing)(xing)等(deng)種(zhong)類(lei)。規格(ge)在1/2以下的(de)(de)只有六(liu)角(jiao)形(xing)(xing)1種(zhong);規格(ge)為3/4~2的(de)(de)有六(liu)角(jiao)形(xing)(xing)或八(ba)角(jiao)形(xing)(xing)2種(zhong);規格(ge)為2/2~4的(de)(de)有六(liu)角(jiao)形(xing)(xing)、八(ba)角(jiao)形(xing)(xing)或十角(jiao)形(xing)(xing)3種(zhong)。異徑(jing)(jing)螺紋接套N2型(xing)式見圖19-24,尺(chi)寸見表19-31。



管帽C1
管帽由(you)制造廠隨意選擇(ze),可以(yi)為(wei)六(liu)角(jiao)形(xing)、八角(jiao)形(xing)或十角(jiao)形(xing)。管帽C1型(xing)式(shi)見圖19-25,尺寸見表19-32。
管(guan)塞P1和P2
管塞(sai)由制(zhi)造廠(chang)隨意選擇,可以為(wei)實(shi)心(xin)的(de)(de)或(huo)空心(xin)的(de)(de)。管塞(sai)P2可以為(wei)六角(jiao)(jiao)頭(tou)形(xing)、八角(jiao)(jiao)頭(tou)形(xing)、十角(jiao)(jiao)頭(tou)形(xing)等種(zhong)(zhong)(zhong)(zhong)類。規格(ge)在1/2以下的(de)(de)只有六角(jiao)(jiao)形(xing)1種(zhong)(zhong)(zhong)(zhong);規格(ge)為(wei)3/4~2的(de)(de)有六角(jiao)(jiao)形(xing)或(huo)八角(jiao)(jiao)形(xing)2種(zhong)(zhong)(zhong)(zhong);規格(ge)為(wei)2%~4的(de)(de)有六角(jiao)(jiao)形(xing)、八角(jiao)(jiao)形(xing)或(huo)十角(jiao)(jiao)形(xing)3種(zhong)(zhong)(zhong)(zhong)。管塞(sai)P1和P2的(de)(de)型式(shi)見圖19-26,尺寸見表19-33。

平座(zuo)U1、U2和(he)U3活接頭(tou)及錐座(zuo)U4、U5和(he)U6 活接頭(tou)
平座(zuo)U1、U2和U3活(huo)接頭(tou)及錐座(zuo)U4、U5和U6活(huo)接頭(tou)型(xing)式見圖19-27,尺寸見表19-34。

7. 試驗(yan)和檢驗(yan)
a. 管件應進行以下視覺(jue)性(xing)的檢驗(yan):
管件內(nei)、外表面要(yao)光滑、無(wu)裂紋、無(wu)有害刮痕(hen)、毛刺、粘砂或其(qi)他缺陷(xian)。
管件(jian)全(quan)部(bu)螺紋部(bu)分應(ying)完好無(wu)(wu)損(sun),不稀疏、無(wu)(wu)裂紋或其他缺陷。
b. 管(guan)件螺紋的檢驗應按照ISO 7-2進行(xing),或按其他適合(he)的方法進行(xing)。
c. 螺紋(wen)的軸線精(jing)度應達到(dao)規定(ding)角度的士0.5°范圍內。
d. 當(dang)(dang)檢驗(yan)生產(chan)的管(guan)件(jian)(jian)時,應對每一(yi)個(ge)管(guan)件(jian)(jian)進行(xing)下述(shu)試驗(yan)以(yi)保(bao)證管(guan)件(jian)(jian)不產(chan)生泄(xie)(xie)漏。為了試驗(yan)管(guan)件(jian)(jian),螺紋端要密封。當(dang)(dang)加壓使(shi)管(guan)件(jian)(jian)內(nei)部的壓力(li)達到6bar的空(kong)氣壓力(li)后,在保(bao)持此壓力(li)的同時,按表19-35所規定的最小(xiao)試驗(yan)持續時間,觀(guan)察管(guan)件(jian)(jian)有無泄(xie)(xie)漏現象。

e. 水壓(ya)(ya)試驗(yan)可以(yi)在30 bar壓(ya)(ya)力下進行(xing),以(yi)代替空氣壓(ya)(ya)力試驗(yan)。試驗(yan)方法和(he)試驗(yan)持續時間按19.3.7.4條規定。
f. 由(you)諸如(ru)鍛件(jian)、軋(ya)制(zhi)棒料或擠壓管(guan)材(cai)等(deng)材(cai)料制(zhi)成(cheng)的管(guan)件(jian),則不需要做(zuo)泄漏檢驗。
g. 管件(jian)應能夠通過晶間腐(fu)蝕(shi)(shi)試(shi)驗(yan)并合格,晶間腐(fu)蝕(shi)(shi)試(shi)驗(yan)按(an)ISO 4990《鑄鋼(gang)件(jian)交貨(huo)的一(yi)般技術要求》中的B.9.1條進行(xing)。當做(zuo)腐(fu)蝕(shi)(shi)試(shi)驗(yan)時,應對每(mei)一(yi)熱(re)處理(li)裝爐量的一(yi)根管件(jian)做(zuo)試(shi)驗(yan)。
8. 印記(ji)
管件應(ying)以商(shang)標、材料代號或縮寫(xie)以及螺紋標記做印記。但是,當(dang)容納標志的位置不夠(gou)時,標志可(ke)以省略。
9. 標記
①. 標記內容
符(fu)合 ISO 4144:2003(E)的管件,應按以下內容依次進行標(biao)記:
a. 管件型式;
b. 標(biao)準編號ISO 4144;
c. 螺紋規格標記;
d. 符(fu)號(見表19-19);
e. 材料。
②. 標記示例
具(ju)有材(cai)料牌號為TS47鋼、內圓錐(zhui)螺(luo)紋為Rc2的等徑(jing)內螺(luo)紋彎頭(tou)E1的標記(ji)為: 彎頭(tou) ISO 4144-Rc2E1 TS47
具有材料牌號為(wei)TS61鋼、內圓(yuan)錐螺紋為(wei)Rc2、支管為(wei)1%的主管異徑三通T2的標記為(wei): 異(yi)徑三(san)通 ISO 4144-Rc2 × 1/4 T2 TS61

