本(ben)章所介紹的美國管(guan)(guan)(guan)件(jian)標準(zhun)主要為美國機械工程師協會(hui)(即ASME)近期發布的最新標準(zhun),這些管(guan)(guan)(guan)件(jian)標準(zhun)主要為:灰鑄鐵(tie)(tie)螺(luo)紋(wen)管(guan)(guan)(guan)件(jian)(ASME B16.4-1998)、可鍛(duan)鑄鐵(tie)(tie)螺(luo)紋(wen)管(guan)(guan)(guan)件(jian)(ASME B16.3-1998)、承插(cha)焊和螺(luo)紋(wen)連接鍛(duan)鋼(gang)制(zhi)管(guan)(guan)(guan)件(jian)(ASME B16.11-2005)、工廠制(zhi)造的鍛(duan)鋼(gang)對焊管(guan)(guan)(guan)件(jian)及鍛(duan)鋼(gang)制(zhi)對焊短半(ban)徑彎(wan)頭和180°彎(wan)頭等。
承插焊和(he)螺紋連接鍛鋼(gang)制(zhi)管件 ASME B16.11-2005 標準
一、 適(shi)用范(fan)圍(wei)
1. 總(zong)則
ASME B16.11-2005標(biao)準適用于表20-30~表20-39所示的承插焊式和螺紋連(lian)接(jie)式兩種鍛制管件的壓力-溫度等(deng)級、材(cai)料、尺寸(cun)、公差和標(biao)志。
a. 管(guan)件型(xing)式(shi)/形狀
本標準所(suo)(suo)包(bao)含的(de)管(guan)件(jian)(jian)型(xing)式(按磅級及規格區(qu)分(fen))見表20-26。表20-30~表20-39所(suo)(suo)示的(de)管(guan)件(jian)(jian)也可(ke)制成承插(cha)焊端和螺紋端組(zu)合(he)式管(guan)件(jian)(jian)。
b. 專用(yong)管(guan)件
經供需雙(shuang)方協(xie)商,可以制造帶特(te)殊(shu)螺紋或特(te)殊(shu)锪孔(kong)的管件。這些管件,當符合(he)本(ben)標(biao)準的所有其他條(tiao)文規(gui)定時,只要(yao)作(zuo)適(shi)當的標(biao)志(zhi)(見20.3.8條(tiao)標(biao)志(zhi)內容),則應(ying)被認為是與本(ben)標(biao)準相符合(he)的管件。
c. 質量體系
按本(ben)標準制(zhi)(zhi)(zhi)(zhi)造的(de)(de)(de)產(chan)品(pin),應(ying)按質(zhi)量(liang)體系程序(xu)(xu)生產(chan),該程序(xu)(xu)應(ying)按照ISO 9000系列的(de)(de)(de)某(mou)一合適的(de)(de)(de)標準的(de)(de)(de)原則制(zhi)(zhi)(zhi)(zhi)定(ding)。制(zhi)(zhi)(zhi)(zhi)造廠有責任確(que)定(ding)是否需要(yao)由一個獨立的(de)(de)(de)組(zu)織機(ji)構對產(chan)品(pin)制(zhi)(zhi)(zhi)(zhi)造廠的(de)(de)(de)質(zhi)量(liang)體系程序(xu)(xu)進行注(zhu)冊和/或認證(zheng)。采購方在(zai)制(zhi)(zhi)(zhi)(zhi)造廠的(de)(de)(de)場(chang)所(suo)(suo)應(ying)能得到演示程序(xu)(xu)符合性(xing)的(de)(de)(de)詳細文件。應(ying)采購方的(de)(de)(de)請求,采購方可以得到產(chan)品(pin)制(zhi)(zhi)(zhi)(zhi)造廠提供(gong)的(de)(de)(de)其(qi)所(suo)(suo)使用(yong)的(de)(de)(de)該質(zhi)量(liang)體系程序(xu)(xu)的(de)(de)(de)書面概括(kuo)說明。所(suo)(suo)謂產(chan)品(pin)制(zhi)(zhi)(zhi)(zhi)造廠是指按本(ben)標準標志或識別要(yao)求顯示在(zai)產(chan)品(pin)上的(de)(de)(de)完整廠名(ming)或商標。
2. 使(shi)用條(tiao)件
選(xuan)擇適合于特(te)定流體使用(yong)條件的(de)管(guan)件型式和材料(liao)的(de)標(biao)準不在本標(biao)準的(de)范圍(wei)內。
3. 焊接(jie)
安(an)裝焊接(jie)要求不在本標準(zhun)的范圍(wei)內(nei)。安(an)裝焊接(jie)應按照適用的管道規范或包(bao)含安(an)裝該管件的管道系統的規程進行。
4. 標準計量(liang)單位
無論是(shi)以(yi)米制(zhi)計(ji)量(liang)單(dan)位或是(shi)英(ying)制(zhi)計(ji)量(liang)單(dan)位表(biao)示的(de)數值(zhi)均視為標準值(zhi)。在(zai)正(zheng)文中英(ying)制(zhi)單(dan)位值(zhi)列(lie)于括(kuo)號內,以(yi)每種單(dan)位制(zhi)表(biao)示的(de)數值(zhi)并(bing)非精確相等。因此,每種單(dan)位制(zhi)必須(xu)單(dan)獨使(shi)用。混合(he)使(shi)用兩種單(dan)位制(zhi)的(de)數值(zhi)可能會造成與標準的(de)不(bu)一致(zhi)性。
二(er)、壓(ya)力等級
1. 總(zong)則
對于(yu)螺(luo)紋端(duan)管(guan)件,應標為(wei)2000、3000和(he)6000磅(bang)級;對于(yu)承插焊端(duan)管(guan)件,應標為(wei)3000、6000和(he)9000磅(bang)級。
a. 壓力-溫(wen)度等級的計算依據
為(wei)了確定等(deng)級(ji),將相(xiang)應(ying)于(yu)各(ge)磅(bang)級(ji)管(guan)件(jian)的(de)(de)(de)(de)(de)管(guan)壁(bi)厚(hou)度(du)系(xi)列號示于(yu)表20-27中(zhong)。設(she)計溫(wen)度(du)和(he)(he)其(qi)他使用條件(jian)應(ying)受所適用的(de)(de)(de)(de)(de)管(guan)道規(gui)(gui)范或管(guan)件(jian)結構(gou)材料(liao)(liao)規(gui)(gui)程的(de)(de)(de)(de)(de)限(xian)制。這些限(xian)制中(zhong),管(guan)件(jian)的(de)(de)(de)(de)(de)最大(da)許用壓力(li)應(ying)是按(an)等(deng)同(tong)材料(liao)(liao)(如按(an)各(ge)種(zhong)材料(liao)(liao)規(gui)(gui)范中(zhong)材料(liao)(liao)的(de)(de)(de)(de)(de)化(hua)學成(cheng)分和(he)(he)力(li)學性(xing)能對比得出的(de)(de)(de)(de)(de))制成(cheng)的(de)(de)(de)(de)(de)直無縫(feng)管(guan)計算求(qiu)出的(de)(de)(de)(de)(de)。用于(yu)此(ci)種(zhong)計算的(de)(de)(de)(de)(de)壁(bi)厚(hou)應(ying)是ASME B36.10M中(zhong)對管(guan)子(zi)規(gui)(gui)格(ge)和(he)(he)相(xiang)應(ying)管(guan)壁(bi)厚(hou)度(du)序(xu)列號的(de)(de)(de)(de)(de)表列值減去(qu)12.5%的(de)(de)(de)(de)(de)制造公差(cha)和(he)(he)其(qi)他公差(cha)(例如螺紋(wen)公差(cha))。任何(he)腐蝕(shi)裕(yu)量和(he)(he)由于(yu)溫(wen)度(du)和(he)(he)其(qi)他設(she)計因素引起許用應(ying)力(li)的(de)(de)(de)(de)(de)任何(he)變化(hua)應(ying)同(tong)樣(yang)適用于(yu)管(guan)子(zi)和(he)(he)管(guan)件(jian)。

b. 非標(biao)準管(guan)子壁厚
由于ASME B36.10M既不包括Sch160,也不包括NPS1/8、NPS1/4和NPS3/8雙(shuang)倍加厚管的(de)(de)壁厚,所以表(biao)20-28中的(de)(de)數值可用(yong)于作為確定(ding)等級時管子的(de)(de)公稱壁厚。

c. 組合端管(guan)件
與(yu)承插焊端和螺紋端組合制造(zao)的管件(jian),其磅級(ji)應(ying)依據表(biao)20-27中最低(di)等級(ji)的端部形狀確定。
2. 耐(nai)壓試驗的可(ke)行性
本標(biao)準不要(yao)(yao)求進行耐壓試(shi)(shi)驗,但管(guan)件(jian)應能(neng)承受適(shi)用的管(guan)道(dao)規范對(dui)無縫(feng)管(guan)所(suo)要(yao)(yao)求的水(shui)壓試(shi)(shi)驗壓力。這(zhe)種無縫(feng)管(guan)的材料與管(guan)件(jian)的鍛材相當,其Sch No.或(huo)壁厚與表20-27中的管(guan)件(jian)磅(bang)級和(he)端部(bu)連接有關(guan)。
三、規格
1. 總則
公稱管(guan)件規格的代號是NPS后(hou)跟(gen)無因次的數字(zi)。NSP與國際標準中所使用的標準公稱通徑DN有關(guan)。它們之間(jian)的關(guan)系見表20-29。

2. 異(yi)徑(jing)管件規格
對(dui)于異徑三(san)通和(he)四通,應首先給(gei)出最大主(zhu)管(guan)開口規(gui)(gui)格,緊(jin)(jin)接(jie)著給(gei)出主(zhu)管(guan)相對(dui)端的(de)(de)(de)開口規(gui)(gui)格。管(guan)件(jian)為三(san)通時(shi),其(qi)支管(guan)規(gui)(gui)格放在最后,管(guan)件(jian)為四通時(shi),第三(san)個給(gei)出的(de)(de)(de)是(shi)旁邊的(de)(de)(de)最大開口規(gui)(gui)格,緊(jin)(jin)接(jie)著給(gei)出的(de)(de)(de)是(shi)對(dui)面的(de)(de)(de)出口尺(chi)寸。異徑三(san)通和(he)四通出口的(de)(de)(de)表示方法(fa)見圖20-26。

四、材料(標準(zhun)材料)
管(guan)件的(de)材(cai)料應包括鍛件、棒材(cai)、無縫管(guan)或管(guan)材(cai)。這(zhe)些材(cai)料應符合(he)ASME B16.34《法蘭、螺紋及焊接連接端的(de)閥門(men)》表1(包括表2中可適用(yong)的(de)注釋(shi))中所列鍛造(zao)產品(pin)的(de)冶煉工藝、化學(xue)成分要求和力學(xue)性能要求。三通、彎頭(tou)和四通不能用(yong)棒材(cai)制作。
五、結構型(xing)式與尺寸
1. 承插焊管件
承插焊(han)管件尺寸分米制及英制兩個系列。米制管件型式(shi)見(jian)圖(tu)20-27,尺寸見(jian)表20-30;英制管件型式(shi)見(jian)圖(tu)20-27,尺寸見(jian)表20-31。




a. 本體壁厚
承插(cha)焊管件本體壁厚應(ying)等(deng)于或大(da)于表20-30和20-31中所(suo)示(shi)的(de)G值。
b. 承口壁厚
承口的平均壁厚和最小壁厚應(ying)不小于表20-30和表20-31中(zhong)所示C的相應(ying)值。
c. 承(cheng)口位置
承口底相對于承插焊管件中心線的(de)固定位置應按表20-30和表20-31中尺寸A的(de)要求予以(yi)保持。對于異徑管件,見(jian)20.3.5.4條。
d. 承(cheng)口深度
承口深度(du)應(ying)不小于(yu)表(biao)20-30和表(biao)20-31中所(suo)示J的最(zui)小值。
e. 承口孔(kong)
承(cheng)口孔(kong)內(nei)表(biao)面應進行精加工(gong),不得有毛刺。
f. 垂直度
承插焊管件的端部平面與承口軸心線應成直角。
g. 寬度
鍛件(jian)半(ban)徑不應使(shi)平焊表面的寬度減小到小于圖20-28所示(shi)值(zhi)。

2. 螺紋管件
螺(luo)(luo)紋(wen)管(guan)件(jian)(jian)包括鍛造螺(luo)(luo)紋(wen)管(guan)件(jian)(jian)、帶內外螺(luo)(luo)紋(wen)的鍛造彎頭、非鍛造的螺(luo)(luo)紋(wen)管(guan)件(jian)(jian)、絲堵和絲套4類。每類螺(luo)(luo)紋(wen)管(guan)件(jian)(jian)尺寸又分米制和英制兩個系列。
米制鍛造螺紋管件的(de)型(xing)式見圖(tu)20-29,尺寸見表20-32;英制鍛造螺紋管件的(de)型(xing)式見圖(tu)20-29,尺寸見20-33。
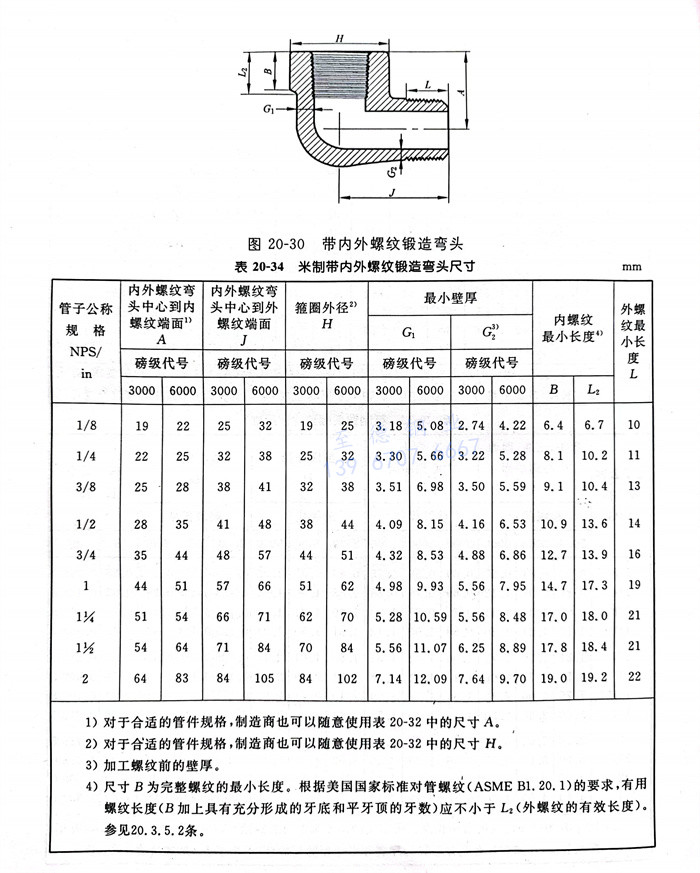
米制帶內(nei)外(wai)螺紋(wen)的(de)鍛(duan)造(zao)彎頭型(xing)式見圖(tu)20-30,尺寸見表(biao)20-34;英制帶內(nei)外(wai)螺紋(wen)的(de)鍛(duan)造(zao)彎頭型(xing)式見圖(tu)20-30,尺寸見表(biao)20-35。
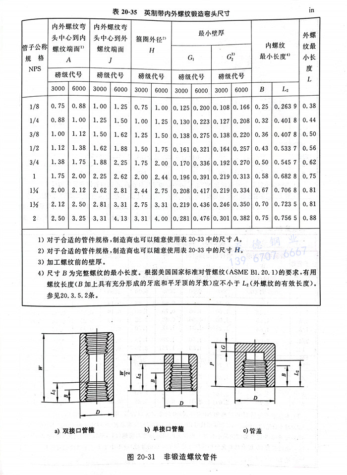
米制非鍛造(zao)螺(luo)紋管(guan)件的(de)型(xing)式見(jian)圖(tu)(tu)20-31,尺(chi)寸見(jian)表(biao)20-36;英(ying)制非鍛造(zao)螺(luo)紋管(guan)件的(de)型(xing)式見(jian)圖(tu)(tu)20-31,尺(chi)寸見(jian)表(biao)20-37。
米(mi)制(zhi)絲堵和絲套的(de)(de)型(xing)式(shi)(shi)見圖20-32,尺寸(cun)(cun)見表20-38;英制(zhi)絲堵和絲套的(de)(de)型(xing)式(shi)(shi)見圖20-32,尺寸(cun)(cun)見表20-39。







a. 壁厚
螺紋管(guan)件本(ben)體或(huo)端部(bu)壁厚應等于或(huo)大于表20-32~表20-37中所示的最小G、G1和(he)G2值。
b. 內螺紋
所有(you)帶內(nei)螺(luo)紋(wen)的管件(jian)(jian)應(ying)按美國(guo)(guo)國(guo)(guo)家標準《錐管螺(luo)紋(wen)》(ASME B 1.20.1)加工(gong)螺(luo)紋(wen)。當使(shi)用工(gong)作量規時,螺(luo)紋(wen)加工(gong)的誤差從(cong)測量槽(cao)口(kou)開(kai)(kai)始應(ying)限(xian)制為(wei)大(da)一圈(quan)或小(xiao)一圈(quan)螺(luo)紋(wen)內(nei)。測量基(ji)準點是管件(jian)(jian)的開(kai)(kai)始端。只要倒角不超(chao)過(guo)內(nei)螺(luo)紋(wen)大(da)徑。當內(nei)螺(luo)紋(wen)的倒角超(chao)過(guo)此限(xian)制時,基(ji)準點即為(wei)倒角錐上的最(zui)后(hou)一牙螺(luo)紋(wen)刻痕。
c. 外螺(luo)紋
所有帶外(wai)螺(luo)紋(wen)(wen)的(de)管(guan)件均應按美國國家標準《錐管(guan)螺(luo)紋(wen)(wen)》(ASME B1.20.1)加(jia)工(gong)螺(luo)紋(wen)(wen)。當使用工(gong)作量規(gui)時(shi),螺(luo)紋(wen)(wen)加(jia)工(gong)的(de)誤差從(cong)環(huan)規(gui)的(de)測量面開(kai)始(shi)限(xian)制為大一圈或小一圈螺(luo)紋(wen)(wen)內。測量的(de)基準點(dian)是螺(luo)紋(wen)(wen)的(de)端部(bu)。
d. 锪(huo)錐孔和倒角
所(suo)有(you)內螺(luo)紋(wen)(wen)均應(ying)锪(huo)錐孔,其距(ju)離不小于螺(luo)紋(wen)(wen)的(de)一半,并常有(you)與(yu)(yu)螺(luo)紋(wen)(wen)軸心大約成45°的(de)夾(jia)角(jiao);所(suo)有(you)的(de)外螺(luo)紋(wen)(wen)均應(ying)帶有(you)與(yu)(yu)軸線成30°~45°的(de)倒角(jiao),以便在制作接頭時易進入連接和保(bao)護螺(luo)紋(wen)(wen)。锪(huo)錐孔與(yu)(yu)倒角(jiao)應(ying)與(yu)(yu)螺(luo)紋(wen)(wen)同心。各表中規定的(de)螺(luo)紋(wen)(wen)長(chang)度,測量時應(ying)包括锪(huo)孔或倒角(jiao)。
3. 頸圈
表20-30~表20-33中所(suo)屬簡(jian)圖(tu)所(suo)示的承插焊式(shi)或螺紋連接式(shi)兩種管件的端部頸圈應(ying)能(neng)覆蓋岔口區(qu)。
4. 異徑管件
異(yi)徑(jing)管件(jian)應具有和(he)相同規(gui)格管件(jian)(該管件(jian)與異(yi)徑(jing)管件(jian)的(de)最大規(gui)格端(duan)部連接相符合(he))一樣的(de)中心(xin)到端(duan)部、中心(xin)到承口(kou)底部、箍圈直徑(jing)和(he)外徑(jing)尺寸(cun)。
六、公差(cha)(附加(jia)公差(cha))
附加于表20-30~表20-31的承插焊管件所(suo)列各值的公(gong)差如下:
a. 通口的同心度(du)
承(cheng)口(kou)孔和(he)管件通孔應(ying)同心(xin),其公差對(dui)各種(zhong)規(gui)(gui)格(ge)的管件均為0.8mm(0.03in)。相(xiang)對(dui)承(cheng)口(kou)孔應(ying)同心(xin),其公差對(dui)各種(zhong)規(gui)(gui)格(ge)的管件均為1.5mm(0.06 in)。
b. 軸線的重合(he)度
管件通(tong)孔(kong)與承口孔(kong)軸線的同(tong)軸度最大允(yun)(yun)差(cha)為1mm/200 mm(0.06 in/ft)。螺(luo)紋同(tong)軸度的最大允(yun)(yun)差(cha)應為1mm/200 mm(0.06 in./ft)。
七、驗證試驗
對(dui)按本標準制造的管件,不要求作驗(yan)證試驗(yan)。
八、標志
每個(ge)管(guan)(guan)件都(dou)應(ying)用鍛出(chu)凸(tu)字和/或(huo)打鋼(gang)印、電腐蝕或(huo)振動(dong)工具標記方法在鍛造管(guan)(guan)件的頸部、凸(tu)墊(dian)和凸(tu)轂部分做出(chu)永久性(xing)的識(shi)別標志。圓筒形(xing)管(guan)(guan)件應(ying)標志在外徑或(huo)在焊接安裝(zhuang)后標志不(bu)會消失或(huo)不(bu)會被涂掉(diao)的管(guan)(guan)件端部。本標準不(bu)要求對絲(si)套、絲(si)堵作(zuo)標志。
1. 專用標志
標(biao)志應包括但不局限于(yu)下列內容:
a. 制造廠的(de)名稱或商標(biao)。
b. 材料(liao)(liao)標(biao)志 材料(liao)(liao)應(ying)按(an)(an)適(shi)合的(de)ASTM管件(jian)規(gui)范(fan)(fan)A234、A403、A420、A815或B366,或按(an)(an)適(shi)合的(de)ASTM鍛件(jian)技術(shu)規(gui)范(fan)(fan)A105、A182、A350、B160、B164、B462、B564,或ASME B16.34表(biao)1中其他適(shi)用(yong)的(de)鍛件(jian)技術(shu)規(gui)范(fan)(fan)中的(de)標(biao)志要求(qiu)進(jin)行識(shi)別。
c. 產品符合證明 20.3.1.1a條所(suo)包(bao)含(han)(han)的(de)管(guan)(guan)件應標(biao)以(yi)ASTM管(guan)(guan)件技術(shu)規范的(de)材料識別標(biao)志“WP-”或“B16”符號(hao),以(yi)表示符合本標(biao)準(zhun)。20.3.1.1b條所(suo)包(bao)含(han)(han)的(de)專(zhuan)用管(guan)(guan)件應標(biao)以(yi)B16 SPLD。
d. 磅級(ji)代(dai)號 根據適用情(qing)況(kuang),有2000、3000或(huo)6000或(huo)9000等(deng)4種表(biao)示方法。用另一種方法,根據適用情(qing)況(kuang)可以使用代(dai)號2M、3M、6M或(huo)9M表(biao)示,此處M代(dai)表(biao)1000。
e. 規格 指與端(duan)部(bu)連接有關的公稱管子規格。
2. 標志(zhi)的省略
當管件的規格和形狀(zhuang)不(bu)允許作上述所有標(biao)(biao)志(zhi)時,標(biao)(biao)志(zhi)符(fu)號(hao)可按上述相反的順(shun)序進行省略。

