①. 再沸器的位置和安(an)裝(zhuang)高度應(ying)滿足工(gong)藝要求。
②. 明火(huo)加熱的(de)再沸(fei)器與(yu)塔(ta)和(he)其(qi)他設備的(de)防(fang)火(huo)間距應符合防(fang)火(huo)規范要求。
③. 用蒸(zheng)汽或熱(re)載體加熱(re)的(de)(de)臥式再沸(fei)器應(ying)靠(kao)近塔布置(zhi),二者之間(jian)的(de)(de)距離應(ying)滿足(zu)管(guan)道布置(zhi)的(de)(de)要求,再沸(fei)器的(de)(de)一端應(ying)有管(guan)束抽出的(de)(de)空間(jian)。
④. 立(li)式再沸器(qi)可利用塔(ta)體支撐,并布(bu)置(zhi)在塔(ta)側,與塔(ta)的(de)(de)高差應滿足(zu)工藝(yi)的(de)(de)要求(qiu),其上(shang)方和下方應有(you)檢(jian)修的(de)(de)空間(jian)(jian)。也可布(bu)置(zhi)在框架(jia)上(shang)。見圖7.31(a)、(b)。再沸器(qi)的(de)(de)布(bu)置(zhi)需(xu)考慮抽芯空間(jian)(jian),如圖7.31(c)、(d)所示(shi)。

⑤. 一座塔需(xu)要(yao)多(duo)臺并(bing)聯的立式再沸器(qi)時,再沸器(qi)的位置和安(an)裝高度(du),除保(bao)證工藝要(yao)求外,尚應滿(man)足管(guan)道(dao)布(bu)置的要(yao)求,并(bing)便(bian)于(yu)操作和檢修。
⑥. 釜式再沸器的(de)配(pei)管設(she)計(ji)(ji)圖(tu)完成(cheng)后(hou),要由工藝設(she)計(ji)(ji)人校對配(pei)管的(de)壓力(li)損失及再次確認(ren)塔與(yu)再沸器的(de)相對高度(du)。
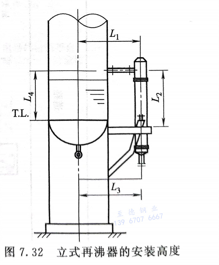
⑦. 立式(shi)再沸器的(de)安裝高度(圖7.32)
a.立式再沸器的(de)安裝高(gao)度需滿足(zu)工(gong)藝專業(ye)條(tiao)件(jian)。
b.為了盡(jin)量減少(shao)(shao)壓降和有效(xiao)利用(yong)空(kong)間(jian),再沸(fei)器(qi)(qi)的(de)(de)汽相出口(kou)管(guan)口(kou)與塔的(de)(de)入口(kou)管(guan)口(kou)基本上直(zhi)接相連來(lai)(lai)。由(you)于(yu)再沸(fei)器(qi)(qi)的(de)(de)支撐方法會產生較(jiao)大(da)的(de)(de)熱應力,可以采(cai)取以下減少(shao)(shao)熱應力的(de)(de)措施:采(cai)用(yong)在(zai)L2與L4之(zhi)間(jian)盡(jin)量不(bu)產生膨(peng)脹(zhang)差(cha)的(de)(de)支撐立式再沸(fei)器(qi)(qi)的(de)(de)方法;由(you)于(yu)L3的(de)(de)伸長(chang)而影響再沸(fei)器(qi)(qi)出口(kou)管(guan)口(kou)及(ji)塔的(de)(de)入口(kou)管(guan)口(kou),可將再沸(fei)器(qi)(qi)的(de)(de)安裝螺栓孔(kong)做成長(chang)圓孔(kong)來(lai)(lai)減少(shao)(shao)影響;由(you)于(yu)L1、L3間(jian)的(de)(de)膨(peng)脹(zhang)差(cha),在(zai)底部采(cai)用(yong)彎曲管(guan)道減少(shao)(shao)熱應力。


