一、軸測圖(tu)的(de)概念
管(guan)道軸(zhou)測圖又稱單管(guan)管(guan)段圖或單線圖,是(shi)沿北向方向標(N),按正等軸(zhou)測投(tou)影繪制的形象的管(guan)道立體視(shi)覺(jue)圖形。管(guan)道軸(zhou)測圖供施工單位在施工現場(chang)預備管(guan)道材(cai)料并預制、裝(zhuang)配的圖紙。
二、軸測圖的內容(rong)
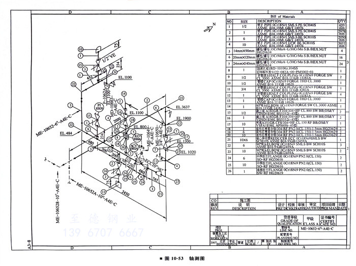
軸測圖(tu)(tu)主要包括五部分(fen)內容(圖(tu)(tu)10-53):管(guan)道軸測圖(tu)(tu)形(xing)、工程數據、管(guan)段材料(liao)表(biao)、北向標(biao)、圖(tu)(tu)簽。
1. 管(guan)道軸測圖形(xing)
管(guan)(guan)(guan)道(dao)軸測圖形(xing)是按照管(guan)(guan)(guan)道(dao)布(bu)置(zhi)平(ping)面圖的(de)設計,把管(guan)(guan)(guan)線(xian)的(de)必要信(xin)息以及(ji)它們在空(kong)間中(zhong)的(de)相對位置(zhi)表(biao)示出來(lai)的(de)圖形(xing),包括管(guan)(guan)(guan)子、管(guan)(guan)(guan)件、閥門、儀表(biao)元(yuan)件代號、管(guan)(guan)(guan)線(xian)標(biao)高(gao)、管(guan)(guan)(guan)線(xian)長度、介質(zhi)流向(xiang)、坡度、管(guan)(guan)(guan)線(xian)號、管(guan)(guan)(guan)架、連(lian)接(jie)信(xin)息等(deng),尤其是更加詳盡地(di)表(biao)示出了(le)在管(guan)(guan)(guan)道(dao)布(bu)置(zhi)平(ping)面圖形(xing)上(shang)很難表(biao)達(da)清楚的(de)管(guan)(guan)(guan)道(dao)立管(guan)(guan)(guan)上(shang)的(de)具體設計。
2. 工程數據
工程數(shu)據(ju)包括裝置及工區代(dai)號(hao)(hao)、管(guan)線號(hao)(hao)、配管(guan)圖號(hao)(hao)、軸測圖號(hao)(hao)、保溫(wen)涂漆代(dai)號(hao)(hao)、各種尺寸、標(biao)高和管(guan)道(dao)標(biao)志、組(zu)件規(gui)格、編號(hao)(hao)、設計條件(溫(wen)度、壓力(li)、保溫(wen)涂漆要求(qiu))、制作檢驗要求(qiu)等標(biao)注說明。
3. 管段材料表
管(guan)段(duan)材料(liao)表組成該管(guan)段(duan)所有組件(jian)的元件(jian)代碼名稱、管(guan)道(dao)材料(liao)的描述和數量(liang)。
4. 北(bei)向標和圖簽(qian)
北向標和圖(tu)簽(qian)則需要根據工程項(xiang)目的(de)具體情況而定。圖(tu)簽(qian)主要是項(xiang)目名(ming)稱(cheng)、設計(ji)日期、簽(qian)名(ming)(設計(ji)人、校核人、審核人)、設計(ji)單(dan)位的(de)名(ming)稱(cheng)等一些(xie)信息。

三、軸測(ce)圖(tu)的設計(ji)方式
1. 從計算機三維模(mo)型中抽取(qu)軸測圖
項目采用計算機三維模型計算機軟(ruan)件(jian)(jian)進行壓力管道設計,如PDS、PDMS、AutoPlant、CADWorx、SP3D等軟(ruan)件(jian)(jian),可以使用軟(ruan)件(jian)(jian)的(de)(de)功(gong)能,自動生(sheng)成標(biao)準(zhun)格式的(de)(de)軸(zhou)測圖(tu)電(dian)子(zi)文檔(dang)。
2. 使用(yong)AutoPlant Isometrics 等專用(yong)軸測圖繪(hui)制(zhi)軟件設計(ji)軸測圖
一些(xie)工程項目(mu),使用AutoCAD或者 Microstation 進行管(guan)道(dao)布置平(ping)(ping)面圖的設(she)計,使用AutoPlant Isometrics等專門用于繪制(zhi)軸測圖的軟件按照管(guan)道(dao)布置平(ping)(ping)面圖,設(she)計、繪制(zhi)軸測圖,軟件可以自(zi)動生(sheng)成(cheng)各種形式的管(guan)道(dao)材料匯總報表。
3. 使用 AutoCAD繪制管道軸測(ce)圖
使用AutoCAD的專(zhuan)門用于繪(hui)制軸(zhou)測圖(tu)(tu)的模(mo)式(執行“ddrmodes”命令,可以轉(zhuan)換到繪(hui)制軸(zhou)測圖(tu)(tu)的模(mo)式)。
4. 手(shou)工繪制管道軸測圖
以前計算機技術落后的情況下,人們通常在(zai)專門用于繪制(zhi)管(guan)道軸(zhou)測圖(tu)的圖(tu)紙上(shang)繪制(zhi),與使用計算機繪制(zhi)相比:一(yi)(yi)方面,速度(du)慢,不宜(yi)修(xiu)改(gai);另一(yi)(yi)方面,每一(yi)(yi)個(ge)設(she)計人繪制(zhi)的風格不統(tong)一(yi)(yi)。現(xian)在(zai)已經(jing)很少使用手工繪制(zhi)管(guan)道軸(zhou)測圖(tu)。
四、軸測圖設計的一般要求
①. SH/T 3052《石油化工(gong)配管工(gong)程設(she)計圖例(li)(li)》等規范有圖例(li)(li)符號的相關規定。
②. 軸測圖無論管徑的(de)大小,均采用(yong)單線繪制(zhi)管線,線條的(de)寬度(du)及(ji)字(zi)體規(gui)定可以根據所在項目的(de)工程(cheng)規(gui)定,也可以參見HG/T 20549《化工裝置管道布置設(she)計工程(cheng)規(gui)定》中的(de)規(gui)定。
③. 軸測(ce)圖上(shang)的(de)北向(xiang)(xiang)N或者PN(Plant North)(圖10-54)通(tong)常指向(xiang)(xiang)圖紙的(de)右上(shang)方(fang),項目特(te)殊要求時(shi)也可以指向(xiang)(xiang)左上(shang)方(fang),同一(yi)裝置(zhi)的(de)軸測(ce)圖上(shang)的(de)方(fang)向(xiang)(xiang)標(biao)取(qu)向(xiang)(xiang)應(ying)相同。軸測(ce)圖上(shang)的(de)北向(xiang)(xiang)標(biao)與管道布置(zhi)圖上(shang)的(de)北向(xiang)(xiang)標(biao)的(de)北向(xiang)(xiang)應(ying)一(yi)致。

④. 除使用工程中(zhong)規(gui)(gui)定(ding)的(de)縮(suo)寫(xie)詞外(wai),圖中(zhong)是(shi)采用英文還是(shi)使用中(zhong)文應按照項目(mu)的(de)具體規(gui)(gui)定(ding)。
⑤. 管道軸測圖不必按比例繪制,但相對(dui)比例要協調。
⑥. 閥門的手(shou)柄方向應表示在軸測圖上(圖10-55)。
⑦. 軸測圖的尺寸標注
a. 水平管(guan)(guan)道(dao)的(de)(de)(de)(de)標注。尺(chi)(chi)寸線(xian)應與管(guan)(guan)道(dao)相平行,尺(chi)(chi)寸界線(xian)為垂直線(xian)。尺(chi)(chi)寸的(de)(de)(de)(de)大小要和管(guan)(guan)道(dao)布置平面圖(tu)上一致。從鄰(lin)近的(de)(de)(de)(de)主要基準點到各個獨立(li)的(de)(de)(de)(de)管(guan)(guan)道(dao)元件如(ru)孔板法蘭、異徑(jing)管(guan)(guan)、拆卸用(yong)的(de)(de)(de)(de)法蘭、儀表接口、不(bu)等徑(jing)支管(guan)(guan)的(de)(de)(de)(de)尺(chi)(chi)寸,不(bu)應畫(hua)封閉尺(chi)(chi)寸,如(ru)圖(tu)10-56所示(shi)的(de)(de)(de)(de)管(guan)(guan)道(dao)軸測圖(tu)中的(de)(de)(de)(de)尺(chi)(chi)寸D、E、F。
b. 管(guan)線上(shang)法蘭(lan)、閥門和其他(ta)管(guan)道(dao)元件(jian)的(de)標(biao)注。一般要標(biao)出(chu)相對的(de)位置,在立管(guan)上(shang)的(de)閥門和其他(ta)元件(jian)需表(biao)示出(chu)標(biao)高(圖(tu)10-57)。
c. 管線(xian)的(de)特殊角度(非正(zheng)南、正(zheng)北、正(zheng)東(dong)、正(zheng)西(xi)、正(zheng)上、正(zheng)下的(de)情況)應該表示在(zai)軸測圖上(圖10-58)。
⑧. 在軸測圖上(shang)需(xu)要(yao)表示(shi)出連接(jie)管道的信息(xi)(圖10-59),以便查找。
⑨. 使(shi)用AutoCAD繪制軸(zhou)測(ce)圖,匯(hui)(hui)總管道(dao)材料(liao)需要使(shi)用其(qi)他專門開發的(de)計(ji)算(suan)機軟件,或者是經(jing)過Excel和Access另外統計(ji)、匯(hui)(hui)總管道(dao)材料(liao),實(shi)現自動快速生成管段表,與Auto-CAD繪制的(de)軸(zhou)測(ce)圖形配(pei)合使(shi)用。
⑩. 使用 AutoPlant Isometrics、PDS、PDMS、SmartPlant 3D等軟件(jian),在軸測圖上會自動生成管(guan)段材料表。


五、管道布置(zhi)平(ping)面圖(tu)和管道軸(zhou)測圖(tu)常(chang)用圖(tu)例(li)
管(guan)(guan)道布置平面圖(tu)(tu)和管(guan)(guan)道軸(zhou)測圖(tu)(tu)常用圖(tu)(tu)例見(jian)表10-6~表10-12。也可(ke)參考SH/T 3052或HG 20519所(suo)提供的圖(tu)(tu)例。








