不銹鋼零件在進行表面拋光、鈍化處理、電鍍、著色等以前,應該進行預處理。不銹鋼零件在成形過程中,零件表面可能有油污、毛刺、臟物和氧化物,因而在對不銹鋼零件進行表面處理前,首先應該進行預處理,把零件表面的油污、臟物、毛刺、不平表面和氧化物除去,才能在后續的加工中獲得滿意的效果。
一、不銹(xiu)鋼零件預處理的步驟
1. 不銹(xiu)鋼零件預處理(li)的(de)(de)第一(yi)步是進行(xing)零件表(biao)面的(de)(de)機械(xie)處理(li),消除不銹(xiu)鋼零件表(biao)面的(de)(de)粗(cu)糙(cao)(cao)狀態,一(yi)般采(cai)用(yong)機械(xie)磨光、拋光,使不銹(xiu)鋼零件的(de)(de)表(biao)面達到一(yi)定的(de)(de)表(biao)面粗(cu)糙(cao)(cao)度值(zhi)。
2. 除去(qu)不銹鋼零件的表面油(you)污。
3. 除去不銹(xiu)鋼零件的表面氧化物。
4. 弱(ruo)腐蝕(shi)。活化待處理(li)表面,除去不(bu)銹鋼零件表面的鈍(dun)化膜,露出金屬(shu)結晶組織。
二(er)、不銹鋼零件表面(mian)預處理(li)的方法(fa)
1. 機械法
用磨光(guang)(guang)機(ji)、拋光(guang)(guang)機(ji)或其他機(ji)械方(fang)法(fa)消(xiao)除不銹鋼零件(jian)表面(mian)粗糙狀態,減少(shao)表面(mian)粗糙度值,并去掉表面(mian)的(de)毛刺、氧化(hua)皮、銹蝕、孔(kong)眼(yan)、劃傷、焊瘤、焊渣(zha)等,使零件(jian)表面(mian)獲得光(guang)(guang)亮(liang)平整的(de)外觀,為(wei)后續的(de)化(hua)學拋光(guang)(guang)和(he)電化(hua)學拋光(guang)(guang)做好準備。
2. 除油
具(ju)體(ti)如(ru)下:
a. 有(you)機溶劑除油
有(you)機(ji)(ji)(ji)溶(rong)(rong)劑(ji)除(chu)(chu)油(you)(you)就是利用(yong)機(ji)(ji)(ji)溶(rong)(rong)溶(rong)(rong)劑(ji)能溶(rong)(rong)解油(you)(you)脂的(de)性質,把(ba)油(you)(you)污除(chu)(chu)去。只(zhi)有(you)表面沾污了用(yong)一般(ban)化學除(chu)(chu)油(you)(you)難以除(chu)(chu)去的(de),如黃(huang)油(you)(you)、凡士(shi)林、拋光膏結污等(deng)才采用(yong)有(you)機(ji)(ji)(ji)溶(rong)(rong)劑(ji)除(chu)(chu)油(you)(you)。常用(yong)的(de)有(you)機(ji)(ji)(ji)除(chu)(chu)油(you)(you)劑(ji)有(you)汽油(you)(you)、苯、三氯乙烯(xi)(xi)、四氯化碳、四氯乙烯(xi)(xi)、二甲苯、溶(rong)(rong)劑(ji)油(you)(you)、氟(fu)里昂113 和丙酮等(deng)。其(qi)缺(que)點是:溶(rong)(rong)劑(ji)揮發后在零件(jian)表面上會留下一層極(ji)薄(bo)的(de)油(you)(you)膜。所以有(you)機(ji)(ji)(ji)溶(rong)(rong)劑(ji)除(chu)(chu)油(you)(you)只(zhi)能作(zuo)為預除(chu)(chu)油(you)(you),隨(sui)后還(huan)要進(jin)行化學除(chu)(chu)油(you)(you)。
b. 化學除(chu)油
化學除油(you)就(jiu)是利(li)用堿性化學物(wu)質溶液(ye)除去不銹鋼表面(mian)的油(you)污,以(yi)達(da)到清潔(jie)表面(mian)的目的。化學除油(you)溶液(ye)中的堿性化學品有氫氧(yang)(yang)化鈉(na)(na)、碳酸(suan)鈉(na)(na)、磷(lin)酸(suan)三(san)鈉(na)(na)、硅(gui)酸(suan)鈉(na)(na)及(ji)焦磷(lin)酸(suan)鈉(na)(na)(Na.PO, ·2H2O)等(deng)。表面(mian)活性劑是強乳劑,能加(jia)速除油(you)過程(cheng)。常用的有下列(lie)幾種:十二(er)(er)烷基硫酸(suan)鈉(na)(na)、OP-10 乳化劑、TX-10(聚氧(yang)(yang)乙烯辛烷基酚醚)、6501 (十二(er)(er)烷基二(er)(er)元(yuan)醇(chun)酰胺)等(deng)。其配方和工作條件(jian)見表10-20。
表10-2 不(bu)銹鋼化學除油溶液的配方(fang)和工作條件
化學除(chu)油后,表面宜用(yong)60℃熱水清洗,將皂(zao)化生成(cheng)的肥皂(zao),以(yi)及附著在表面的多余乳化劑和硅酸(suan)鈉洗去,以(yi)免粘附于表面而(er)不利于后續處(chu)理。并根據除(chu)油情況,更(geng)新重(zhong)配除(chu)油溶液(ye)。
c. 電化學除油
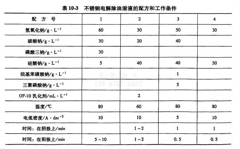
電(dian)(dian)化學除油(you)(you)又(you)稱(cheng)電(dian)(dian)解(jie)除油(you)(you),是在(zai)直流電(dian)(dian)的作(zuo)用下,在(zai)堿性溶(rong)液中將不(bu)銹鋼表(biao)面作(zuo)為陰極或陽極進行電(dian)(dian)解(jie),從而除去油(you)(you)污。不(bu)銹鋼電(dian)(dian)解(jie)除油(you)(you)溶(rong)液的配方及(ji)工作(zuo)條件見表(biao)10-3。
電解除油配(pei)方也可參照表10-2所示的化學除油配(pei)方。

電化(hua)學(xue)除(chu)油(you)時,除(chu)了有機化(hua)學(xue)除(chu)油(you)的(de)皂化(hua)作用外,還在電流的(de)作用下(xia),使水分(fen)子(zi)分(fen)解,在工件表面(mian)析出氣泡(pao)。隨著氣泡(pao)的(de)增大,將油(you)膜(mo)撕裂(lie)脫(tuo)離表面(mian)呈小油(you)滴狀(zhuang)進(jin)入溶液中,產生的(de)氣體對溶液起(qi)攪拌作用,加(jia)速了除(chu)油(you)的(de)速度。電學(xue)除(chu)油(you)所需電流一般為5~10A/dm2。
不銹鋼零件表面處(chu)于陰極時,由于水的電解析出氫氣,化(hua)學反應式如(ru)下:
析出的氫(qing)氣泡(pao)體積小、數量多,擦刷作用(yong)大。
不銹(xiu)鋼零件表(biao)面(mian)處(chu)于陽(yang)極時,析出的是氧氣,其(qi)化學反(fan)應式如下:

析出的氧氣(qi)只(zhi)有氫(qing)氣(qi)體積的一半,除(chu)油(you)效率不(bu)如陰極(ji)除(chu)油(you)大。
除(chu)(chu)油時(shi)(shi)(shi)(shi)間(jian)(jian)分陰(yin)極時(shi)(shi)(shi)(shi)間(jian)(jian)和(he)陽極時(shi)(shi)(shi)(shi)間(jian)(jian)。陰(yin)極時(shi)(shi)(shi)(shi)間(jian)(jian)長(chang)易(yi)除(chu)(chu)去(qu)油,但易(yi)滲氫,造成氫脆,而且易(yi)有(you)金屬雜質析出在(zai)(zai)工件表面(mian),呈黑色沉(chen)淀,故一般易(yi)在(zai)(zai)1~2min內。陽極時(shi)(shi)(shi)(shi)間(jian)(jian)長(chang),雖(sui)有(you)除(chu)(chu)去(qu)表面(mian)在(zai)(zai)陰(yin)極時(shi)(shi)(shi)(shi)析出沉(chen)渣(zha)的作用(yong),但同時(shi)(shi)(shi)(shi)有(you)氧化(hua)作用(yong),時(shi)(shi)(shi)(shi)間(jian)(jian)過(guo)長(chang),特別是在(zai)(zai)氯離子存在(zai)(zai)的情(qing)況下(xia)易(yi)使表面(mian)發生點腐蝕,故一般陽極時(shi)(shi)(shi)(shi)間(jian)(jian)以0.5min 為宜。溶液(ye)(ye)中(zhong)沒(mei)有(you)氯離子存在(zai)(zai)時(shi)(shi)(shi)(shi),也(ye)可在(zai)(zai)專用(yong)陽極除(chu)(chu)油液(ye)(ye)中(zhong)進行5~10min。
為了(le)使不銹(xiu)鋼零件表(biao)(biao)面取得最佳除(chu)油效果,可(ke)采用陰極和陽極的聯(lian)合除(chu)油,即采用表(biao)(biao) 10-3 中的陰、陽極除(chu)油時(shi)間(jian)。從而可(ke)以減(jian)輕不銹(xiu)鋼零件表(biao)(biao)面滲(shen)氫和氧化的作用。

3. 滾動光飾(shi)(滾光)
滾光有滾筒滾光、離心(xin)滾光、離心(xin)盤擦(ca)光和旋(xuan)轉(zhuan)光飾等,適用于(yu)小(xiao)型不銹(xiu)鋼零(ling)件(jian),兼有整平和除氧化皮的作用。
a. 滾筒(tong)滾光
滾筒滾光是將不銹鋼零(ling)件(jian)放(fang)入盛有堿性除油液的(de)滾筒中,利用滾筒的(de)旋轉(zhuan),使(shi)零(ling)件(jian)相互摩擦,達(da)到(dao)表面除油的(de)作用。
如果要除去(qu)氧化皮,可(ke)在滾(gun)筒內加入酸(suan)類和(he)非離子型(xing)表面活(huo)性劑,如OP-10,利用轉動作(zuo)用,既除油,又除氧化皮。
如果要提高不(bu)銹(xiu)鋼零(ling)件(jian)的(de)表(biao)面(mian)光潔度,可在滾筒(tong)內的(de)堿(jian)性溶液中(zhong)加入磨料(liao),利(li)用(yong)轉動中(zhong)零(ling)件(jian)表(biao)面(mian)與磨料(liao)的(de)接觸(chu)摩擦,達(da)到整平表(biao)面(mian),使不(bu)銹(xiu)鋼零(ling)件(jian)表(biao)面(mian)達(da)到光潔的(de)目的(de)。
滾光(guang)可(ke)以全部和部分(fen)替代磨光(guang)和拋光(guang)工作,它適(shi)用于大批量的(de)(de)(de)小零(ling)(ling)件使用。但(dan)不適(shi)用于有外螺(luo)紋的(de)(de)(de)和要求精密(mi)的(de)(de)(de)高光(guang)潔度的(de)(de)(de)零(ling)(ling)件拋光(guang)。
滾筒截(jie)面有圓形(xing)(xing)、六角形(xing)(xing)和八角形(xing)(xing)等形(xing)(xing)式(shi)。
b. 離心滾光
離(li)心(xin)滾(gun)光是(shi)在一個轉(zhuan)(zhuan)(zhuan)(zhuan)(zhuan)(zhuan)塔(ta)(ta)內的(de)四周安(an)放一些裝有(you)零(ling)件(jian)和磨(mo)料的(de)轉(zhuan)(zhuan)(zhuan)(zhuan)(zhuan)(zhuan)筒(tong),轉(zhuan)(zhuan)(zhuan)(zhuan)(zhuan)(zhuan)塔(ta)(ta)高速(su)旋(xuan)轉(zhuan)(zhuan)(zhuan)(zhuan)(zhuan)(zhuan),帶動轉(zhuan)(zhuan)(zhuan)(zhuan)(zhuan)(zhuan)筒(tong)以(yi)低(di)轉(zhuan)(zhuan)(zhuan)(zhuan)(zhuan)(zhuan)動的(de)速(su)度反方向旋(xuan)轉(zhuan)(zhuan)(zhuan)(zhuan)(zhuan)(zhuan)。轉(zhuan)(zhuan)(zhuan)(zhuan)(zhuan)(zhuan)塔(ta)(ta)旋(xuan)轉(zhuan)(zhuan)(zhuan)(zhuan)(zhuan)(zhuan)產生的(de)離(li)心(xin)力使轉(zhuan)(zhuan)(zhuan)(zhuan)(zhuan)(zhuan)筒(tong)中的(de)裝載物壓在一起,轉(zhuan)(zhuan)(zhuan)(zhuan)(zhuan)(zhuan)筒(tong)的(de)旋(xuan)轉(zhuan)(zhuan)(zhuan)(zhuan)(zhuan)(zhuan)使磨(mo)料對(dui)零(ling)件(jian)產生滑動磨(mo)削(xue),從(cong)而起到去除毛(mao)刺(ci)或光飾表面的(de)作用。
離(li)心滾(gun)光(guang)的(de)效率(lv)高(gao)(gao),只需一般滾(gun)光(guang)時間(jian)的(de)1/50。并能保持不(bu)同批次加工的(de)不(bu)銹鋼(gang)零(ling)件的(de)表面質(zhi)量一致,使不(bu)銹鋼(gang)零(ling)件具有高(gao)(gao)的(de)尺寸精度和光(guang)飾質(zhi)量。生產效率(lv)高(gao)(gao),成(cheng)(cheng)本低。其缺點是:只能處理小零(ling)件,設備成(cheng)(cheng)本較高(gao)(gao)。
c. 離心盤擦光
離(li)心盤(pan)(pan)擦光機的(de)(de)主要結構是(shi)圓柱形(xing)容器、碗形(xing)盤(pan)(pan)和驅動(dong)系(xi)統。在固(gu)定不動(dong)的(de)(de)圓柱筒(tong)下部,裝(zhuang)(zhuang)有一個由驅動(dong)系(xi)統帶動(dong)的(de)(de)能高速(su)旋(xuan)(xuan)轉(zhuan)的(de)(de)碗形(xing)盤(pan)(pan),盤(pan)(pan)的(de)(de)線速(su)度可達(da)10m/s。零(ling)件和磨料放入筒(tong)內,工作(zuo)時(shi)由于盤(pan)(pan)的(de)(de)高速(su)旋(xuan)(xuan)轉(zhuan),使裝(zhuang)(zhuang)載(zai)物沿筒(tong)壁(bi)向(xiang)上運(yun)動(dong),其(qi)后因(yin)零(ling)件的(de)(de)自重而從筒(tong)的(de)(de)中心滑落到(dao)離(li)心盤(pan)(pan)中,這樣反(fan)反(fan)復復進行,使裝(zhuang)(zhuang)載(zai)物呈圓筒(tong)形(xing)運(yun)動(dong),從而對不銹鋼零(ling)件產(chan)生磨削(xue)光飾(shi)的(de)(de)作(zuo)用。
d. 旋轉光飾
旋轉(zhuan)光飾是把不銹鋼零件(jian)固定(ding)在一個(ge)轉(zhuan)軸上,并(bing)浸入盛有磨料泥漿的旋轉(zhuan)筒內。零件(jian)表(biao)面受到快速動泥漿的磨削作用而達(da)到光飾加工(gong)的目的。
旋轉(zhuan)光飾適合于(yu)精密而怕碰撞的零件(如齒輪、鏈(lian)輪、軸承(cheng)等),可以去(qu)毛(mao)刺、倒圓(yuan)角,獲(huo)得精細的表面(mian)。但(dan)加(jia)工效(xiao)率低(di),成(cheng)本較(jiao)高。
4. 噴(pen)砂(sha)
適用(yong)于大(da)面(mian)(mian)積(ji)處理,兼有去(qu)污和除去(qu)氧化皮的(de)作用(yong)。噴(pen)砂是用(yong)壓縮空氣將石(shi)英砂噴(pen)在(zai)不(bu)銹鋼(gang)零件(jian)表(biao)面(mian)(mian),對(dui)表(biao)面(mian)(mian)進(jin)行清理或修(xiu)飾加工。噴(pen)砂分為干噴(pen)砂和濕(shi)噴(pen)砂。
噴砂主要是除(chu)去鑄件(jian)、鍛件(jian)或(huo)熱處理后的(de)不(bu)銹鋼零件(jian)表(biao)面(mian)存在的(de)型(xing)砂、氧化皮(pi);除(chu)去不(bu)銹鋼零件(jian)表(biao)面(mian)的(de)銹蝕(shi)物(wu)、積炭、焊渣以及零件(jian)邊緣(yuan)上(shang)的(de)毛刺、磨痕,提(ti)高不(bu)銹鋼零件(jian)表(biao)面(mian)的(de)粗糙(cao)度。

