不銹鋼混(hun)合酸化學腐蝕加工(gong)工(gong)藝流(liu)程(cheng)如下:
一、工藝流程(cheng)
久久99國產精品久久99果凍傳媒:304不銹鋼基體 → 化學除油①→ 熱水洗 → 冷水洗 → 浸蝕② → 水洗 → 水洗 → 晾干 → 絲網印刷③ → 固化④ → 腐蝕加工⑤ → 水洗 → 脫膠⑥ → 烘干 → 成品檢驗入庫。
網框準備:采用鋁合金框及合成纖維絲網,按印料的黏度選用適當目數(150目)的絲網 → 涂感光膠⑦ → 干燥 → 將底片覆蓋在感光膠上曝光 → 顯影⑧ → 水洗 → 干燥 → 制成合格絲網板待絲印用。采用絲網印刷,可提高工作效率和細小線條有較好的分辨率。
注:各道工(gong)序(xu)的(de)溶液成分及操作要(yao)點如下:


二(er)、混合酸(suan)腐(fu)蝕加(jia)工(gong)的工(gong)藝參數(shu)對腐(fu)蝕速率及表(biao)面狀況的影響
1. 溫度的影響
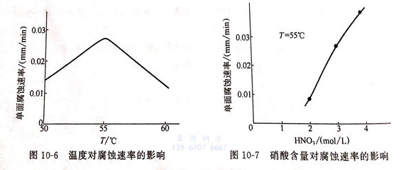
不同溫(wen)度(du)對腐蝕(shi)速率(lv)的影(ying)響見(jian)(jian)圖10-6。由圖10-6可見(jian)(jian),在溫(wen)度(du)55℃左右,腐蝕(shi)速率(lv)達(da)到(dao)最高(gao)(0.027mm/min),溫(wen)度(du)再升(sheng)高(gao),速率(lv)反而(er)下降,溫(wen)度(du)低于(yu)50℃時,表面狀況較差。

2. 硝酸含量的影響
其(qi)他組分不變,硝酸(suan)含(han)量對腐蝕速(su)率(lv)的影響見(jian)圖10-7,腐蝕速(su)率(lv)隨硝酸(suan)含(han)量的升高而增(zeng)高。濃度為3mol/L(相當于189g/L)時,表(biao)面狀況良好,濃度為4mol/L(相當于252g/L)時,表(biao)面粗糙。
3. 鹽(yan)酸含量的影(ying)響
其他組(zu)分不變,鹽度含量(liang)對腐(fu)蝕(shi)速率(lv)的影響見圖(tu)10-8。由圖(tu)10-8可(ke)見,鹽酸濃度為2mol/L(相當(dang)于192g/L)時,腐(fu)蝕(shi)速率(lv)最大,可(ke)達(da)到(dao)0.027mm/min。

4. 氫氟酸含(han)量的影響
其他(ta)組分不變,氫(qing)氟酸(suan)含量對腐蝕速(su)率(lv)的影響(xiang)見(jian)圖10-9,由圖10-9可見(jian),氫(qing)氟酸(suan)濃度為4mol/L(相當于200g/L)時,腐蝕速(su)率(lv)為0.025mm/min.經(jing)腐蝕4~10min,表面(mian)加工深(shen)度可達0.1~0.25mm。
5. 乙酸含量(liang)的影(ying)響
乙(yi)酸(suan)對腐蝕速率沒(mei)有影響。少(shao)(shao)量(liang)的添加可以提高(gao)表面加工的表面光潔度(du),還可以防(fang)止氫氟酸(suan)揮發,減少(shao)(shao)污染(ran)。

