
inconel產品的(de)均勻(yun)腐蝕(shi)可以發(fa)生在(zai)酸(suan)性(xing)或熱的(de)堿性(xing)溶液。通(tong)過這種機制(zhi)可以預計的(de)虧損,并在(zai)設計允許的(de)。inconel產品的(de)腐蝕(shi)速率非常(chang)慢時,該(gai)金屬是在(zai)被動(dong)狀態,一般的(de)是耐腐蝕(shi)性(xing)更(geng)好地較(jiao)大的(de)鉻含(han)量(liang),但其他的(de)溶質可以是有(you)害的(de)。
(00Cr20Ni60Mo8Nb3Ti)Inconel 725 合金(jin)是一(yi)種既(ji)(ji)具有高耐(nai)(nai)蝕(shi)(shi)(shi)(shi)性(xing)又可時效(xiao)(xiao)硬化到極高強(qiang)度的(de)(de)(de)(de)Ni-Cr-Mo-Nb-Ti- Al耐(nai)(nai)蝕(shi)(shi)(shi)(shi)合(he)金(jin)(jin)。此(ci)合(he)金(jin)(jin)的(de)(de)(de)(de)耐(nai)(nai)蝕(shi)(shi)(shi)(shi)性(xing)基(ji)(ji)本上(shang)與(yu)已(yi)廣泛(fan)使用(yong)的(de)(de)(de)(de)Inconel 625合(he)金(jin)(jin)一(yi)致(zhi),時效(xiao)(xiao)硬化處理的(de)(de)(de)(de)725合(he)金(jin)(jin)的(de)(de)(de)(de)強(qiang)度水(shui)平(ping)是625合(he)金(jin)(jin)的(de)(de)(de)(de)2倍(bei),并且其塑韌性(xing)仍保持(chi)較高的(de)(de)(de)(de)水(shui)平(ping)。對于在(zai)腐蝕(shi)(shi)(shi)(shi)環境中應(ying)用(yong),既(ji)(ji)要(yao)求(qiu)具有優異耐(nai)(nai)蝕(shi)(shi)(shi)(shi)性(xing)又要(yao)求(qiu)具有高強(qiang)和高的(de)(de)(de)(de)塑韌性(xing)的(de)(de)(de)(de)服役條件,一(yi)些大型(xing)部件或截面尺寸不均勻(yun)的(de)(de)(de)(de)部件不能釆用(yong)冷(leng)加工的(de)(de)(de)(de)強(qiang)化措施,這(zhe)種時效(xiao)(xiao)硬化型(xing)鐐基(ji)(ji)耐(nai)(nai)蝕(shi)(shi)(shi)(shi)合(he)金(jin)(jin)不失是一(yi)種最佳(jia)選擇。Inconel 725合(he)金(jin)(jin)已(yi)在(zai)酸(suan)性(xing)氣田開發中得到成功應(ying)用(yong)。
一、化學(xue)成分特點和(he)組織結構(gou)
(00Cr20Ni60Mo8Nb3Ti)Inconel 725 合金(jin)的(de)(de)化(hua)學成分(fen)見(jian)表 8-7。合金(jin)的(de)(de) Cr、Ni、Mo、Nb 含量(liang)與625合金(jin)基(ji)本一致(zhi),這是此合金(jin)的(de)(de)耐蝕(shi)特性與625合金(jin)一致(zhi)的(de)(de)根本原因,兩(liang)者(zhe)(zhe)的(de)(de)差別(bie)在于725合金(jin)中的(de)(de)碳(tan)降到(dao)0.03%以(yi)下,并加入(ru)Ti和Al,前(qian)者(zhe)(zhe)減少了碳(tan)化(hua)物析出敏感性而提高耐晶間腐蝕(shi)能(neng)(neng)力,后者(zhe)(zhe)賦(fu)予了合金(jin)的(de)(de)時效強化(hua)功能(neng)(neng)。


(00Cr20Ni60Mo8Nb3Ti)Inconel 725 合金在固溶退火狀態下為純奧氏體合金,在時效狀態下有碳化物和金屬間相形成,碳化物以M6C為主并有MC和M23C6型碳化物形成,此合金金屬間相為[Ni3(Nb,Ti,Al)],后者為合金的主要時效強化相, 其功能是提高合金的強度。
二、力學(xue)性能
(00Cr20Ni60Mo8Nb3Ti)Inconel 725 合金的室溫(wen)力(li)學性能(neng)見(jian)表(biao)8-106。時效硬化棒(bang)材高溫(wen)瞬時力(li)學性能(neng)見(jian)圖 8-92。16~16.5mm棒(bang)材(固溶(rong)+時效硬化處理)的高溫(wen)瞬時力(li)學性能(neng)列于表(biao) 8-107。


三、耐蝕性能(neng)
1. 全面腐蝕(shi)
在酸溶液中(zhong),不同熱(re)處理狀態的725合(he)(he)金(jin)(jin)的耐蝕(shi)性列(lie)于(yu)表8-108,為了(le)比較 引(yin)入了(le)文獻中(zhong)的625和C-276合(he)(he)金(jin)(jin),顯然725合(he)(he)金(jin)(jin)的耐蝕(shi)性可與退(tui)火態的625合(he)(he)金(jin)(jin)和 C-276合(he)(he)金(jin)(jin)媲美。

表 8-109 為(wei)725合金在酸(suan)性介質中(zhong)的耐(nai)蝕性隨試(shi)驗時(shi)間和介質溫度的變化而 發(fa)生的變化。

2. 應力腐蝕
在判定(ding)由硫化物引起(qi)的(de)應(ying)力腐蝕(shi)(shi)(氫脆(cui))的(de)標(biao)準試驗(yan)中(NACET M0177 ),725 合(he)金的(de)腐蝕(shi)(shi)數據(ju)見表8-110。這些數據(ju)指岀725合(he)金優于625合(he)金和718合(he)金。

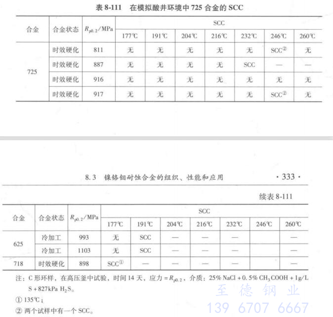
在模擬(ni)酸(suan)性井環(huan)境中,725合(he)金(jin)的應力腐蝕(shi)行為見表(biao)8-111 和(he)圖8-93。725 合(he)金(jin)的耐SCC性能(neng)優(you)于(yu)冷加工的625合(he)金(jin)、G-3合(he)金(jin)、925合(he)金(jin)、825合(he)金(jin)和(he)718 合(he)金(jin),近于(yu)C-276合(he)金(jin)。


3. 耐(nai)縫隙(xi)腐蝕(shi)性能和腐蝕(shi)疲勞
時效(xiao)狀態(tai)的725合金(jin)的耐縫隙腐蝕性能優于(yu)退(tui)火(huo)態(tai)的625合金(jin)(表8-112), 在海水中的疲勞性能與空氣(qi)中的一致(圖8-94)。


四、熱(re)處理、熱(re)成型和焊接性能
1. 熱(re)處(chu)理
(00Cr20Ni60Mo8Nb3Ti)Inconel 725 合(he)(he)金的強化是依賴于(yu)時效(xiao)處理 γ''相(xiang)沉(chen)淀實現的,時效(xiao)前應使合(he)(he)金固溶退(tui)火,然后再施以(yi)時效(xiao)處理。
固(gu)溶(rong)退火:1040℃ 固(gu)溶(rong),AC(空冷)。
時效處(chu)(chu)理:對(dui)于酸性氣井應用, 推薦下述處(chu)(chu)理工藝(yi),730℃×8 h 、爐冷(leng) (56℃/h)至620℃ × 8h, AC。
2. 熱成型(xing)
725合(he)金的(de)適宜熱(re)成(cheng)型(xing)溫度為(wei)(wei) 899~1121℃,因(yin)其(qi)強度高,熱(re)成(cheng)型(xing)設(she)備應(ying)具(ju)(ju)有足夠(gou)的(de)變形力(li)。為(wei)(wei)使部(bu)件具(ju)(ju)有均勻(yun)(yun)一(yi)(yi)致的(de)變形,在變形的(de)低(di)溫區(qu)(890 ~950℃)應(ying)適度減少壓(ya)縮(suo)(suo)量(liang)。為(wei)(wei)了避免混晶結構,應(ying)給予合(he)金較均勻(yun)(yun)的(de)壓(ya)縮(suo)(suo)量(liang),對于(yu)開(kai)口模(mo)熱(re)作,最終(zhong)的(de)壓(ya)縮(suo)(suo)量(liang)應(ying)大于(yu)20%,對于(yu)閉口模(mo)熱(re)作,最終(zhong)變形量(liang)應(ying)大于(yu)10% ,熱(re)作后空(kong)冷。在熱(re)作過(guo)程中既要(yao)避免 過(guo)熱(re)又要(yao)避免低(di)于(yu)899℃的(de)冷點出現(xian),一(yi)(yi)旦出現(xian)表(biao)面裂紋或其(qi)他(ta)缺(que)陷(xian)要(yao)即(ji)時去除(chu)。建議將熱(re)作工具(ju)(ju)和模(mo)具(ju)(ju)預熱(re)到(dao)260℃,對消(xiao)除(chu)部(bu)件表(biao)面裂紋和缺(que)陷(xian)是(shi)有益的(de)。
3. 焊接(jie)
725合金最適宜的焊接方式是GTAW和GMAW,不推薦使用SAW和SMAW, 充填金屬應采用725NDUR,以確保焊件的強度。表8-113 為采用725NDUR焊絲堆焊1層在 5% NaCI +517kPa H2S +2758kPa CO2, 149℃ 環境下的慢速拉伸試驗數據。表中的數據為在腐蝕環境和空氣中采用相同慢速拉伸參數所獲得的數據 比,通常這個比值在0.90以上是可接受的。表8-114 為725NDUR焊縫金屬 (GMA)的室溫力學性能,表8-115 其沖擊性能。


表(biao)(biao)8-114 和 表(biao)(biao)8-115的(de)數據說明(ming),焊后高(gao)溫退火再經雙時效處理可使其沖擊韌(ren)性(xing)明(ming)顯(xian)提高(gao)。
五(wu)、物理性能(neng)
(00Cr20Ni60Mo8Nb3Ti)Inconel 725 合金物理性(xing)能分別見表8-116 ~表8-118。


六(liu)、應(ying)用
(00Cr20Ni60Mo8Nb3Ti)Inconel 725 合(he)金(jin)集(ji)耐腐蝕(shi)性與(yu)高(gao)強(qiang)(qiang)(qiang)度于一(yi)身(shen),它主要應(ying)用(yong)于耐蝕(shi)環(huan)境(jing)的(de)高(gao)強(qiang)(qiang)(qiang)度部件(jian),在(zai)酸性氣井的(de)環(huan)境(jing)中它已用(yong)作(zuo)懸掛件(jian)、偏心(xin)工作(zuo)筒(tong),拋光座圈和地面接頭等,用(yong)以抵抗硫化氫、氯化物(wu)和二(er)氧化碳的(de)腐蝕(shi)。因(yin)725合(he)金(jin)具有與(yu)625合(he)金(jin)相當(dang)的(de)耐蝕(shi)性,它亦(yi)是在(zai)海(hai)水中高(gao)強(qiang)(qiang)(qiang)度緊固件(jian)的(de)優(you)選(xuan)材料,在(zai)海(hai)水中提供了(le)(le)良好的(de)耐點蝕(shi)、耐縫隙腐蝕(shi)性能。此外(wai),此合(he)金(jin)特別適宜用(yong)做聚合(he)物(wu)的(de)擠(ji)壓(ya)模,在(zai)要求高(gao)強(qiang)(qiang)(qiang)度的(de)強(qiang)(qiang)(qiang)腐蝕(shi)環(huan)境(jing)服役條(tiao)件(jian)下,它亦(yi)提供了(le)(le)高(gao)強(qiang)(qiang)(qiang)度和耐蝕(shi)性的(de)雙重性能。
