可鍛鑄鐵是(shi)將白(bai)口鑄鐵坯件通過(guo)石墨化或氧化脫碳熱處(chu)理,改(gai)變(bian)其金相(xiang)組織(zhi)或成分,而(er)獲得(de)具有較高韌(ren)性(xing)的一種鑄鐵件。與(yu)(yu)灰鑄鐵管(guan)(guan)件相(xiang)比(bi),可鍛鑄鐵管(guan)(guan)件的優點是(shi)具有韌(ren)性(xing),其屈服強度與(yu)(yu)鋼近(jin)似。
可鍛鑄鐵管件與管子的(de)連接為(wei)(wei)螺紋連接,通常適(shi)用于公稱通徑(jing)為(wei)(wei)6~150 mm(即(ji)DN6~DN150),輸送水、油、空氣、煤氣、蒸汽用的(de)一般管路連接上(shang)。
1. 彎頭、三通(tong)(tong)和四通(tong)(tong)
彎頭(tou)、三(san)通和四通型式見(jian)圖 7-1 ,尺寸見(jian)表 7-2 。


2. 異徑彎頭
異(yi)徑彎頭型式(shi)見圖 7-2,尺寸見表 7-3。

3. 45°彎(wan)頭
45°彎(wan)頭型(xing)式見(jian)圖 7-3 ,尺(chi)寸(cun)見(jian)表 7-4 。

4. 中(zhong)大(da)、中(zhong)小異徑三通
中(zhong)大、中(zhong)小異徑三通型式見圖 7-4 ,尺寸見表 7-5 。



5. 異徑三(san)通
異徑三(san)通型(xing)式(shi)見圖(tu) 7-5 ,尺寸見表(biao) 7-6 。

6. 異徑(jing)四通
異徑四通型式見(jian)圖 7-6 ,尺寸見(jian)表 7-7 。

7. 短(duan)月彎、單彎三(san)通和雙(shuang)彎彎頭
短月彎、單彎三通(tong)和雙彎彎頭型式見圖 7-7 ,尺寸見表 7-8 。

8. 異徑單彎(wan)三(san)通
異徑單彎(wan)三通型式(shi)見圖 7-8 ,尺寸見表 7-9 。

9. 異徑雙彎彎頭
異徑雙彎彎頭型(xing)式見圖 7-9 ,尺(chi)寸見表 7-10 。

10. 長月彎
長月彎型式見圖(tu) 7-10 ,尺寸見表(biao) 7-11 。

11. 45°月彎(wan)
45°月彎(wan)型式(shi)見圖 7-11 ,尺寸見表 7-12 。

12. 外接頭
外接頭(tou)型式見圖 7-12 ,尺(chi)寸見表 7-13 。


13. 內外絲接頭
內外(wai)絲(si)接頭型(xing)式見(jian)圖 7-13 ,尺寸見(jian)表 7-14 。

14. 內外螺絲(si)
內外螺絲型式見圖 7-14 ,尺寸見表 7-15 。


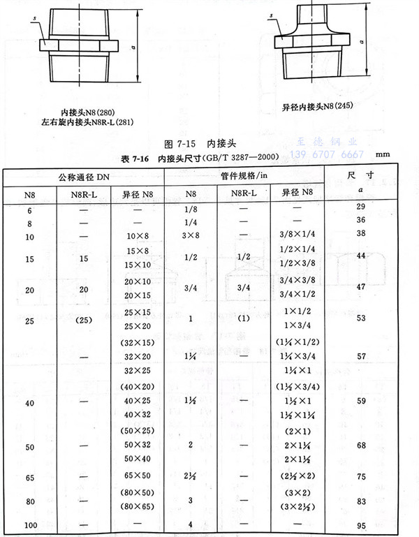
15. 內接頭(tou)
內接頭(tou)見圖 7-15 ,尺寸見表 7-16 。

16. 鎖緊螺母(mu)
鎖緊(jin)螺(luo)母(mu)型式見圖7-16,尺寸見表7-17。鎖緊(jin)螺(luo)母(mu)可以是(shi)平(ping)的或凹入式的,允許加(jia)工(gong)一個(ge)表面。s尺寸(扳手對邊寬度)由制造商自行決定。螺(luo)紋(wen)應符合GB/T 7307《非(fei)螺(luo)紋(wen)密封管螺(luo)紋(wen)》的規定。

17. 管帽和管堵
管帽和管堵型式見(jian)圖7-17,尺寸(cun)見(jian)表7-18。管帽可以是六邊形、圓(yuan)形或其他形狀,由制造方決定。

18. 活接頭
活接頭型式見圖7-18,尺寸見表7-19。其他類型座的設計和材料應符合表中所給出的尺寸a、b。 墊圈見7.2.20條。 活(huo)接頭U1和U2可(ke)否同套管一起供應由制造方決定。

注(zhu):活(huo)接頭(tou)(無(wu)論是(shi)否有(you)適合(he)于(yu)閥座設計的(de)墊圈)應作為(wei)一(yi)個完(wan)整組件來(lai)使用,因為(wei)活(huo)接頭(tou)的(de)部件可以由不(bu)同的(de)制造(zao)商來(lai)加工,也(ye)可以不(bu)同類型活(huo)接頭(tou)的(de)部件由同一(yi)個制造(zao)商來(lai)做(zuo),這些部件沒(mei)有(you)必要(要求(qiu))具有(you)互換性(xing)。
19. 活接彎頭
活(huo)接彎頭(tou)型(xing)式見圖7-19,尺寸(cun)見表(biao)7-20。其(qi)他類(lei)型(xing)座(zuo)的設計和材料應符合表(biao)中給出的尺寸(cun)a、b和c。


注:活接頭(無論是(shi)否有適合于閥(fa)座設計的(de)墊圈)應作為一個完整組件(jian)來(lai)使用(yong),因為活接頭的(de)部件(jian)可以(yi)由(you)不同的(de)制(zhi)造(zao)商來(lai)加工,也可以(yi)不同類型活接頭的(de)部件(jian)由(you)同一個制(zhi)造(zao)商來(lai)做,這些部件(jian)沒有必(bi)要(要求)具(ju)有互換(huan)性。
20. 墊圈(quan)
墊圈的(de)型式(shi)見圖 7-20 ,尺寸(cun)見表 7-21 。

墊圈材(cai)料和厚度根據用途,訂貨(huo)時(shi)由供需雙方協定。

