S44091 11Cr17 不銹鋼主要特性和用途
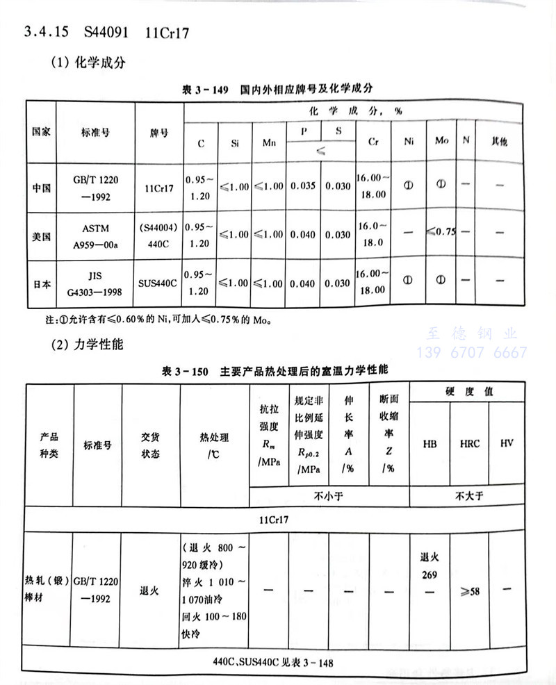
碳(tan)含(han)量高(0.95%~1.20%),是目前所有(you)不銹鋼(gang)和耐熱鋼(gang)中最(zui)硬的鋼(gang)號,淬火(huo)并(bing)回火(huo)后的HRC≥58。
用于(yu)制造噴嘴、軸承等。


發(fa)布日期:2024-03-04 17:24:55 人氣:625
S44091 11Cr17 不銹鋼主要特性和用途
碳(tan)含(han)量高(0.95%~1.20%),是目前所有(you)不銹鋼(gang)和耐熱鋼(gang)中最(zui)硬的鋼(gang)號,淬火(huo)并(bing)回火(huo)后的HRC≥58。
用于(yu)制造噴嘴、軸承等。

