新中國成立后,我國不銹(xiu)鋼(gang)焊管工業才有了新生。為了盡快發展我國焊管工業體系,“一五期間”,國家先后從德國和蘇聯引進了三套直縫不銹鋼焊管機組和一套螺旋焊管機組,分別建設在北京、上海、天津和寶雞。這些機組的建設投產,拉開了我國焊管工業發展的序幕。
1. 我國(guo)不銹鋼焊管生產線產能(neng)情(qing)況
據不完全統計我國現有不銹鋼焊管生產線約3000條(僅含個別典型不銹鋼鋼管生產線),詳見表7-1,總產能約有7000萬噸,詳見表7-2。直縫埋弧焊接鋼管生產線36條(包括UOE、JCOE、JCO),產能約723萬噸;Φ426mm、方400mm×400mm及以上大口徑高頻直縫不銹鋼(gang)焊管(ERW/HFW)生產線32條,產能約691萬噸;ф219~406mm 高頻直縫焊接鋼管(ERW/HFW)生產線約80條,產能約1000萬噸;φ102~180mm 高頻直縫焊接鋼管(ERW/HFW)生產線約420條,產能約2000萬噸;小于φ89mm高頻直縫焊接鋼管(ERW/HFW)生產線約2000多條,產能約1600萬噸;螺旋埋弧焊接鋼管生產線約400條(含預精焊生產線9條),產能約1000萬噸。


2. 我國不銹(xiu)鋼焊管生產(chan)線產(chan)能(neng)按(an)區域分(fen)布情(qing)況
根據(ju)估(gu)算統計,我國焊(han)管(guan)(guan)生(sheng)產線(xian)約3000條(tiao),其(qi)中華(hua)北(bei)地(di)(di)(di)(di)區(qu)焊(han)管(guan)(guan)生(sheng)產線(xian)約1550條(tiao),產能(neng)約2878萬噸(dun),占比約60%;華(hua)東地(di)(di)(di)(di)區(qu)焊(han)管(guan)(guan)生(sheng)產線(xian)約570條(tiao),產能(neng)約910萬噸(dun),占比19%,兩(liang)個地(di)(di)(di)(di)區(qu)合起來約占焊(han)管(guan)(guan)總產能(neng)的(de)(de)79%。上述兩(liang)個區(qu)域生(sheng)產線(xian)較高(gao)的(de)(de)原因,一是(shi)天津的(de)(de)大(da)邱莊,歷史上就(jiu)是(shi)我國北(bei)方地(di)(di)(di)(di)區(qu)焊(han)管(guan)(guan)的(de)(de)發源(yuan)地(di)(di)(di)(di),現在是(shi)我國焊(han)管(guan)(guan)最(zui)大(da)的(de)(de)生(sheng)產基地(di)(di)(di)(di);二是(shi)河北(bei)的(de)(de)滄州地(di)(di)(di)(di)區(qu),不僅焊(han)管(guan)(guan)生(sheng)產線(xian)數量(liang)多而(er)且管(guan)(guan)件(彎(wan)頭(tou)、三(san)通、法(fa)蘭等)也(ye)是(shi)我國最(zui)大(da)的(de)(de)制造(zao)基地(di)(di)(di)(di);三(san)是(shi)霸州勝(sheng)芳鎮(zhen),是(shi)北(bei)方小口徑(jing)焊(han)管(guan)(guan)和(he)方矩形管(guan)(guan)生(sheng)產的(de)(de)集聚(ju)地(di)(di)(di)(di);四(si)是(shi)無錫錢橋鎮(zhen)也(ye)是(shi)小口徑(jing)焊(han)管(guan)(guan)和(he)方矩形管(guan)(guan)生(sheng)產線(xian)集中地(di)(di)(di)(di)區(qu)。

3. 我國主要不銹鋼焊管生產線和產能分(fen)布情況
a. 直縫埋弧不銹鋼(gang)焊管生產線和產能分布情況如表
我(wo)國(guo)直(zhi)縫(feng)(feng)埋弧(hu)焊(han)接(jie)鋼管(guan)生產線(xian)共有36條,產能(neng)合計723萬噸,生產線(xian)主要分布(bu)在華東(dong)和(he)華北(bei)地(di)區,上述兩(liang)個地(di)區產能(neng)分別為378萬噸和(he)195萬噸,占我(wo)國(guo)直(zhi)縫(feng)(feng)埋弧(hu)焊(han)接(jie)鋼管(guan)產能(neng)的52.0%和(he)27.0%。


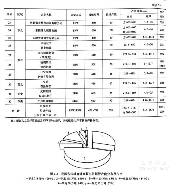
b. Φ426mm及以上大口徑(jing)直(zhi)縫高頻電阻焊管生產線和產能分布如表7-4所示。


我國(Φ426mm及以上)ERW/HFW直縫(feng)高頻電阻焊(han)管生產(chan)(chan)(chan)線總計32條(tiao),產(chan)(chan)(chan)能691萬噸(dun),生產(chan)(chan)(chan)線主(zhu)要(yao)分布在華(hua)東(dong)和華(hua)北(bei)地(di)區(qu)(qu)。其中(zhong)華(hua)東(dong)地(di)區(qu)(qu)有11條(tiao),產(chan)(chan)(chan)能198萬噸(dun),占(zhan)比(bi)28.7%;華(hua)北(bei)地(di)區(qu)(qu)有14條(tiao),產(chan)(chan)(chan)能318萬噸(dun),占(zhan)比(bi)46%。這兩個地(di)區(qu)(qu)合計產(chan)(chan)(chan)能516萬噸(dun),占(zhan)比(bi)74.7%。而我國西南地(di)區(qu)(qu)該類生產(chan)(chan)(chan)線處于空白。



