現行不(bu)銹鋼卡(ka)壓式管(guan)件國家標準有:GB/T 19228.1-2003《不銹鋼卡壓式管件》、GB/T 19228.2-2003《不銹鋼卡壓式管件連接用薄壁不(bu)銹鋼管》及GB/T 19228.3-2003《不銹鋼卡壓式管件用橡膠O形密封圈》。GB/T 19228.1所規定的不銹鋼卡壓式管件結構尺寸及承口部連接尺寸共分為兩個系列:I系列尺寸與德國煤氣和給水專業人員聯合會規程 DVGW W534:1995《飲水裝置中的管接頭》標準中不銹鋼卡壓式管件的尺寸等同;II系列尺寸與日本自來水協會標準JWWA G116-2001《供水管道用不銹鋼管接頭》的尺寸等同。GB/T 19228.2中,對于Ⅰ系列管件用薄壁不(bu)銹鋼管的管子外徑與歐共體標準DIN EN 10312:1999《液體(包括飲用水)輸送用不銹鋼管及管件》相一致;對于II系列管件用薄壁不銹鋼管的管子外徑,則與日本標準JIS G3448-1997《一般管道用不銹鋼管》相一致。GB/T 19228.3中,關于密封圈的物理性能,主要參考采用了歐共體標準EN 681-1:1998《彈性密封件 給排水用管道連接密封件的材料要求 第1部分:硫化橡膠》的要求。
不銹鋼卡(ka)壓式管件結構型式與尺寸如下:
1. 管件承口
a.Ⅰ系列(lie)管件承口(kou)型式見圖12-1,尺(chi)寸見表12-3。
b. Ⅱ系列管件(jian)承口型式見(jian)圖(tu)12-1,尺寸見(jian)表12-4。
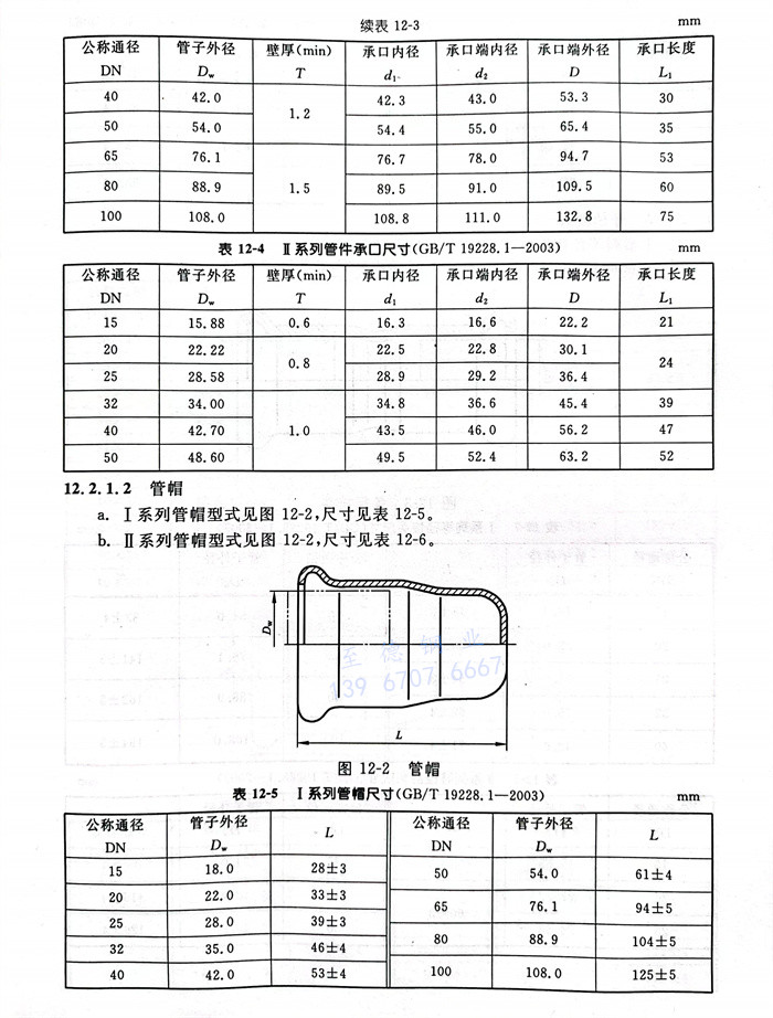
2. 管帽
a.Ⅰ系列管(guan)帽型(xing)式見(jian)(jian)圖(tu)12-2,尺寸見(jian)(jian)表12-5。
b. Ⅱ系列(lie)管帽型式見(jian)圖12-2,尺寸見(jian)表12-6。
3. 等徑接頭
a.Ⅰ系列等(deng)徑接(jie)頭型式見圖12-3,尺寸(cun)見表12-7。
b. Ⅱ系列等徑接(jie)頭(tou)型式見(jian)圖12-3,尺寸見(jian)表12-8。



4. 異徑(jing)接頭
a.Ⅰ系列異徑接頭(tou)型式見圖12-4,尺寸見表12-9。
b. Ⅱ系列異徑接頭型式見圖12-5,尺寸見表12-10。

5. 等徑三(san)通
a.Ⅰ系列等徑(jing)三通 型(xing)式見圖12-6,尺寸見表12-11。
b. Ⅱ系列等徑三通 型式見(jian)圖12-6,尺寸(cun)見(jian)表12-12。

6. 異徑三通
a.Ⅰ系列(lie)異徑(jing)三通型(xing)式見圖12-7,尺寸見表12-13。
b. Ⅱ系列(lie)異徑三通型式(shi)見圖12-7,尺(chi)寸見表(biao)12-14。
7. 90°彎頭
a.Ⅰ系列90°彎頭(tou)型式見(jian)圖12-8,尺寸見(jian)表12-15。
b. Ⅱ系列90°彎頭型式(shi)見(jian)圖12-8,尺寸見(jian)表12-16。
8. 45°彎頭(tou)
a.Ⅰ系列(lie)45°彎頭(tou)型(xing)式見(jian)圖(tu)12-9,尺寸見(jian)表(biao)12-17。
b. Ⅱ系列45°彎頭型式見(jian)(jian)圖12-9,尺寸見(jian)(jian)表12-18。



9. 內螺紋轉換接頭
a.Ⅰ系列內螺紋(wen)轉(zhuan)換(huan)接頭型式見圖12-10,尺寸見表12-19。
b. Ⅱ系(xi)列內(nei)螺紋轉(zhuan)換接頭型(xing)式見圖12-10,尺寸(cun)見表(biao)12-20。
10. 內螺紋(wen)轉換接頭(tou)
a.Ⅰ系列外螺紋轉換接頭(tou)型式見(jian)圖12-11,尺寸見(jian)表12-21。
b. Ⅱ系(xi)列(lie)外(wai)螺紋(wen)轉換接頭型式見圖12-11,尺寸見表12-22。



