引進型600MW 機組及300MW 機組用管件包括火電廠鍛制、焊制三(san)通及熱壓三通兩種尺寸。
a. 引進型600MW機(ji)組鍛制(zhi)(zhi)、焊制(zhi)(zhi)三(san)通結構型式(shi)見圖13-5,尺寸見表(biao)13-10;引進型300MW 機(ji)組鍛制(zhi)(zhi)、焊制(zhi)(zhi)三(san)通結構型式(shi)見圖13-5,尺寸見表(biao)13-11;



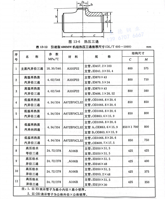
b. 引(yin)進(jin)型(xing)600MW 機組熱壓三通(tong)結(jie)構型(xing)式(shi)見圖(tu)13-6,尺寸(cun)見表(biao)13-12;引(yin)進(jin)型(xing)300MW機組熱壓三通(tong)結(jie)構型(xing)式(shi)見圖(tu)13-6,尺寸(cun)見表(biao)13-13。




