1. 大(da)氣暴曬試驗
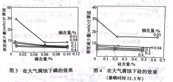
久久99國產精品久久99果凍傳媒:耐候鋼具有的優秀特性之一就是耐候性,然而為了知道暴露在大氣中的鋼材怎樣地被腐蝕則需要非常長的時間。如前所述,U.S.Steel公司在各個暴曬試驗場進行了長期的試驗,該公司的Larabee關于合金元素的效果曾經發表過圖1~圖4所示的實驗結果。根據些圖可以知道,對大氣腐蝕最有效果的元素是銅,0.1%銅的鋼和0.01%銅的鋼其耐蝕性顯著不同。現把單獨添加其他合金元素時的效果分別總結如下。


對提高耐候性有顯著效果的元素:P、Cu、Cr;
對提高耐候性稍(shao)有(you)效(xiao)果的元素:Ni、Mo、V、Nb、Ti 等。
對提高(gao)耐(nai)候(hou)性(xing)沒有(you)效果的(de)元素(su):C、Si、Mn、S。
在這里(li)重(zhong)要的(de)(de)是(shi):這些合金元(yuan)素(su)復(fu)(fu)合添(tian)加(jia),可(ke)以(yi)獲得比分別單獨(du)添(tian)加(jia)更高的(de)(de)雙重(zhong)效果,Cr、P等與(yu)Cu共存最初發(fa)揮(hui)作用的(de)(de)結(jie)果表示在圖2~圖4。復(fu)(fu)合添(tian)加(jia)的(de)(de)代表是(shi)U.S.Steel公司開發(fa)的(de)(de)添(tian)加(jia)了Cu-P-Cr-Ni的(de)(de)COR-TEN鋼,把這種(zhong)鋼的(de)(de)耐候性與(yu)碳(tan)素(su)鋼及含銅鋼的(de)(de)進行比較,結(jie)果表示于圖5。

日本與美國相(xiang)比,一般(ban)來說由于高(gao)溫、潮濕,大(da)氣腐蝕嚴(yan)重,環(huan)(huan)境(jing)條件比較嚴(yan)酷。因(yin)此(ci),日本各公司分別(bie)在(zai)(zai)不同環(huan)(huan)境(jing)條件的(de)(de)各地(di)區(qu)進(jin)(jin)行(xing)了(le)暴曬(shai)試驗,圖(tu)6及(ji)圖(tu)7分別(bie)示出了(le)在(zai)(zai)腐蝕環(huan)(huan)境(jing)嚴(yan)酷的(de)(de)工業(ye)地(di)帶(dai)尼崎地(di)區(qu)和環(huan)(huan)境(jing)比較好的(de)(de)半田(tian)園地(di)帶(dai)的(de)(de)相(xiang)模原地(di)區(qu)所獲得的(de)(de)有關COR-TEN鋼(gang)的(de)(de)暴曬(shai)試驗結(jie)果(guo)。如(ru)(ru)果(guo)根據這些(xie)圖(tu)來比較暴曬(shai)時間第7年(nian)的(de)(de)腐蝕減(jian)量時,尼崎地(di)區(qu)的(de)(de)場合(he)COR-TEN鋼(gang)只不過是(shi)(shi)碳素鋼(gang)的(de)(de)26%.如(ru)(ru)果(guo)改變方法來比較厚度(du)減(jian)少到(dao)0.1mm的(de)(de)時間時,COR-TEN鋼(gang)為(wei)5年(nian)左右(you),在(zai)(zai)此(ci)以后腐蝕減(jian)量大(da)為(wei)下降;而含銅(tong)鋼(gang)是(shi)(shi)2.5年(nian),490MPa(50kg/m㎡)級高(gao)強度(du)鋼(gang)是(shi)(shi)1年(nian),碳素鋼(gang)是(shi)(shi)9個月,而且因(yin)為(wei)COR-TEN鋼(gang)以外的(de)(de)鋼(gang)種(zhong)腐蝕一直沒有發生鈍化(hua),所以使其差別(bie)進(jin)(jin)一步增(zeng)大(da)。在(zai)(zai)進(jin)(jin)行(xing)鋼(gang)鐵結(jie)構物的(de)(de)設計時,如(ru)(ru)果(guo)考慮鋼(gang)材銹所起到(dao)的(de)(de)作用,人(ren)們將會容(rong)易理解耐候鋼(gang)的(de)(de)優越性。

半田園地區與(yu)工(gong)業地區相比腐(fu)蝕量顯著減少(shao),所(suo)以耐候(hou)鋼和碳素鋼的(de)(de)腐(fu)蝕量的(de)(de)差別不太大,然而這(zhe)是由于大氣(qi)中所(suo)含的(de)(de)二氧化硫(liu)濃度(du)在工(gong)業地區高的(de)(de)原(yuan)因。
2. 環境(jing)因子對大氣腐蝕的影響
像尼崎和相模原地區在(zai)大(da)氣(qi)(qi)腐(fu)蝕上的(de)(de)差別那(nei)樣(yang),鋼(gang)鐵的(de)(de)含(han)銅鋼(gang)大(da)氣(qi)(qi)腐(fu)蝕受(shou)氣(qi)(qi)候(hou)要素(氣(qi)(qi)溫、濕耐候(hou)鋼(gang)度、降雨量等)或大(da)氣(qi)(qi)污(wu)染(ran)因子(zi)(zi)(二(er)氧化硫(liu)、海鹽粒(li)子(zi)(zi)、沉積煤塵等)等環境因子(zi)(zi)的(de)(de)影響(xiang)。
通過(guo)這些公式可以說,在任何公式中二氧化硫濃度的(de)(de)影(ying)響最大。根據福井等(deng)的(de)(de)研究,如果把(4)、(5)、(6)各式和實(shi)測值進行比較時,如表3出示的(de)(de)式(6)的(de)(de)簡略式的(de)(de)計算值與實(shi)測值非常一致,表明鋼鐵的(de)(de)大氣(qi)腐蝕事實(shi)上(shang)可以作(zuo)為(wei)二氧化硫濃度的(de)(de)函數求出來(lai)。

3. 關于耐候(hou)性的考察
如果(guo)把不(bu)銹(xiu)鋼(gang)暴(bao)露在大氣中時,就會(hui)在表(biao)面上生(sheng)成(cheng)穩定而(er)且很薄的氧(yang)化覆膜(鈍(dun)化覆膜),以后不(bu)再被氧(yang)化,永遠不(bu)會(hui)失去光澤(ze),可是把候鋼(gang)放在大氣中進行暴(bao)曬時則生(sheng)成(cheng)銹(xiu),和碳素鋼(gang)的外(wai)觀完全不(bu)同。而(er)且在腐(fu)蝕(shi)進行中一旦生(sheng)成(cheng)某種程度(du)的銹(xiu)層(ceng)時,耐候鋼(gang)的銹(xiu)層(ceng)就會(hui)對腐(fu)蝕(shi)起保護作用(yong),顯著地抑(yi)制以后的腐(fu)蝕(shi),然(ran)而(er)因(yin)為(wei)碳素鋼(gang)的銹(xiu)層(ceng)沒(mei)有這(zhe)樣的抑(yi)制效果(guo),在腐(fu)蝕(shi)量(liang)上產(chan)生(sheng)差異,所(suo)以當然(ran)認為(wei)耐候鋼(gang)的特長(chang)就在于這(zhe)種銹(xiu)層(ceng)的保護效果(guo)。
關于這一點,耐(nai)候(hou)鋼(gang)(gang)和(he)碳素鋼(gang)(gang)是同樣的,如圖8所示,在(zai)腐蝕初期耐(nai)候(hou)鋼(gang)(gang)的銹的生成較快。可是隨著長(chang)時間(jian)暴(bao)曬,初期的紅銹在(zai)大氣干濕交(jiao)替之中,在(zai)鄰接鋼(gang)(gang)的表面部分慢慢形(xing)成帶(dai)有(you)藍色的銹層,一般也被稱為“自涂漆(qi)鋼(gang)(gang)”。

像上述(shu)那樣進行直觀的考慮時,可(ke)以認為在耐候鋼上因為能(neng)形(xing)成(cheng)致密(mi)而且粘附性良好的銹層(ceng),所以能(neng)夠(gou)阻(zu)礙(ai)水、氧(yang)、二(er)氧(yang)化硫等腐蝕性物質的滲透。例如(ru)Cadius和Schulz[6]就認為鋼(gang)中含有(you)銅時,在褐色銹的下面能(neng)生成(cheng)致密(mi)的CuO和FeO、Fe2O3·H2O混合(he)的(de)黑色銹層(ceng),在黑色銹層(ceng)下面(mian)進一步形成Cu·CuO層(ceng),通過這種致密銹的(de)保護作用提高了(le)耐(nai)蝕性。
但是,根據Mayne7的(de)觀點(dian),即使有致密銹層(ceng)的(de)存在也難以(yi)認為能(neng)夠充(chong)分(fen)阻止水和氧的(de)透(tou)(tou)過(guo)(guo)(guo),像(xiang)(xiang)涂膜之類的(de)物質,鋼鐵腐蝕所(suo)需要的(de)水分(fen)、氧等的(de)透(tou)(tou)過(guo)(guo)(guo)速度越充(chong)分(fen)腐蝕能(neng)力(li)(li)越大,所(suo)以(yi)好像(xiang)(xiang)還不能(neng)說銹層(ceng)阻止透(tou)(tou)過(guo)(guo)(guo)的(de)能(neng)力(li)(li)超(chao)過(guo)(guo)(guo)涂膜。
Copson 注(zhu)意到圖1出示的(de)銅(tong)對鋼鐵(tie)的(de)大氣腐蝕的(de)影響顯著,研究(jiu)了(le)鋼中的(de)銅(tong)量(liang)和(he)銹層的(de)化學組成(cheng)(cheng)(cheng)之間的(de)關系,結果如圖9所示,通過(guo)添加微量(liang)0.05%Cu,銹層中的(de)SO4-已達到飽和(he),所以認為銅(tong)和(he)SO4-按一(yi)定比例生(sheng)成(cheng)(cheng)(cheng)的(de)絡鹽(yan)形成(cheng)(cheng)(cheng)了(le)致密(mi)層,可(ke)是難點是一(yi)直沒有(you)掌(zhang)握(wo)絡鹽(yan)的(de)實質。

如上(shang)所(suo)述可(ke)知(zhi),耐候(hou)鋼的所(suo)謂的穩定銹(xiu)層由于致(zhi)(zhi)密所(suo)以(yi)抑制了水或氧的滲透,大(da)體上(shang)能完全(quan)阻(zu)止(zhi)后續的腐(fu)蝕反應,可(ke)是(shi)關于含有(you)(you)Cu、Cr、P等的耐候(hou)鋼上(shang)為什么(me)能生成(cheng)致(zhi)(zhi)密的銹(xiu)層,并(bing)且所(suo)謂這種致(zhi)(zhi)密性是(shi)什么(me)東西?實際情況一直沒有(you)(you)確切的說明。在日(ri)本以(yi)學振(zhen)97委員會為中心,積(ji)極(ji)進行(xing)了試圖(tu)闡明耐候(hou)鋼特長的研究,已經知(zhi)道有(you)(you)久松·增子(zi)、下平、岡(gang)田·細井等、松島(dao)·上(shang)野、小若·佐武等以(yi)及轟·門等的研究。
岡田等(deng)(deng)用X射(she)線(xian)衍射(she)、斷面(mian)顯微鏡觀察(cha)(cha)、XMA、鐵(tie)銹(xiu)(xiu)(xiu)(xiu)(xiu)試驗(yan)、銹(xiu)(xiu)(xiu)(xiu)(xiu)層(ceng)的(de)(de)(de)(de)(de)(de)(de)電解(jie)還原等(deng)(deng)方法,研究了(le)耐(nai)(nai)候鋼(gang)和(he)碳素(su)鋼(gang)的(de)(de)(de)(de)(de)(de)(de)銹(xiu)(xiu)(xiu)(xiu)(xiu)層(ceng)特征。其結果(guo)是(shi):(1)耐(nai)(nai)候鋼(gang)經5年的(de)(de)(de)(de)(de)(de)(de)暴曬材的(de)(de)(de)(de)(de)(de)(de)銹(xiu)(xiu)(xiu)(xiu)(xiu)層(ceng)在(zai)(zai)(zai)鐵(tie)基(ji)體上幾乎沒有(you)FeOOH存(cun)在(zai)(zai)(zai)的(de)(de)(de)(de)(de)(de)(de)部(bu)位,在(zai)(zai)(zai)FeOOH層(ceng)和(he)鐵(tie)基(ji)體之間能(neng)觀察(cha)(cha)到(dao)非常致密的(de)(de)(de)(de)(de)(de)(de)層(ceng)。相反(fan),在(zai)(zai)(zai)碳素(su)鋼(gang)的(de)(de)(de)(de)(de)(de)(de)銹(xiu)(xiu)(xiu)(xiu)(xiu)層(ceng)上能(neng)夠觀察(cha)(cha)到(dao)FeOOH存(cun)在(zai)(zai)(zai)的(de)(de)(de)(de)(de)(de)(de)部(bu)位,而且裂紋也(ye)多;(2)如果(guo)綜合X射(she)線(xian)衍射(she)和(he)電解(jie)還原法的(de)(de)(de)(de)(de)(de)(de)結果(guo),在(zai)(zai)(zai)耐(nai)(nai)候鋼(gang)的(de)(de)(de)(de)(de)(de)(de)銹(xiu)(xiu)(xiu)(xiu)(xiu)的(de)(de)(de)(de)(de)(de)(de)下(xia)(xia)層(ceng)存(cun)在(zai)(zai)(zai)的(de)(de)(de)(de)(de)(de)(de)致密層(ceng)是(shi)由X射(she)線(xian)非晶(jing)質(zhi)的(de)(de)(de)(de)(de)(de)(de)尖(jian)晶(jing)石型氧化(hua)鐵(tie)構成的(de)(de)(de)(de)(de)(de)(de);(3)根據XMA檢(jian)測,在(zai)(zai)(zai)耐(nai)(nai)候鋼(gang)中所含(han)有(you)的(de)(de)(de)(de)(de)(de)(de)Cu、Cr、P等(deng)(deng)有(you)效添(tian)加元素(su)在(zai)(zai)(zai)銹(xiu)(xiu)(xiu)(xiu)(xiu)下(xia)(xia)層(ceng)的(de)(de)(de)(de)(de)(de)(de)致密層(ceng)中濃縮,根據這些實(shi)驗(yan)結果(guo)銹(xiu)(xiu)(xiu)(xiu)(xiu)層(ceng)的(de)(de)(de)(de)(de)(de)(de)構造(zao)可以(yi)用模式圖表示在(zai)(zai)(zai)圖10,并且在(zai)(zai)(zai)耐(nai)(nai)候鋼(gang)中所含(han)有(you)的(de)(de)(de)(de)(de)(de)(de)Cu、Cr、P有(you)效添(tian)加元素(su)等(deng)(deng)在(zai)(zai)(zai)紅(hong)銹(xiu)(xiu)(xiu)(xiu)(xiu)層(ceng)(FeOOH)的(de)(de)(de)(de)(de)(de)(de)下(xia)(xia)面(mian)濃縮,對穩定非晶(jing)質(zhi)的(de)(de)(de)(de)(de)(de)(de)類似于磁鐵(tie)礦的(de)(de)(de)(de)(de)(de)(de)銹(xiu)(xiu)(xiu)(xiu)(xiu)層(ceng)有(you)效果(guo),認為這種非晶(jing)質(zhi)銹(xiu)(xiu)(xiu)(xiu)(xiu)層(ceng)是(shi)耐(nai)(nai)候鋼(gang)的(de)(de)(de)(de)(de)(de)(de)防(fang)蝕作(zuo)用的(de)(de)(de)(de)(de)(de)(de)本質(zhi)。
轟·門等所(suo)進行的(de)(de)耐候鋼(gang)銹層結構分(fen)析的(de)(de)結果表(biao)明,用(yong)X射(she)線衍射(she)檢測出了α-FeOOH、y-FeOOH及Fe3O4,雖然和碳(tan)素鋼(gang)相(xiang)比沒有變化,可是(shi)在XMA面分(fen)析上(shang)看到了Cu、Cr、P以及S的(de)(de)濃(nong)縮(suo)(suo),特別是(shi)硫(liu)的(de)(de)濃(nong)縮(suo)(suo)比碳(tan)素鋼(gang)顯著。就是(shi)說(shuo),碳(tan)素鋼(gang)的(de)(de)硫(liu)的(de)(de)濃(nong)縮(suo)(suo)在外層部分(fen)多,而(er)耐候鋼(gang)的(de)(de)S的(de)(de)濃(nong)縮(suo)(suo)在全體(ti)銹層中(zhong)均勻分(fen)布,而(er)且與碳(tan)素鋼(gang)相(xiang)比硫(liu)的(de)(de)濃(nong)縮(suo)(suo)相(xiang)當多(參照照片1、2).該(gai)結果與Copson所(suo)說(shuo)的(de)(de)越是(shi)耐候性優秀的(de)(de)鋼(gang)其銹層中(zhong)含有的(de)(de)硫(liu)酸鹽越多的(de)(de)研究結果(圖9)一致。

根據轟等的(de)(de)(de)研(yan)究,如表(biao)4所(suo)示,耐候鋼銹(xiu)內(nei)層的(de)(de)(de)硫(liu)濃度達(da)到0.45%,相當于(yu)基(ji)體鐵(tie)(tie)中(zhong)(zhong)硫(liu)含量的(de)(de)(de)20倍以上(shang),所(suo)以認為大部(bu)(bu)分(fen)硫(liu)是大氣中(zhong)(zhong)的(de)(de)(de)SO2形成硫(liu)酸鹽后被固定下(xia)來(lai)的(de)(de)(de)。Chandler 等敘述(shu)了(le)在大氣暴曬材的(de)(de)(de)銹(xiu)層中(zhong)(zhong)含有(you)4%S04-離子,其中(zhong)(zhong)可溶性硫(liu)酸鐵(tie)(tie)借(jie)助(zhu)于(yu)內(nei)層大量存在著,Schwarz像(xiang)圖11那(nei)樣確認了(le)在基(ji)體鐵(tie)(tie)表(biao)面上(shang)形成了(le)FeSO4'nH2O,并且(qie)Tanner在被銹(xiu)覆蓋的(de)(de)(de)基(ji)體鐵(tie)(tie)的(de)(de)(de)很淺的(de)(de)(de)凹(ao)(ao)痕處發現了(le)FeSO4·4H2O,認為這個(ge)凹(ao)(ao)痕是局(ju)部(bu)(bu)腐蝕反應的(de)(de)(de)陽極(ji)(ji)點。Evans 也談到金(jin)屬表(biao)面的(de)(de)(de)間隙部(bu)(bu)裂紋(wen)等也變成了(le)陽極(ji)(ji),SO4-離子向那(nei)些部(bu)(bu)分(fen)遷移形成了(le)硫(liu)酸鐵(tie)(tie)。


松島(dao)用放射性(xing)影法研(yan)究了(le)銹層缺陷(xian)的(de)(de)分布(bu),發現(xian)耐候鋼缺陷(xian)部(活性(xing)點(dian)、陽極部分)少。他們(men)根據這(zhe)一結果得出結論,帶有(you)銹層的(de)(de)鋼的(de)(de)腐蝕是(shi)通過缺陷(xian)部分借助腐蝕性(xing)物質的(de)(de)滲透進行的(de)(de)。
綜合考慮(lv)以上(shang)結果,大氣腐(fu)蝕反應的(de)(de)第一階(jie)段是在(zai)(zai)硫(liu)酸(suan)(suan)鹽(yan)的(de)(de)環境(jing)下進行的(de)(de)。其理由(you)是,在(zai)(zai)這樣的(de)(de)條件下只能(neng)生成硫(liu)酸(suan)(suan)亞鐵,雖(sui)然也能(neng)通過銹層(ceng)向基體鐵充分(fen)供給氧(yang),可是不被氧(yang)化能(neng)夠穩定地(di)存(cun)在(zai)(zai),以及從存(cun)在(zai)(zai)于銹層(ceng)中的(de)(de)硫(liu)酸(suan)(suan)亞鐵的(de)(de)含水量少來看,是由(you)于腐(fu)蝕環境(jing)處在(zai)(zai)比(bi)較高(gao)的(de)(de)溫(wen)度。例如(ru)已經知(zhi)道4水鹽(yan)在(zai)(zai)60℃生成,認為在(zai)(zai)實際的(de)(de)大氣暴(bao)曬的(de)(de)日照條件下,溫(wen)度上(shang)升到這種程度非常容易實現(xian)。
在以上的(de)銹層/基體鐵(tie)界面上進行(xing)腐蝕時,關于其腐蝕氣氛(fen)保(bao)持酸性(xing)的(de)理(li)由(you),可以考慮Schikorr 提出(chu)的(de)循環(huan)反應的(de)理(li)由(you),即通過以下的(de)反應保(bao)持酸性(xing):
在這(zhe)里,對(dui)判(pan)定鋼的(de)耐候性的(de)模型實驗來說,在硫酸溶液中(zhong)測定腐(fu)蝕特性的(de)方法是合適(shi)的(de)。這(zhe)種實驗轟等。

曾經進行過(guo),在98%硫(liu)酸(suan)中(zhong)比較耐(nai)候鋼(gang)(gang)和(he)(he)碳素鋼(gang)(gang)的腐蝕(shi)(shi)量時,如圖(tu)12所示,經過(guo)4周浸(jin)泡(pao)沒有發現(xian)(xian)鋼(gang)(gang)種的差(cha)異(yi)(yi),可是(shi)(shi)浸(jin)泡(pao)時間(jian)超過(guo)4周以上時,耐(nai)候鋼(gang)(gang)的腐蝕(shi)(shi)速度(du)顯(xian)(xian)著降低(di),與(yu)碳素鋼(gang)(gang)的差(cha)異(yi)(yi)增(zeng)大,發現(xian)(xian)和(he)(he)實際暴曬試驗的結(jie)果完全一致。他們(men)也測定了98%硫(liu)酸(suan)中(zhong)的極化(hua)(hua)特(te)性(xing),陽極極化(hua)(hua)耐(nai)候鋼(gang)(gang)和(he)(he)碳素鋼(gang)(gang)相同(tong),可是(shi)(shi)隨著浸(jin)泡(pao)時間(jian)的增(zeng)長發現(xian)(xian)極化(hua)(hua)明顯(xian)(xian)增(zeng)大,和(he)(he)碳素鋼(gang)(gang)的差(cha)別顯(xian)(xian)著。進一步確(que)定了耐(nai)候鋼(gang)(gang)在98%硫(liu)酸(suan)中(zhong)生(sheng)成的容易剝離(li)的腐蝕(shi)(shi)生(sheng)成物和(he)(he)碳素鋼(gang)(gang)的場合(he)相同(tong),都是(shi)(shi)FeSO4·nH2O(n=2.1及2.5),不存在Cr、Cu等,在溶液中(zhong)也幾乎不析出,并且確(que)認了在耐(nai)候鋼(gang)(gang)的場合(he),這(zhe)種硫(liu)酸(suan)鐵層下面存在有Cu、Cr等濃縮后的非(fei)常(chang)薄的氧化(hua)(hua)膜(mo)(參照表5)。

根據這些數據來看,在濃硫酸中的腐蝕特性和大氣腐蝕非常對應,可以推論在硫酸鐵/基體鐵界面上形成的非常薄的覆膜(鈍化覆膜)支配著耐蝕性。轟等進一步在5%硫酸中通過外部電流給與鈍化電位的條件下使鋼表面形成鈍化覆膜,用CI-離子破壞這種覆膜,測定電流-時間曲線時,得到像圖13那樣的結果,發現越是耐蝕性優秀的鋼鈍化覆膜越穩定,并與大氣腐蝕試驗的結果很一致。
如果這(zhe)(zhe)樣來考慮的(de)(de)(de)話(hua),低合金鋼(gang)的(de)(de)(de)大氣腐蝕則受基體鐵(tie)表面上形成的(de)(de)(de)Cu、Cr等(deng)濃縮的(de)(de)(de)非常薄的(de)(de)(de)覆膜(mo)的(de)(de)(de)陽極反應支配,可以說耐(nai)候鋼(gang)的(de)(de)(de)特長就是(shi)這(zhe)(zhe)種陽極反應的(de)(de)(de)抑制效果。該觀點與上述(shu)的(de)(de)(de)岡田(tian)等(deng)的(de)(de)(de)模型(圖10)中,把Cu、Cr、P等(deng)濃縮的(de)(de)(de)非晶(jing)質的(de)(de)(de)磁鐵(tie)礦類(lei)似層作為耐(nai)候鋼(gang)防蝕的(de)(de)(de)本質的(de)(de)(de)觀點也(ye)很一致,二(er)者都提(ti)示有鈍化(hua)覆膜(mo)的(de)(de)(de)存(cun)在是(shi)極其令人感興趣的(de)(de)(de)問題(ti)。

