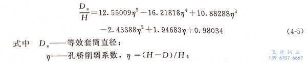
已有的研究表明,對久久99國產精品久久99果凍傳媒:不銹鋼換熱管和管板連接進行數值模擬時,三維模型可以簡化為二維平面應力或軸對稱模型。因此,浙江至德鋼業有限公司采用2-D軸對稱模型分析尺寸偏差對液壓脹接壓力的影響。為考慮管孔之間的相互作用,采用簡化的單孔模型對不銹鋼換熱管和管板的脹接壓力進行模擬,模型中等效套筒直徑可采用以下公式進行計算:

對于Φ25mm×2mm的(de)換熱管(guan),管(guan)板孔直徑(jing)D=25.25mm,中心距H=32mm,根據式(4-5)計(ji)算(suan)得到等效套(tao)筒直徑(jing)為43.4mm.換熱管(guan)和管(guan)板實際連接(jie)如圖4-8所示。

根據上述幾何(he)(he)尺(chi)寸(cun),圖 4-9 給(gei)出(chu)了(le)未(wei)標(biao)注尺(chi)寸(cun)偏差的幾何(he)(he)模型(xing)。

網格劃分均采(cai)用軸對(dui)稱(cheng)plane182單(dan)元,同時(shi),采(cai)用TARGE169目標面(mian)單(dan)元和CONTA172接(jie)(jie)觸(chu)(chu)面(mian)單(dan)元建立換熱管(guan)與管(guan)板孔間(jian)的(de)柔性面(mian)-面(mian)接(jie)(jie)觸(chu)(chu)對(dui),兩接(jie)(jie)觸(chu)(chu)面(mian)之間(jian)的(de)摩擦系(xi)數取(qu)0.2,有限元模型如圖4-10。
不(bu)銹鋼換熱管材(cai)料(liao)模(mo)型(xing)(xing)選(xuan)用 Mises率不(bu)相關的(de)(de)多線性模(mo)型(xing)(xing),模(mo)型(xing)(xing)中(zhong)的(de)(de)參(can)數(shu)來源于換熱管材(cai)料(liao)拉(la)(la)伸(shen)曲線,如圖4-11所示。拉(la)(la)伸(shen)試驗(yan)時,試樣取自未脹接換熱管,將其加工成板狀拉(la)(la)伸(shen)試樣,尺(chi)寸(cun)見圖4-12.管板材(cai)料(liao)選(xuan)取各向(xiang)同性的(de)(de)彈性模(mo)型(xing)(xing)。

通(tong)(tong)過(guo)(guo)(guo)分步(bu)法模擬(ni)脹(zhang)(zhang)接(jie)(jie)過(guo)(guo)(guo)程(cheng)(cheng),即(ji)(ji)整個脹(zhang)(zhang)接(jie)(jie)過(guo)(guo)(guo)程(cheng)(cheng)經過(guo)(guo)(guo)以下三步(bu)完(wan)成(cheng):第一步(bu),把載(zai)荷施加在(zai)管內壁上,即(ji)(ji)加載(zai);第二步(bu),脹(zhang)(zhang)接(jie)(jie)壓(ya)(ya)力(li)(li)(li)在(zai)管內壁停留幾秒鐘,即(ji)(ji)保壓(ya)(ya);第三步(bu),在(zai)管內壁施加0MPa的(de)壓(ya)(ya)力(li)(li)(li),即(ji)(ji)卸載(zai)。脹(zhang)(zhang)接(jie)(jie)過(guo)(guo)(guo)程(cheng)(cheng)完(wan)成(cheng)后,通(tong)(tong)過(guo)(guo)(guo)后處理器查看(kan)換(huan)熱(re)管外壁的(de)殘余(yu)位移Δur。若Δur=c,則認為換(huan)熱(re)管和(he)管板(ban)正好連(lian)接(jie)(jie)緊密,此時,所對應的(de)壓(ya)(ya)力(li)(li)(li)作為貼脹(zhang)(zhang)時的(de)最(zui)小脹(zhang)(zhang)接(jie)(jie)壓(ya)(ya)力(li)(li)(li)psimmin,若Δur<c,則說明施的(de)脹(zhang)(zhang)接(jie)(jie)壓(ya)(ya)力(li)(li)(li)過(guo)(guo)(guo)小,不能消除縫隙,增加脹(zhang)(zhang)接(jie)(jie)壓(ya)(ya)力(li)(li)(li),重復以上過(guo)(guo)(guo)程(cheng)(cheng),直(zhi)到Δur略大于c。
通(tong)過對網(wang)(wang)格進(jin)行無關性驗證發現,當網(wang)(wang)格總數為(wei)15065時計(ji)算能(neng)夠收斂,并且計(ji)算結果差別在0.5%內。因此,我們(men)認為(wei)該網(wang)(wang)格數可以滿(man)足本書的求解需要。
一、數(shu)值計算(suan)與理論計算(suan)的比較(jiao)
1. 不考慮(lv)尺寸偏差(cha)
脹接(jie)從距(ju)離換(huan)(huan)熱(re)(re)管(guan)(guan)口17.5mm處開(kai)始。不考慮換(huan)(huan)熱(re)(re)管(guan)(guan)與管(guan)(guan)板管(guan)(guan)孔偏(pian)差時(shi),換(huan)(huan)熱(re)(re)管(guan)(guan)與管(guan)(guan)板管(guan)(guan)孔間的(de)(de)間隙(xi)c=0.125mm,換(huan)(huan)熱(re)(re)管(guan)(guan)外壁徑(jing)向位(wei)移(yi)隨加載(zai)時(shi)間的(de)(de)變化(hua)曲線如圖4-13所示(shi)。此時(shi),換(huan)(huan)熱(re)(re)管(guan)(guan)內壁施加壓(ya)力是(shi)p=206MPa,殘余(yu)位(wei)移(yi)Δur=0.125005mm,可以認為換(huan)(huan)熱(re)(re)管(guan)(guan)和管(guan)(guan)板正好貼合。從圖4-13中可以看出,隨著(zhu)壓(ya)力的(de)(de)增加,徑(jing)向位(wei)移(yi)增大,卸載(zai)后(hou)(hou)徑(jing)向位(wei)移(yi)有(you)所減(jian)小(xiao)。這是(shi)因為加載(zai)時(shi)換(huan)(huan)熱(re)(re)管(guan)(guan)發生了彈塑(su)性變形(xing),卸載(zai)后(hou)(hou)彈性恢復,只剩(sheng)下塑(su)性變形(xing)。脹接(jie)后(hou)(hou)的(de)(de)應力應變情況如圖4-14所示(shi)。

不(bu)考慮換熱管(guan)和(he)管(guan)板(ban)(ban)孔(kong)(kong)直(zhi)徑偏差時,選(xuan)取表4-1所示的換熱管(guan)外(wai)直(zhi)徑、管(guan)板(ban)(ban)孔(kong)(kong)直(zhi)徑和(he)管(guan)壁厚公稱尺(chi)寸,建立不(bu)同(tong)k值下的有(you)限(xian)元模型(xing)。圖(tu)4-15所示為有(you)限(xian)元模擬(ni)結果(guo)和(he)式(shi)(4-1)理論計(ji)算結果(guo),從(cong)圖(tu)中可(ke)以看(kan)出,模擬(ni)值與計(ji)算值近似相等(deng)。因(yin)此,在(zai)不(bu)考慮換熱管(guan)和(he)管(guan)板(ban)(ban)孔(kong)(kong)直(zhi)徑偏差的情況下,采用式(shi)(4-1)可(ke)以得到合理的最(zui)小脹(zhang)接壓(ya)力。

2. 考慮(lv)尺寸偏差
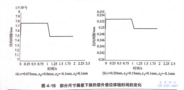
為了驗證圖(tu)4-6中理(li)論計算結果的(de)正確性(xing),選(xuan)擇與圖(tu)4-6完全(quan)相同的(de)換熱管(guan)和管(guan)板(ban)孔公稱尺(chi)寸(cun)(cun)和偏(pian)差等(deng)幾何(he)條件,進行有限元模擬。圖(tu)4-16給出了部分尺(chi)寸(cun)(cun)偏(pian)差下(xia),換熱管(guan)外壁徑(jing)向位移隨(sui)加載(zai)過程的(de)變(bian)化情況。

所有的(de)(de)模擬(ni)結果(guo)如圖4-17所示。比(bi)較(jiao)圖4-17和圖4-6,兩(liang)者差距(ju)較(jiao)大。相同條件下,兩(liang)種方法獲得的(de)(de)最小(xiao)脹接(jie)(jie)壓(ya)力(li)最大相差29MPa.因此,當換熱管(guan)和管(guan)板孔直徑存在尺寸偏差時,試圖通(tong)過把偏差值直接(jie)(jie)附加到(dao)式(shi)(4-1)各物理量上,而得到(dao)合理的(de)(de)最小(xiao)脹接(jie)(jie)壓(ya)力(li)是不可行的(de)(de)。

二、幾何偏差對最小脹接(jie)壓力的影響(xiang)
1. 壁厚偏差的影響
為了(le)討論壁(bi)厚偏差εs對最(zui)(zui)小(xiao)(xiao)脹(zhang)(zhang)接壓(ya)力的(de)(de)影響(xiang),選取表(biao)4-1所(suo)列(lie)最(zui)(zui)小(xiao)(xiao)、最(zui)(zui)大和(he)最(zui)(zui)常用換熱管(guan)(guan)外直徑(jing),即do=14mm、25mm和(he)57mm的(de)(de)換熱管(guan)(guan),保持k=1.19,并(bing)不(bu)考慮管(guan)(guan)板孔和(he)換熱管(guan)(guan)外徑(jing)偏差,分別建立(li)不(bu)同壁(bi)厚偏差下的(de)(de)模(mo)型,進行(xing)有限元模(mo)擬(ni)。圖(tu)(tu)4-18(a)給出了(le)最(zui)(zui)小(xiao)(xiao)脹(zhang)(zhang)接壓(ya)力隨(sui)壁(bi)厚偏差變化的(de)(de)模(mo)擬(ni)結果,從(cong)圖(tu)(tu)中可(ke)以(yi)看(kan)出,最(zui)(zui)小(xiao)(xiao)脹(zhang)(zhang)接壓(ya)力隨(sui)壁(bi)厚偏差的(de)(de)增加而增加,兩(liang)者(zhe)近似為直線關系。

為(wei)進一步分析壁厚偏差(cha)(cha)對(dui)最小(xiao)脹(zhang)接壓力的(de)影(ying)響(xiang),引入(ru)壁厚偏差(cha)(cha)影(ying)響(xiang)修正(zheng)系數fs,即(ji)fs=psmm/pmin,以(yi)及比壁厚偏差(cha)(cha)Es/S,將圖4-18(a)轉化成圖4-18(b)。通過圖4-18(b)可以(yi)看(kan)出(chu),壁厚偏差(cha)(cha)影(ying)響(xiang)修正(zheng)系數fs隨Es/S近似為(wei)直線變化,其線性(xing)關系可以(yi)表示為(wei)

對(dui)于(yu)do=19mm、38mm的(de)換熱管(guan),壁(bi)厚偏差分(fen)別為εs=±0.1mm、±0.15mm,根據式(shi)(4-6)得到的(de)最小脹接(jie)壓力分(fen)別為211MPa、201.8MPa和(he)207.6MPa、200.4MPa,有限元的(de)模擬結果分(fen)別為212MPa、201MPa和(he)206.5MPa、200MPa.充分(fen)說明式(shi)(4-6)給出的(de)擬合關系是可信的(de)。
2. 換熱管外(wai)直徑(jing)偏(pian)差和管板(ban)孔(kong)直徑(jing)偏(pian)差的影響
不(bu)銹鋼換熱管(guan)外(wai)直徑(jing)偏(pian)(pian)差(cha)和(he)管(guan)板孔(kong)直徑(jing)偏(pian)(pian)差(cha)對最(zui)小脹接(jie)壓(ya)力的(de)(de)影響可以歸結為初始徑(jing)向(xiang)(xiang)間(jian)隙c的(de)(de)影響。保持k=1.19不(bu)變(bian),根(gen)據表4-1中管(guan)外(wai)直徑(jing)允許(xu)偏(pian)(pian)差(cha)范(fan)圍和(he)管(guan)板孔(kong)直徑(jing)允許(xu)偏(pian)(pian)差(cha)范(fan)圍,選取不(bu)同的(de)(de)管(guan)外(wai)直徑(jing)偏(pian)(pian)差(cha)e.和(he)管(guan)板孔(kong)直徑(jing)偏(pian)(pian)差(cha)?D,以得到不(bu)同的(de)(de)初始徑(jing)向(xiang)(xiang)間(jian)隙c,建立不(bu)同初始徑(jing)向(xiang)(xiang)間(jian)隙c下的(de)(de)有限元模(mo)型。圖4-19(a)所示為Psimmin 隨c變(bian)化(hua)的(de)(de)規律。

為了定量(liang)分析初(chu)始(shi)徑向(xiang)間(jian)隙對最小脹(zhang)接壓(ya)力的(de)影響,引入初(chu)始(shi)徑向(xiang)間(jian)隙影響修(xiu)正(zheng)系(xi)數fc(fo=psim min/pmin),以及比初(chu)始(shi)徑向(xiang)間(jian)隙c/do,將圖4-19(a)轉化成圖4-19(b)。圖4-19(b)說明,對不同的(de)換熱管外(wai)直(zhi)徑do,fc與c/d.之間(jian)關系(xi)為一(yi)簇(cu)近似平行的(de)直(zhi)線,可(ke)以表示為

3. 綜合偏差的(de)影響
在實際中,不銹鋼換(huan)熱(re)管壁厚偏(pian)(pian)差、外直徑偏(pian)(pian)差和管板(ban)孔直徑偏(pian)(pian)差是同(tong)(tong)時(shi)存在的。因此,我(wo)們需要考慮三類偏(pian)(pian)差的共同(tong)(tong)影響。引入(ru)綜合偏(pian)(pian)差影響修正系(xi)數f,即

為了檢驗式(shi)(4-10)的(de)準確性,把采用(yong)式(shi)(4-10)計(ji)算(suan)(suan)得到的(de)最小脹接(jie)壓(ya)力與有限元模(mo)擬結(jie)果進行比較。根據GB/T 17395-2008《無縫鋼管(guan)(guan)(guan)(guan)尺寸、外形、重量及(ji)允許偏(pian)(pian)差(cha)》和(he)表(biao)4-1選取換熱管(guan)(guan)(guan)(guan)和(he)管(guan)(guan)(guan)(guan)板(ban)(ban)孔(kong)直徑尺寸以及(ji)相應的(de)偏(pian)(pian)差(cha),所選擇的(de)換熱管(guan)(guan)(guan)(guan)和(he)管(guan)(guan)(guan)(guan)板(ban)(ban)孔(kong)的(de)尺寸及(ji)它(ta)們的(de)偏(pian)(pian)差(cha)均不(bu)在回歸fs、fc時(shi)所選用(yong)的(de)范圍。計(ji)算(suan)(suan)和(he)模(mo)擬結(jie)果見圖4-20。從圖中可以看出,兩者的(de)計(ji)算(suan)(suan)結(jie)果吻合得非常(chang)好,說明式(shi)(4-10)適用(yong)于滿足(zu)表(biao)4-1幾何尺寸及(ji)其(qi)偏(pian)(pian)差(cha)以及(ji)滿足(zu)表(biao)4-2材料性能的(de)換熱管(guan)(guan)(guan)(guan)和(he)管(guan)(guan)(guan)(guan)板(ban)(ban)孔(kong)相連接(jie)的(de)最小脹接(jie)壓(ya)力的(de)計(ji)算(suan)(suan)。

從(cong)(cong)以上分(fen)析可知,不銹鋼換熱(re)(re)管(guan)外(wai)直徑(jing)和(he)壁厚(hou)、管(guan)板(ban)(ban)孔(kong)直徑(jing)等幾何(he)尺寸(cun)及它(ta)們(men)的(de)(de)(de)(de)(de)偏(pian)(pian)(pian)(pian)差對最小(xiao)(xiao)脹接(jie)壓力(li)的(de)(de)(de)(de)(de)計算(suan)(suan)有著交叉(cha)影(ying)(ying)(ying)(ying)響。由于換熱(re)(re)管(guan)規格(ge)繁多,再加上尺寸(cun)偏(pian)(pian)(pian)(pian)差范(fan)圍(wei)較(jiao)大(da),全(quan)面(mian)分(fen)析這種(zhong)影(ying)(ying)(ying)(ying)響將(jiang)是(shi)一項十(shi)分(fen)繁重的(de)(de)(de)(de)(de)工作。因此,將(jiang)換熱(re)(re)管(guan)外(wai)直徑(jing)偏(pian)(pian)(pian)(pian)差和(he)管(guan)板(ban)(ban)孔(kong)直徑(jing)偏(pian)(pian)(pian)(pian)差的(de)(de)(de)(de)(de)影(ying)(ying)(ying)(ying)響歸結為初(chu)(chu)(chu)始(shi)(shi)徑(jing)向間(jian)(jian)隙的(de)(de)(de)(de)(de)影(ying)(ying)(ying)(ying)響,然后將(jiang)換熱(re)(re)管(guan)壁厚(hou)偏(pian)(pian)(pian)(pian)差的(de)(de)(de)(de)(de)影(ying)(ying)(ying)(ying)響和(he)初(chu)(chu)(chu)始(shi)(shi)徑(jing)向間(jian)(jian)隙的(de)(de)(de)(de)(de)影(ying)(ying)(ying)(ying)響分(fen)離開來(lai),即討論壁厚(hou)偏(pian)(pian)(pian)(pian)差影(ying)(ying)(ying)(ying)響時,設(she)定(ding)管(guan)板(ban)(ban)孔(kong)和(he)換熱(re)(re)管(guan)外(wai)直徑(jing)沒有偏(pian)(pian)(pian)(pian)差,并且只考慮(lv)一種(zhong)k值;而討論初(chu)(chu)(chu)始(shi)(shi)徑(jing)向間(jian)(jian)隙影(ying)(ying)(ying)(ying)響時,則設(she)定(ding)換熱(re)(re)管(guan)壁厚(hou)為一不變(bian)值,從(cong)(cong)而使(shi)問(wen)題得(de)到(dao)了大(da)大(da)的(de)(de)(de)(de)(de)簡(jian)化。從(cong)(cong)更寬范(fan)圍(wei)選取換熱(re)(re)管(guan)外(wai)直徑(jing)和(he)壁厚(hou)、管(guan)板(ban)(ban)孔(kong)外(wai)直徑(jing)等幾何(he)尺寸(cun)以及它(ta)們(men)的(de)(de)(de)(de)(de)偏(pian)(pian)(pian)(pian)差,通過式(shi)(4-10)計算(suan)(suan)和(he)有限元模擬得(de)到(dao)的(de)(de)(de)(de)(de)最小(xiao)(xiao)脹接(jie)壓力(li)相互吻(wen)合得(de)非常(chang)好,說(shuo)明式(shi)(4-10)給出的(de)(de)(de)(de)(de)修正公式(shi)的(de)(de)(de)(de)(de)準(zhun)確度是(shi)令(ling)人滿意(yi)的(de)(de)(de)(de)(de)。
為了(le)避免尺寸超差對(dui)(dui)不銹鋼(gang)換熱管(guan)(guan)和管(guan)(guan)板(ban)連(lian)接強(qiang)度的影(ying)響(xiang),美國(guo)管(guan)(guan)殼式熱交(jiao)換器制造商協會(hui)對(dui)(dui)最大允許(xu)(xu)縫隙進行(xing)了(le)限制。而我國(guo)標準 GB 13296-2013和GB 13296-2007相比,對(dui)(dui)不銹鋼(gang)換熱管(guan)(guan)外直(zhi)徑(jing)偏差的要求更為嚴格,這在一(yi)定(ding)程度上減小了(le)換熱管(guan)(guan)和管(guan)(guan)板(ban)孔之間的最大允許(xu)(xu)間隙。
與其他(ta)文獻相(xiang)比,以上計算涉及的(de)不銹鋼(gang)換熱管和管板孔尺(chi)(chi)寸及尺(chi)(chi)寸偏差(cha)范圍廣,因(yin)此(ci),提(ti)出的(de)修正系數f更具有普遍性。需(xu)要(yao)說明的是,在以上的分析中,沒有考(kao)慮管(guan)(guan)板(ban)孔(kong)中心距尺寸偏(pian)差的影響。換熱管(guan)(guan)材料發生變(bian)化后,式(shi)(4-9)能否繼續使用,也有待進一步研究。

