要提高不銹鋼的耐腐蝕性,首先要注意的是不銹鋼的化學成分和組織,這是引起電化學腐蝕的內在原因,而腐蝕介質、溫度等是外因;尤其是鋼的化學成分,決定著電極電位差的大小和腐蝕電流的大小。
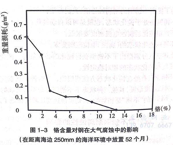
鉻(ge)(ge)是(shi)不銹(xiu)鋼(gang)(gang)都含有的(de)(de)元素(su),鉻(ge)(ge)是(shi)鐵(tie)素(su)體形成元素(su)。鉻(ge)(ge)的(de)(de)主要作(zuo)用是(shi)耐(nai)腐(fu)蝕。從圖(tu)1-3中(zhong)(zhong)可以(yi)看(kan)出在(zai)鋼(gang)(gang)中(zhong)(zhong)添(tian)加鉻(ge)(ge)對腐(fu)蝕性的(de)(de)影響(xiang)。當(dang)(dang)金屬中(zhong)(zhong)鉻(ge)(ge)含量達到(dao)12%時,在(zai)大氣環(huan)境下(xia)或在(zai)氧(yang)化(hua)性介質中(zhong)(zhong)鉻(ge)(ge)可以(yi)自(zi)發形成一種穩定的(de)(de)、透明的(de)(de)、極薄的(de)(de)鈍化(hua)膜(mo)來阻(zu)止(zhi)腐(fu)蝕,使金屬基本(ben)上(shang)不會生銹(xiu)。較高(gao)(gao)的(de)(de)合(he)金含量可通過(guo)強化(hua)薄膜(mo)和快速(su)自(zi)我(wo)修復(fu)薄膜(mo)來提(ti)高(gao)(gao)抗腐(fu)蝕性。不銹(xiu)鋼(gang)(gang)的(de)(de)鉻(ge)(ge)含量上(shang)限為(wei)30%.在(zai)氧(yang)化(hua)膜(mo)中(zhong)(zhong),鉻(ge)(ge)與鐵(tie)的(de)(de)比例可以(yi)有很大的(de)(de)變動,鉻(ge)(ge)最高(gao)(gao)可達到(dao)鐵(tie)的(de)(de)9倍。這種富(fu)鉻(ge)(ge)的(de)(de)氧(yang)化(hua)膜(mo)具有尖晶石點陣,在(zai)許(xu)多介質中(zhong)(zhong)都有很高(gao)(gao)的(de)(de)穩定性。當(dang)(dang)鋼(gang)(gang)中(zhong)(zhong)鉻(ge)(ge)含量低于(yu)10%時,鈍化(hua)膜(mo)中(zhong)(zhong)不存在(zai)鉻(ge)(ge)的(de)(de)氧(yang)化(hua)物。

不銹鋼所以耐腐蝕,主要是由于其表面有厚10埃以上的富集的鉻的氧化物薄膜。這層富集的鉻的氧化物薄膜,將其金屬與外部環境的聯系隔斷,達到防腐蝕的目的。這層氧化膜厚度一般在20~30埃之間,成分為Cr2O3,極其致密,與一般化學品不發生反應,氧和腐蝕物質無法通過這層氧化膜腐蝕內部基體。
鎳(nie)(nie)是奧氏(shi)體(ti)的(de)穩(wen)(wen)定元素,鎳(nie)(nie)可將奧氏(shi)體(ti)使用(yong)范(fan)圍擴大到(dao)低溫區從圖1-4可以(yi)(yi)看出(chu)鎳(nie)(nie)的(de)作用(yong)。在(zai)圖1-4中,斜(xie)線(xian)以(yi)(yi)上所示(shi)溫度(du)下奧氏(shi)體(ti)是穩(wen)(wen)定的(de);在(zai)這條線(xian)以(yi)(yi)下,鐵素體(ti)和馬氏(shi)體(ti)都具有穩(wen)(wen)定的(de)晶體(ti)結(jie)構(gou)。鎳(nie)(nie)可提(ti)高韌性和延(yan)展性,使之更(geng)易于(yu)加(jia)工、制造(zao)和焊(han)接,增強抗酸的(de)腐蝕(shi)能(neng)力(li),保持鈍化膜的(de)能(neng)力(li)及在(zai)腐蝕(shi)介質中的(de)抗蝕(shi)能(neng)力(li)。

在(zai)(zai)(zai)不銹(xiu)鋼(gang)中加(jia)入(ru)鎳(nie)(nie)時(shi),耐(nai)腐蝕性(xing)有(you)所改(gai)善。鎳(nie)(nie)較難(nan)氧(yang)(yang)化(hua),故氧(yang)(yang)化(hua)膜中鎳(nie)(nie)含(han)量較少;氧(yang)(yang)化(hua)膜下富集了鎳(nie)(nie),可增加(jia)氧(yang)(yang)化(hua)膜的(de)穩定(ding)性(xing),尤(you)其是在(zai)(zai)(zai)非氧(yang)(yang)化(hua)性(xing)的(de)硫酸(suan)(suan)中更為顯著。將鎳(nie)(nie)加(jia)入(ru)鉻不銹(xiu)鋼(gang)中就(jiu)會提高其在(zai)(zai)(zai)硫酸(suan)(suan)、醋(cu)酸(suan)(suan)、草(cao)酸(suan)(suan)及(ji)中性(xing)鹽(特別是硫酸(suan)(suan)鹽)中的(de)耐(nai)腐蝕性(xing)。
錳(meng)類似于鎳,當添加錳或用(yong)錳替代鎳時,都會提高不銹鋼的強度(du)。在(zai)鉻不銹鋼(gang)中加入(ru)錳(在(zai)Cr≥17%的情況下),對(dui)鋼(gang)的耐蝕性(xing)沒有多大的影響。但(dan)錳可以大大提高鉻不銹鋼(gang)在(zai)有機酸(如(ru)醋(cu)酸、甲酸、乙醇酸)中的耐腐(fu)蝕性(xing),促使(shi)鉻不銹鋼(gang)達到鈍化狀態,在(zai)這方面錳的作用比鎳的用更明顯(xian)。
鉬可提(ti)高(gao)(gao)鈍化(hua)膜的(de)(de)強度,增強耐(nai)局(ju)部腐蝕性,如耐(nai)點蝕、縫(feng)隙(xi)腐蝕,特別是在鹵鹽或(huo)海水中有氯離子的(de)(de)情(qing)況(kuang)下。鉬(mu)也可提(ti)高(gao)(gao)對氯化(hua)物(wu)應力(li)腐蝕斷裂(lie)的(de)(de)抵抗(kang)能(neng)力(li)。利用(yong)固溶(rong)強化(hua)的(de)(de)方法,鉬(mu)可提(ti)高(gao)(gao)奧氏體(ti)不銹鋼(gang)的(de)(de)高(gao)(gao)溫(wen)強度和馬(ma)氏體(ti)不銹鋼(gang)的(de)(de)抗(kang)回(hui)火能(neng)力(li)。
鉬(mu)能(neng)(neng)提高不銹(xiu)鋼(gang)(gang)的(de)(de)(de)(de)鈍化(hua)能(neng)(neng)力,擴大不銹(xiu)鋼(gang)(gang)的(de)(de)(de)(de)鈍化(hua)介質(zhi)范圍(wei)。如在(zai)熱硫酸(suan)(suan)、稀鹽酸(suan)(suan)、磷酸(suan)(suan)及有機酸(suan)(suan)中,含(han)(han)鉬(mu)的(de)(de)(de)(de)不銹(xiu)鋼(gang)(gang)都(dou)有滿(man)意的(de)(de)(de)(de)使用效(xiao)果(guo)。不銹(xiu)鋼(gang)(gang)中加入鉬(mu),可(ke)(ke)以形(xing)(xing)成(cheng)含(han)(han)鉬(mu)的(de)(de)(de)(de)氧(yang)化(hua)膜(mo)(mo)。這種含(han)(han)鉬(mu)的(de)(de)(de)(de)氧(yang)化(hua)膜(mo)(mo)具有更高的(de)(de)(de)(de)穩定(ding)性,在(zai)許(xu)多強腐蝕(shi)(shi)介質(zhi)中都(dou)不易溶解。它還(huan)可(ke)(ke)以防(fang)止鹵族元素離子(特(te)別是氯離子)對氧(yang)化(hua)膜(mo)(mo)的(de)(de)(de)(de)破壞。因為(wei)氯離子半徑很小,可(ke)(ke)以穿透(tou)不夠致密的(de)(de)(de)(de)氧(yang)化(hua)膜(mo)(mo),與鋼(gang)(gang)起作用,生成(cheng)可(ke)(ke)溶的(de)(de)(de)(de)腐蝕(shi)(shi)產物,在(zai)局部區域形(xing)(xing)成(cheng)點腐蝕(shi)(shi)。含(han)(han)鉬(mu)的(de)(de)(de)(de)氧(yang)化(hua)膜(mo)(mo)對氯離子有足(zu)夠的(de)(de)(de)(de)穩定(ding)性。
氮是穩定奧氏體的元素,可提高鋼的強度,在奧氏體及雙相不銹鋼中可增強耐點蝕及縫隙腐蝕的能力,并減少金屬間相(σ)在高溫或焊接時析出的機會。
金(jin)(jin)屬(shu)(shu)間相是指由鋼中的(de)兩種或兩種以上的(de)金(jin)(jin)屬(shu)(shu)元(yuan)素(su)構(gou)成的(de)金(jin)(jin)屬(shu)(shu)間化合物,也簡稱(cheng)為中間相。廣義(yi)地(di)講,凡以元(yuan)素(su)周期表中過渡族元(yuan)素(su)(錳、鐵、鈷和(he)鎳等(deng)(deng))為基(ji)體,含有A副族元(yuan)素(su)(鈦、釩和(he)鉻等(deng)(deng))的(de)合金(jin)(jin)系在適(shi)合生成的(de)條件(jian)下都能形(xing)成一系列(lie)金(jin)(jin)屬(shu)(shu)間相。
鈦、鈮(ni)能優先與碳和氮結合形成碳化物和氮化物,改善高溫強度性能并阻止鉻的碳化物的形成,防止晶間腐蝕。鈮還可提高高溫蠕變斷裂強度。
硅、鋁(lv)可改善抗氧化性能,硅還可以改善鑄造特性。
銅可提高(gao)對(dui)稀酸特別是對(dui)硫酸的抗酸能力;加入3%~4%的銅具有低的加工硬化率,易于(yu)成形,析出的銅離子還(huan)有滅(mie)菌作(zuo)用。
硫、硅和鉛可改善機械切削性能,但會降低耐腐蝕能力。
鈰、鐿(yi)、鑭可提(ti)高抗氧(yang)化性。

