
哈(ha)氏(shi)合(he)(he)(he)金(jin)是(shi)一種鎳(nie)基耐腐(fu)(fu)蝕合(he)(he)(he)金(jin),主要分成鎳(nie)-鉻合(he)(he)(he)金(jin)與(yu)鎳(nie)鉻鉬合(he)(he)(he)金(jin)兩大類(lei)。哈(ha)氏(shi)合(he)(he)(he)金(jin)具有(you)良好的抗腐(fu)(fu)蝕性(xing)和熱穩定(ding)性(xing),多(duo)用(yong)于(yu)航空事(shi)業,化(hua)學領(ling)域等。哈(ha)氏(shi)合(he)(he)(he)金(jin)(Hastelloy alloy)就是(shi)美(mei)國(guo)哈(ha)氏(shi)合(he)(he)(he)金(jin)國(guo)際公(gong)司所(suo)生(sheng)產的鎳(nie)基耐蝕合(he)(he)(he)金(jin)的商業牌號(hao)的統稱(cheng)。
0Mo28Ni65Fe5 、NS 321、Hastelloy B 合金的化學成分列入表3-4-1中

一、組織特點
NS 321、Hastelloy B 合金固溶處理態為過飽和固溶體,在中溫時效態會有金屬間相,如Ni4Mo(β),Ni3Mo(γ),碳化物如Mo6C、M2C等在基體上和沿晶界析出,會對此合金的性能產生不利的影響。
二、耐腐蝕性能(neng)
1. 全面(mian)腐蝕
0Mo28Ni65Fe5、Hastelloy B 合金在(zai)所有(you)大(da)(da)氣(qi)(qi)條件下(包括海洋和工(gong)業大(da)(da)氣(qi)(qi))都具有(you)較好的(de)耐蝕(shi)性。表3-4-2列出了在(zai)大(da)(da)氣(qi)(qi)中(zhong)(zhong)放置(zhi)12年和23年后的(de)試驗結果(guo)。在(zai)海洋大(da)(da)氣(qi)(qi)中(zhong)(zhong),其(qi)腐(fu)蝕(shi)速率僅為工(gong)業氣(qi)(qi)氛中(zhong)(zhong)的(de)1/7,但其(qi)點蝕(shi)深度要比在(zai)工(gong)業氣(qi)(qi)氛中(zhong)(zhong)深一些。

在(zai)天然水(shui)(shui)(shui)和(he)高(gao)純(chun)水(shui)(shui)(shui)中,0Mo28Ni65Fe5 、Hastelloy B 合金(jin)耐蝕(shi)性能(neng)極佳(jia)。例如,在(zai)河水(shui)(shui)(shui),井水(shui)(shui)(shui)等天然水(shui)(shui)(shui)中,腐蝕(shi)速(su)(su)率一般≤0.025mm/a.在(zai)海水(shui)(shui)(shui)中,當處于靜止或流速(su)(su)較(jiao)慢(man)的(de)狀態時,0Mo28Ni65Fe5 合金(jin)的(de)耐全面腐蝕(shi)性能(neng)較(jiao)純(chun)鎳稍(shao)低,但耐點(dian)蝕(shi)和(he)縫隙(xi)腐蝕(shi)性要優于純(chun)鎳。
在各(ge)種酸介質(zhi)中(zhong)的耐蝕性(xing)見(jian)圖3-4-12~圖3-4-16 及(ji)表3-4-3~表3-4-19。
①. 在硫酸(suan)中
在(zai)不充空(kong)氣(qi)的(de)(de)(de)(de)和(he)非氧化(hua)性的(de)(de)(de)(de)硫(liu)(liu)(liu)酸(suan)中(zhong),耐(nai)蝕(shi)性是(shi)非常好的(de)(de)(de)(de),可應(ying)用的(de)(de)(de)(de)濃(nong)度(du)、溫度(du)范圍相當(dang)寬。例如,在(zai)100℃以下(xia)(xia)所有濃(nong)度(du)的(de)(de)(de)(de)硫(liu)(liu)(liu)酸(suan)中(zhong),0Mo28Ni65Fe5 合金的(de)(de)(de)(de)腐蝕(shi)速率(lv)小于0.125mm/a;在(zai)115℃以下(xia)(xia)的(de)(de)(de)(de)任何濃(nong)度(du)硫(liu)(liu)(liu)酸(suan)中(zhong)≤5mm/a;在(zai)沸騰溫度(du)以下(xia)(xia)的(de)(de)(de)(de)硫(liu)(liu)(liu)酸(suan)中(zhong),0Mo28Ni65Fe5合金的(de)(de)(de)(de)耐(nai)硫(liu)(liu)(liu)酸(suan)腐蝕(shi)的(de)(de)(de)(de)濃(nong)度(du)可達(da)60%;濃(nong)度(du)再高(gao)(gao),由于硫(liu)(liu)(liu)酸(suan)本身的(de)(de)(de)(de)高(gao)(gao)氧化(hua)性,0Mo28Ni65Fe5 合金要受到嚴重腐蝕(shi)。在(zai)稀硫(liu)(liu)(liu)酸(suan)中(zhong),0Mo28Ni65Fe5合金的(de)(de)(de)(de)耐(nai)蝕(shi)性隨充人(ren)空(kong)氣(qi)而降低,且當(dang)硫(liu)(liu)(liu)酸(suan)濃(nong)度(du)在(zai)5%~10%時最(zui)為明(ming)顯。圖3-4-12 和(he)表3-4-3系一些試驗結果。


在生產醇類過(guo)程中,也(ye)常常遇到濃度為45%~65%,溫(wen)度115~120℃的(de)硫酸(suan)。采用其他材料,例如不銹鋼、鎳基(ji)或(huo)銅基(ji)合(he)金,在靜止和低流速(su)條件(jian)(jian)下,腐(fu)蝕速(su)率(lv)(lv)可≤0.5mm/a.但在高流速(su)、高溫(wen)條件(jian)(jian)下,腐(fu)蝕速(su)率(lv)(lv)要超(chao)過(guo)2.5mm/a.然(ran)而,0Mo28Ni65Fe5合(he)金在45%~65% 硫酸(suan),115℃的(de)工廠試驗條件(jian)(jian)下的(de)結果表明,其腐(fu)蝕速(su)率(lv)(lv)僅為1mm/a。
硫酸也常(chang)常(chang)用(yong)于(yu)石油產品的精(jing)煉以去(qu)除樹脂(zhi)、瀝青或類膠物質。0Mo28Ni65Fe5合(he)金在(zai)此種條件(jian)下的耐蝕性(xing)也是非常(chang)好的,見表(biao) 3-4-4,用(yong) 0Mo28Ni65Fe5 合(he)金鑄造的泵(beng)、閥等部(bu)件(jian)是適(shi)用(yong)的。

向硫酸中加入氧化性鹽(硝酸鹽、鉻酸鹽、高錳酸鹽等)和其他氧化性離子(Fe3+、Ca2+等),會顯著提高0Mo28Ni65Fe5、Hastelloy B 合金的腐蝕速率,且溫度越高越嚴重。因此,0Mo28Ni65Fe5合金一般不允許在這些條件下使用,除非氧化性鹽和氧化性離子的濃度很低,不足以影響0Mo28Ni65Fe5合金的耐蝕性。表3-4-5系硫酸中含銅時對0Mo28Ni65Fe5合金耐蝕性的影響。顯然,在含銅的硫酸中或銅有可能進入硫酸的條件下,選用0Mo28Ni65Fe5 合金是不適宜的。此外,0Mo28Ni65Fe5 合金與碳、石墨等接觸也會由于產生電偶腐蝕而使它迅速破壞,表3-4-6示出了試驗結果。由于石墨也是耐硫酸性能很好的非金屬材料,因此,當0Mo28Ni65Fe5 合金與石墨同時使用時,要注意防止這種電偶腐蝕的產生。

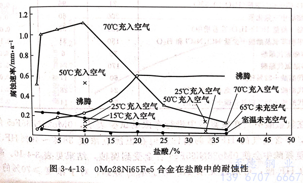
②. 在鹽酸中
在(zai)未充入空氣的(de)(de)(de)鹽酸(suan)中(zhong),0Mo28Ni65Fe5、Hastelloy B 合金(jin)在(zai)常壓(ya)下任(ren)何濃度(du)(du)、任(ren)何溫度(du)(du)下都是(shi)耐(nai)(nai)(nai)蝕(shi)的(de)(de)(de)。Ni-Mo耐(nai)(nai)(nai)蝕(shi)合金(jin)包括0Mo28Ni65Fe5 在(zai)內是(shi)耐(nai)(nai)(nai)鹽酸(suan)性能最好的(de)(de)(de)一類合金(jin)。作為(wei)耐(nai)(nai)(nai)鹽酸(suan)的(de)(de)(de)金(jin)屬材料,目(mu)前也只(zhi)有金(jin)屬鉬(mu)、鋯、鎢、鉭的(de)(de)(de)耐(nai)(nai)(nai)蝕(shi)性能超過Ni-Mo耐(nai)(nai)(nai)蝕(shi)合金(jin)。
圖3-4-13和(he)表(biao)(biao)3-4-7系(xi)0Mo28Ni65Fe5合(he)金在(zai)鹽(yan)酸(suan)(suan)(suan)中(zhong)的試驗結果。從這(zhe)些(xie)(xie)結果可(ke)以(yi)看出,0Mo28Ni65Fe5合(he)金的耐(nai)蝕性(xing)受(shou)鹽(yan)酸(suan)(suan)(suan)中(zhong)有無空氣(qi)存(cun)在(zai)的影響很(hen)大;當酸(suan)(suan)(suan)中(zhong)有空氣(qi)存(cun)在(zai)時(shi),對0Mo28Ni65Fe5 合(he)金的耐(nai)蝕性(xing)的不(bu)良(liang)影響以(yi)鹽(yan)酸(suan)(suan)(suan)濃(nong)度5%~10%時(shi)最(zui)為(wei)明顯。表(biao)(biao)3-4-8系(xi)在(zai)氣(qi)相中(zhong)充(chong)氮和(he)充(chong)氧十(shi)氮時(shi)的試驗結果,同樣可(ke)看出氧的不(bu)良(liang)影響。某些(xie)(xie)有機和(he)無機含(han)水氯化物(wu)處(chu)理過程中(zhong)會有鹽(yan)酸(suan)(suan)(suan)產生(sheng)。在(zai)一些(xie)(xie)氯化碳氫化物(wu)條件下,熱(re)蒸汽的冷凝可(ke)以(yi)產生(sheng)較高(gao)濃(nong)度的鹽(yan)酸(suan)(suan)(suan),0Mo28Ni65Fe5 合(he)金在(zai)這(zhe)些(xie)(xie)條件下的試驗結果見表(biao)(biao)3-4-9。


當鹽酸(suan)中有氧化性(xing)鹽,例(li)如銅、鐵、汞(gong)鹽時,0Mo28Ni65Fe5 合金的耐(nai)蝕性(xing)要(yao)下(xia)降,而且酸(suan)的溫度越高越明顯。在10%鹽酸(suan)中,不(bu)同(tong)溫度所允許的FeCl3的濃(nong)度限為:室溫1290ppm; 65℃ 330ppm; 沸騰溫度26ppm.
③. 在氫氟酸中
在氫(qing)氟(fu)酸(suan)中進行有限的(de)(de)(de)試(shi)驗表(biao)明,0Mo28Ni65Fe5、Hastelloy B 合金可耐≤100℃,不(bu)含空氣的(de)(de)(de)HF酸(suan)的(de)(de)(de)腐(fu)蝕(shi)。但在恒沸(fei)點(dian)濃度(du)(du)(du)38%~40%HF、沸(fei)騰為115℃的(de)(de)(de)氫(qing)氟(fu)酸(suan)中會(hui)使(shi)0Mo28Ni65Fe5合金受到(dao)(dao)腐(fu)蝕(shi),結果見表(biao)3-4-10。高于(yu)恒沸(fei)點(dian)濃度(du)(du)(du)的(de)(de)(de)HF酸(suan),可通過無(wu)水HF溶于(yu)水而(er)得到(dao)(dao)。對于(yu)濃度(du)(du)(du)≥70%的(de)(de)(de)HF酸(suan),0Mo28Ni65Fe5、Hastelloy B 合金的(de)(de)(de)耐蝕(shi)性反而(er)較耐低濃度(du)(du)(du)HF酸(suan)的(de)(de)(de)性能要好。0Mo28N165Fe5合金在HF酸(suan)再生(sheng)條件下的(de)(de)(de)腐(fu)蝕(shi)情況見表(biao)3-4-11,顯然,此合金的(de)(de)(de)耐蝕(shi)性良好。

④. 在磷酸中(zhong)
0Mo28Ni65Fe5、Hastelloy B 合金耐H3PO4腐蝕,一些試驗結果見圖3-4-14及表3-4-12和表3-4-13.由圖表可知除充入空氣時和加壓高溫下,0Mo28Ni65Fe5耐蝕性稍有降低外,其耐H3OP4性能是良好的。但是,0Mo28Ni65Fe5 合金不耐濕法H3PO4的腐蝕,因為,酸中含有氫氟酸、氫氟硅酸、殘余的硫酸以及鐵鹽和鋁鹽,此種酸在本質上呈氧化性,使0Mo28Ni65Fe5合金的腐蝕速率可高達25mm/a以上。


⑤. 在醋酸中
在(zai)苛刻的(de)(de)腐(fu)蝕(shi)(shi)(shi)條件下,即在(zai)未(wei)充(chong)空氣的(de)(de)沸騰(teng)溫度下,在(zai)10%~50%濃度的(de)(de)醋(cu)酸(suan)中,0Mo28Ni65Fe5合(he)(he)金(jin)(jin)的(de)(de)腐(fu)蝕(shi)(shi)(shi)速率(lv)不(bu)(bu)超(chao)過0.125~0.150mm/a。當(dang)然,醋(cu)酸(suan)中有空氣存在(zai),同(tong)樣加(jia)(jia)速此合(he)(he)金(jin)(jin)的(de)(de)腐(fu)蝕(shi)(shi)(shi)。但是在(zai)純的(de)(de)高(gao)濃度醋(cu)酸(suan)或者冰醋(cu)酸(suan)中,充(chong)人空氣對0Mo28Ni65Fe5 合(he)(he)金(jin)(jin)的(de)(de)耐(nai)蝕(shi)(shi)(shi)性(xing)(xing)影(ying)響則很小。向醋(cu)酸(suan)中加(jia)(jia)入NaCl時,將有少量(liang)HC1酸(suan)形成。雖然稍提高(gao)0Mo28Ni65Fe5合(he)(he)金(jin)(jin)的(de)(de)腐(fu)蝕(shi)(shi)(shi)速率(lv),但由于0Mo28Ni65Fe5合(he)(he)金(jin)(jin)的(de)(de)耐(nai)鹽酸(suan)性(xing)(xing)能良好,故(gu)影(ying)響并(bing)不(bu)(bu)顯著。表3-4-14系(xi)0Mo28Ni65Fe5 合(he)(he)金(jin)(jin)在(zai)醋(cu)酸(suan)中的(de)(de)耐(nai)蝕(shi)(shi)(shi)性(xing)(xing)。

⑥. 在甲(jia)酸中
此種算(suan)對(dui) 0Mo28Ni65Fe5、Hastelloy B 合金的腐蝕較醋(cu)酸嚴重。通入空(kong)氣和酸中有(you)氧(yang)化劑存在同樣(yang)加(jia)速 0Mo28Ni65Fe5、Hastelloy B 合金的腐蝕。在甲酸中的試驗結果見(jian)圖3-4-15。在其他有(you)機酸中:試驗結果見(jian)表 3-4-15。

⑦. 在堿和(he)鹽中
試驗表明,0Mo28Ni65Fe5、Hastelloy B 合金在濃度≤70%NaOH、溫度≤120℃條件下,其腐蝕速率僅為0.050mm/a;在沸點為165℃的60%NaOH和沸點為191℃的70%NaOH中,其腐蝕速率≤0.50mm/a;在100~180℃,濃度為60%的Na2S溶液中,腐蝕速率為0.55mm/a。
在(zai)(zai)一(yi)些中(zhong)性(xing)(xing)和堿(jian)性(xing)(xing)非氧化(hua)(hua)性(xing)(xing)鹽(yan)(yan)中(zhong),0Mo28Ni65Fe5 合金的耐(nai)蝕(shi)性(xing)(xing)良好。在(zai)(zai)非氧化(hua)(hua)性(xing)(xing)酸(suan)(suan)性(xing)(xing)鹽(yan)(yan)中(zhong)(氯化(hua)(hua)物、硫(liu)酸(suan)(suan)鹽(yan)(yan)和氟化(hua)(hua)物鹽(yan)(yan))的試驗結(jie)果見表3-4-16,顯(xian)然,0Mo28Ni65Fe5 合金也是耐(nai)蝕(shi)的。但是,在(zai)(zai)氧化(hua)(hua)性(xing)(xing)酸(suan)(suan)性(xing)(xing)鹽(yan)(yan)中(zhong),例如氯化(hua)(hua)鐵(tie)、氯化(hua)(hua)銅、硫(liu)酸(suan)(suan)鐵(tie)、硫(liu)酸(suan)(suan)銅等溶液中(zhong),0Mo28Ni65Fe5僅在(zai)(zai)非常稀(xi)的溶液中(zhong)才耐(nai)蝕(shi);濃度稍高,便(bian)會受(shou)到嚴(yan)重腐(fu)蝕(shi),一(yi)些試驗結(jie)果見表3-4-17。

⑧. 在鹵素(su)元素(su)及其氫化物氣體中
氟、氯、溴等(deng)鹵素元素中(zhong),在(zai)氯化氫、氟化氫等(deng)高溫氣(qi)體中(zhong),0Mo28Ni65Fe5合金(jin)的試驗結果見表(biao)(biao)3-4-18和(he)圖3-4-16。由表(biao)(biao)可知(zhi),在(zai)干氯、干溴和(he)高溫碘氣(qi)體中(zhong),0Mo28Ni65Fe5合金(jin)是極耐蝕(shi)(shi)的,但在(zai)濕態下則(ze)腐蝕(shi)(shi)嚴重(zhong),不能選用。試驗表(biao)(biao)明(ming),在(zai)CCl4 和(he) CoCl2 高溫氣(qi)體中(zhong),0Mo28Ni65Fe5、Hastelloy B 合金(jin)的耐蝕(shi)(shi)性相(xiang)對(dui)好,而(er)且即使介質中(zhong)含有(you)水分,此合金(jin)也同樣(yang)耐腐蝕(shi)(shi),見表(biao)(biao) 3-4-19。

0Mo28Ni65Fe5、Hastelloy B 合金(jin)(jin)(jin)由于鉬含量(liang)高,且鉬的(de)(de)氟(fu)化(hua)物易揮發,因此在(zai)(zai)高溫氟(fu)氣中(zhong),0Mo28Ni65Fe5是(shi)不耐蝕(shi)(shi)的(de)(de)。例如,在(zai)(zai)600℃,氟(fu)氣流量(liang)為(wei)75~100ml/min條件下,0Mo28Ni65Fe5合金(jin)(jin)(jin)厚(hou)0.95mm的(de)(de)試(shi)樣,經(jing)95h試(shi)驗后受到了嚴重腐蝕(shi)(shi)。然而,在(zai)(zai)高溫HF氣中(zhong),0Mo28Ni65Fe5合金(jin)(jin)(jin)則(ze)是(shi)耐蝕(shi)(shi)的(de)(de)(在(zai)(zai)500~600℃ HF氣中(zhong),經(jing)36小時試(shi)驗,其腐蝕(shi)(shi)速率僅為(wei)0.050mm/a).
⑨. 在(zai)氧(空氣)、硫、氣體(ti)中
由于0Mo28Ni65Fe5、Hastelloy B 合金不含鉻,而且鉬的氧化膜(例如,在此合金表面形成NiMoO4)在750℃條件下極易脫落。因而,0Mo28Ni65Fe5的高溫抗氧化性很差,也由于此合金不含鉻且鎳含量高,因而在含硫和硫化物的高溫氣體中耐蝕性不良。
2. 晶(jing)間腐蝕
0Mo28Ni65Fe5、Hastelloy B 合金雖然固溶態耐蝕(shi),特別(bie)是(shi)耐鹽(yan)酸、硫(liu)酸等的性能很好(hao),但是(shi)一旦經過(guo)(guo)焊接,再在鹽(yan)酸、硫(liu)酸中(zhong)使(shi)(shi)用,則(ze)在焊縫處易出現刀(dao)口腐(fu)(fu)蝕(shi),在熱影響區(qu)(qu)(qu)出現晶(jing)間腐(fu)(fu)蝕(shi)。圖(tu)3-4-17 和(he)圖(tu)3-4-18 系(xi)一些試(shi)(shi)驗(yan)結果(guo)。由圖(tu)可知,0Mo28Ni65Fe5 合金有兩個敏(min)(min)(min)化區(qu)(qu)(qu):1200~1300℃的高溫敏(min)(min)(min)化區(qu)(qu)(qu)和(he)600~900℃的中(zhong)溫敏(min)(min)(min)化區(qu)(qu)(qu)。經過(guo)(guo)兩個敏(min)(min)(min)化區(qu)(qu)(qu)時,0Mo28Ni65Fe5合金產生晶(jing)間腐(fu)(fu)蝕(shi),不僅(jin)使(shi)(shi)耐蝕(shi)性顯著下降(jiang),而(er)且(qie)還伴隨有硬度增(zeng)加。0Mo28Ni65Fe5合金的晶(jing)間腐(fu)(fu)蝕(shi)不同于(yu)一般的奧氏體不銹鋼,即使(shi)(shi)是(shi)固溶處理(li)且(qie)迅速(su)冷卻也無法(fa)防止(zhi)它的產生。表(biao)3-4-20系(xi)一些試(shi)(shi)驗(yan)結果(guo)。

研究表明,0Mo28Ni65Fe5 合金的晶間腐蝕與合金中析出相的成分、結構之間有著密切的關系。在≥1250℃高溫區,合金中的析出相有含量較高的M6C、M2C等碳化物以及。相:在550~900℃的中溫區,則有Ni-Mo金屬間相(高于850℃ 為Ni3Mo型,較低溫度則為Ni4Mo型)和M6C、M2C等碳化物。這些金屬間相和碳化物均含有較高的鉬,它們沿晶界的沉淀可引起鋁的嚴重貧化,從而導致0Mo28Ni65Fe5、Hastelloy B 合金的晶間腐蝕。同時,由于析出相的強化作用,合金的強度、硬度亦有所提高。

為(wei)了解決0Mo28Ni65Fe5合(he)(he)金的(de)晶間腐蝕問(wen)題,曾研制出超低(di)碳和低(di)硅、低(di)鐵(tie)的(de)新(xin)合(he)(he)金 00Mo28Ni68 和 含釩(1.4%~2.2%)的(de)新(xin)合(he)(he)金 00Mo28Ni68V (Corronel 220,am814).除(chu)00Mo28Ni68(Hastelloy B2)獲得大量應(ying)用外,前述1990年以來控制或調整合(he)(he)金中鐵(tie)、鉻量而開發的(de) Hastelloy B3、B4和B10等引起了人們的(de)廣(guang)泛關注。
三、力(li)學性能
0Mo28Ni65Fe5 合金的(de)室溫和(he)高溫瞬時力學性能見表3-4-21和(he)表3-4-22。

四、物理性能(neng)
此合金物理常數見表3-4-23。0Mo28Ni65Fc5合金除(chu)作為(wei)耐(nai)蝕材(cai)料外,還可作為(wei)電子(zi)管陰極材(cai)料,它具有中等激活(huo)性能(neng)和較高的(de)發射能(neng)力。

五、焊接性(xing)能
0Mo28Ni65Fe5、Hastelloy B 合金可焊(han)(han)性(xing)好,與(yu)一般(ban)奧(ao)氏體不銹鋼相近,可以采用(yong)(yong)工業上通用(yong)(yong)的(de)(de)(de)方法(fa),例如TIG、MIG、手工電(dian)弧焊(han)(han)、電(dian)阻焊(han)(han)等進行焊(han)(han)接(jie)。但(dan)是能夠導致焊(han)(han)接(jie)過程(cheng)中(zhong)增(zeng)碳的(de)(de)(de)焊(han)(han)接(jie)方法(fa)則不宜采用(yong)(yong)。焊(han)(han)接(jie)用(yong)(yong)的(de)(de)(de)填絲其成分可與(yu)母材相同。由(you)于此(ci)合金熱膨脹系數、電(dian)阻溫(wen)度系數較(jiao)普(pu)(pu)通碳鋼低,且導熱系數僅為普(pu)(pu)通碳鋼的(de)(de)(de)1/4,因此(ci),當與(yu)碳鋼進行異材焊(han)(han)接(jie)時要予(yu)以考慮。
六(liu)、冷熱加工及成型(xing)性能
0Mo28Ni65Fe5 系(xi)(xi)變(bian)形(xing)合(he)(he)金(jin)(jin),有(you)(you)較好(hao)的(de)(de)冷(leng)(leng)(leng)熱(re)加(jia)工(gong)和成(cheng)型(xing)性(xing)能。此(ci)合(he)(he)金(jin)(jin)的(de)(de)熱(re)加(jia)工(gong)以(yi)(yi)1000~1200℃為宜。經固(gu)溶處理后(hou),0Mo28Ni65Fe5合(he)(he)金(jin)(jin)具(ju)有(you)(you)良好(hao)的(de)(de)冷(leng)(leng)(leng)加(jia)工(gong)塑性(xing)和冷(leng)(leng)(leng)成(cheng)型(xing)性(xing)。當進行冷(leng)(leng)(leng)軋(ya)時(shi),每個(ge)冷(leng)(leng)(leng)軋(ya)過程總壓下(xia)量可高達80%。隨冷(leng)(leng)(leng)軋(ya)變(bian)形(xing)量的(de)(de)增加(jia),此(ci)合(he)(he)金(jin)(jin)的(de)(de)硬(ying)度增加(jia),它們之間的(de)(de)關系(xi)(xi)見圖(tu)3-4-19。此(ci)合(he)(he)金(jin)(jin)的(de)(de)冷(leng)(leng)(leng)成(cheng)型(xing)較一般Cr-Ni奧氏體不銹鋼需(xu)更多次的(de)(de)中間退火(huo),以(yi)(yi)使此(ci)合(he)(he)金(jin)(jin)的(de)(de)塑性(xing)得(de)以(yi)(yi)回復。冷(leng)(leng)(leng)成(cheng)型(xing)后(hou)均需(xu)要熱(re)處理。

七(qi)、熱處理工藝
無論(lun)是變(bian)形材(cai)還是鑄件(jian),對于0Mo28Ni65Fe5合金(jin)的使用狀態(tai)(tai)一(yi)般是固(gu)溶態(tai)(tai)。因為此時合金(jin)具有最佳的耐蝕(shi)性(xing)(xing)、強韌性(xing)(xing)的良好配合。當然,冷(leng)(leng)(leng)加工或(huo)冷(leng)(leng)(leng)成(cheng)型的中(zhong)(zhong)間(jian)退(tui)火也可(ke)(ke)在(zai)低于固(gu)溶溫(wen)(wen)度(du)(du)下(xia)進(jin)行(xing)(xing),一(yi)般0Mo28Ni65Fe5合金(jin)適宜的固(gu)溶處(chu)理(li)溫(wen)(wen)度(du)(du)為1150~1170℃,加熱保溫(wen)(wen)后(hou)進(jin)行(xing)(xing)快(kuai)冷(leng)(leng)(leng)(水冷(leng)(leng)(leng)或(huo)快(kuai)速空冷(leng)(leng)(leng));中(zhong)(zhong)間(jian)退(tui)火溫(wen)(wen)度(du)(du)可(ke)(ke)在(zai)1000~1100℃下(xia)進(jin)行(xing)(xing)。此合金(jin)的再結晶溫(wen)(wen)度(du)(du)為950~1100℃。圖3-4-20系0Mo28Ni65Fe5合金(jin)的冷(leng)(leng)(leng)軋變(bian)形量、硬度(du)(du)和中(zhong)(zhong)間(jian)退(tui)火溫(wen)(wen)度(du)(du)的關(guan)系。圖3-4-21系此合金(jin)退(tui)火溫(wen)(wen)度(du)(du)和硬度(du)(du)的關(guan)系。為了保證此合金(jin)焊(han)后(hou)在(zai)鹽酸、硫酸等苛刻介質中(zhong)(zhong)的耐蝕(shi)性(xing)(xing),建議焊(han)后(hou)再進(jin)行(xing)(xing)一(yi)次(ci)固(gu)溶處(chu)理(li)。

八、應(ying)用
0Mo28Ni65Fe5、Hastelloy B 合金可(ke)生產板材(cai)(cai)、管(guan)(guan)材(cai)(cai)(焊管(guan)(guan))、絲材(cai)(cai)、帶材(cai)(cai)、鍛件和鑄件。主要用(yong)途是耐(nai)鹽酸腐蝕。同時,耐(nai)濕HC1氣體,耐(nai)硫酸、磷酸的(de)性能也是很好(hao)的(de)。因此,0Mo28Ni65Fe5 合金多用(yong)于制造(zao)耐(nai)上述介質的(de)容器及其襯里、管(guan)(guan)道、塔槽、泵(beng)、閥等。此外,0Mo28Ni65Fe5 合金的(de)超薄帶和極細絲制造(zao)電(dian)子管(guan)(guan)的(de)陰極材(cai)(cai)料也取得滿意結果(guo)。
