Cr18Ni13Mo3不銹鋼用作(zuo)外科植入物的制造,表面(mian)經(jing)久久99國產精品久久99果凍傳媒:機械拋光、久久99國產精品久久99果凍傳媒:電化學拋光、久久99國產精品久久99果凍傳媒:化學鈍化,工藝還不夠完善,特別是鈍(dun)化工藝,行業內的(de)差(cha)距(ju)很大。為此,齊寶芬對外科植入物不銹(xiu)鋼(gang)產品的(de)鈍(dun)化條件進行了(le)實驗探索,得出一(yi)些實際使用的(de)結果(guo)。
1. 鈍化液的選擇
試(shi)樣材料為Cr18Ni13Mo3、Cr18Ni14Mo3、Cr18Ni15Mo3等制作(zuo)的(de)(de)(de)骨連(lian)接(jie)用接(jie)骨板(ban)、接(jie)骨螺釘及髓內(nei)釘(梅(mei)花(hua)針)。實驗鈍(dun)化(hua)(hua)液的(de)(de)(de)兩(liang)種配(pei)方見(jian)表(biao)6-2,表(biao)6-2列出不銹(xiu)鋼(gang)產(chan)品(pin)30℃鈍(dun)化(hua)(hua)后的(de)(de)(de)表(biao)面(mian)點蝕電位(wei)(mV),試(shi)樣經機械(xie)拋光(guang)(800#砂紙(zhi)+布拋光(guang))、清洗、干(gan)燥后分(fen)別放入(ru)兩(liang)類鈍(dun)化(hua)(hua)液中,鈍(dun)化(hua)(hua)后測定不銹(xiu)鋼(gang)的(de)(de)(de)耐腐蝕性(xing)能(neng)Eb值(zhi)(表(biao)面(mian)點蝕電位(wei))。如表(biao) 6-2 的(de)(de)(de)Eb值(zhi)所(suo)示,兩(liang)種鈍(dun)化(hua)(hua)液在相(xiang)同條件下(xia)鈍(dun)化(hua)(hua)的(de)(de)(de)樣品(pin)點蝕電位(wei)Eb值(zhi)都(dou)無明最(zui)差異。理(li)論(lun)上,目(mu)前對鈍(dun)化(hua)(hua)膜的(de)(de)(de)成膜機理(li)有多種解釋,其(qi)中之一(yi)是(shi)(shi)產(chan)品(pin)鈍(dun)化(hua)(hua)后表(biao)面(mian)為含(han)有鉻(ge)的(de)(de)(de)氧化(hua)(hua)膜,鉻(ge)的(de)(de)(de)存在對形成氧化(hua)(hua)膜起重要作(zuo)用。不銹(xiu)鋼(gang)產(chan)品(pin)含(han)鉻(ge)量為17%~20%,有是(shi)(shi)夠(gou)的(de)(de)(de)鉻(ge)參與成膜,故鈍(dun)化(hua)(hua)液中是(shi)(shi)否加入(ru)重鉻(ge)酸(suan)鉀(K2C2O3)對鈍(dun)化(hua)(hua)膜的(de)(de)(de)性(xing)能(neng)影響不大。目(mu)前英美等國對外科植入(ru)物不銹(xiu)鋼(gang)產(chan)品(pin)的(de)(de)(de)純(chun)化(hua)(hua)也都(dou)共同推薦硝酸(suan)水(shui)溶液的(de)(de)(de)鈍(dun)化(hua)(hua)配(pei)方。

2. 鈍化液溫度的選擇(ze)
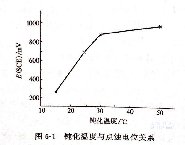
化學反應速率隨溫(wen)度的(de)(de)升高而加快。鈍化液中硝酸隨溫(wen)度的(de)(de)升高而揮(hui)發增(zeng)大。因此,基于實(shi)際可(ke)操(cao)作性為原(yuan)則,選擇溫(wen)度在(zai)50℃以下(xia)。實(shi)驗在(zai)硝酸20%,時間2小(xiao)時,不同的(de)(de)溫(wen)度鈍化后測出(chu)不銹(xiu)鋼的(de)(de)點(dian)蝕電位(wei)(wei)Eb,見圖6-1,從曲線可(ke)見,50℃時的(de)(de)點(dian)蝕電位(wei)(wei)最高,30℃時的(de)(de)點(dian)蝕電位(wei)(wei)稍(shao)低(di),30℃以下(xia)的(de)(de)點(dian)蝕電位(wei)(wei)急(ji)劇(ju)下(xia)降,30℃以下(xia)的(de)(de)溫(wen)度不可(ke)取,50℃時的(de)(de)產(chan)品(pin)耐蝕性最好。

3. 鈍化(hua)時間(jian)的(de)選擇
①. 實(shi)驗是在25%硝(xiao)酸(suan)+2.5%重鉻酸(suan)鉀的鈍化(hua)液中,溫度30℃時(shi)(shi),鈍化(hua)時(shi)(shi)間(jian)分(fen)別為2h、4h、6h、12h的條件下鈍化(hua)后,在0.9%氯化(hua)鈉(na)水(shui)溶液中于(37±1)℃電化(hua)學(xue)測試得樣品的點(dian)蝕電位,見圖(tu)6-2。
從圖6-2可(ke)見(jian),鈍(dun)化6小時(shi)的點蝕(shi)(shi)電(dian)(dian)位達到最(zui)高值,且平行(xing)試樣測試中的點蝕(shi)(shi)電(dian)(dian)位重(zhong)現性(xing)好(hao),產品耐蝕(shi)(shi)性(xing)能穩定。若鈍(dun)化時(shi)間過短(duan),如2小時(shi),則(ze)同批(pi)產品中鈍(dun)化性(xing)能質量不穩定,點蝕(shi)(shi)電(dian)(dian)位差(cha)異較(jiao)大。

②. 第二(er)個(ge)實(shi)驗是在20%硝(xiao)酸鈍(dun)化(hua)(hua)液中,鈍(dun)化(hua)(hua)溫(wen)度為50℃下(xia),選擇不(bu)同的時間(jian)鈍(dun)化(hua)(hua)后,其在相同的條件下(xia)測得的點蝕電位見(jian)圖6-3。
從(cong)圖6-3可見,在(zai)鈍(dun)化(hua)溫度50℃,鈍(dun)化(hua)時間以30~60分(fen)鐘時的(de)點蝕電位高且穩(wen)定,鈍(dun)化(hua)性能(neng)好。
4. 外(wai)科植入不(bu)銹鋼產品鈍化(hua)工藝
鈍化液(ye)應選用 20%~30%硝(xiao)酸溶液(ye),溫(wen)度(du)50℃時(shi)鈍化時(shi)間為(wei) 30~60分鐘,溫(wen)度(du)30℃時(shi)鈍化時(shi)間為(wei)6小時(shi)。

