
沉(chen)淀硬(ying)化(hua)不銹(xiu)鋼(gang)(gang)是(shi)一(yi)類(lei)含(han)沉(chen)淀硬(ying)化(hua)元素(Cu、Al、Ti、Nb)的(de)鐵(tie)鉻鎳合(he)金(jin),可以通過熱處理強化(hua),此類(lei)鋼(gang)(gang)具有高(gao)強度、足夠的(de)韌性和適宜的(de)耐蝕性。主要(yao)應用于(yu)宇航工業(ye)和一(yi)些高(gao)技術產(chan)業(ye)。 沉(chen)淀硬(ying)化(hua)不銹(xiu)鋼(gang)(gang)可區分為(wei)馬氏(shi)體(ti)、半奧(ao)(ao)氏(shi)體(ti)和奧(ao)(ao)氏(shi)體(ti)沉(chen)淀硬(ying)化(hua)不銹(xiu)鋼(gang)(gang)三種主要(yao)類(lei)型,近年來(lai)(lai)又出現了鐵(tie)素體(ti)沉(chen)淀硬(ying)化(hua)不銹(xiu)鋼(gang)(gang)。在馬氏(shi)體(ti)沉(chen)淀不銹(xiu)鋼(gang)(gang)中,基(ji)于(yu)馬氏(shi)體(ti)時(shi)效鋼(gang)(gang)的(de)經驗,近年來(lai)(lai)出現了馬氏(shi)體(ti)時(shi)效不銹(xiu)鋼(gang)(gang),與前者(zhe)比較(jiao),后者(zhe)碳(tan)含(han)量較(jiao)低,其強化(hua)手(shou)段主要(yao)是(shi)靠金(jin)屬間化(hua)合(he)物析出,且熱處理簡單。
07Cr17Ni7Al、17-7PH 不銹鋼(gang)是一(yi)種半(ban)奧氏(shi)體久久99國產精品久久99果凍傳媒:沉淀硬化不銹鋼。此(ci)鋼(gang)(gang)具(ju)有良(liang)好冶金和制(zhi)造加(jia)工工藝性能。由(you)于鋼(gang)(gang)的(de)成分接近(jin)于18-8型久久99國產精品久久99果凍傳媒:奧氏體不銹鋼,因此在(zai)固溶(rong)狀態下仍保留(liu)奧氏體(ti)組(zu)織(zhi),便于(yu)加工成形,此時的(de)組(zu)織(zhi)處于(yu)亞穩(wen)定(ding)狀態,隨后經調整處理(li)和(he)(he)時效可(ke)獲得所需強(qiang)度和(he)(he)韌性(xing),其強(qiang)度水平可(ke)達1600MPa。鋼中含(han)(han)有(you)17%Cr并含(han)(han)有(you)大量的(de)Ni,使(shi)其具有(you)足夠的(de)耐蝕性(xing)和(he)(he)不(bu)銹性(xing),大體(ti)上相當和(he)(he)接近于(yu)18-8型久久99國產精品久久99果凍傳媒:不銹鋼的(de)(de)水平。(0Cr17Ni7Al) 17-7PH 不(bu)銹鋼可用于(yu)350℃以下長期工作(zuo)的(de)(de)不(bu)銹鋼結構件、容器、管道(dao)、彈簧、膜片等(deng)。鑒于(yu)該(gai)鋼熱處理工藝復雜,在全世(shi)界范圍內有被(bei)馬氏體時效不(bu)銹鋼取代的(de)(de)趨勢(shi),但目前仍具有廣泛(fan)應用的(de)(de)領(ling)域(yu)。
舊國標:0Cr17Ni7Al 新(xin)國標:07Cr17Ni7Al 美(mei)標(biao):S17700、631、17-7PH
一、化(hua)學(xue)成分
07Cr17Ni7Al、17-7PH 不銹鋼的化學(xue)成分見表5-66。

二(er)、室(shi)溫(wen)力學性能
不同標準所規定(ding)的 07Cr17Ni7Al、17-7PH 不銹鋼的室溫力(li)學性能標準見(jian)表5-67。

07Cr17Ni7Al、17-7PH 不銹鋼的室(shi)溫(wen)力(li)學性能見(jian)表 5-68,熱(re)處理制度對(dui)其室(shi)溫(wen)力(li)學性能的影(ying)響見(jian)圖 5-15至5-18 。


三、疲勞和斷(duan)裂韌性
07Cr17Ni7Al、17-7PH 不銹鋼的疲勞性能見表5-69。斷裂韌性和應力腐蝕門檻值(zhi)見表5-70。

四、高溫力學性能
07Cr17Ni7Al、17-7PH 不(bu)銹鋼高溫瞬時拉伸性能見表 5-71 。

鋼(gang)的持久強(qiang)度(du)和蠕變強(qiang)度(du)見表 5-72 。

五、低溫(wen)力學性能
07Cr17Ni7Al、17-7PH 不銹鋼的(de)低溫沖擊和(he)拉伸性能見圖5-19和(he)圖5-20。

六、耐蝕性
07Cr17Ni7Al、17-7PH 不(bu)銹鋼(gang)的耐(nai)蝕(shi)性介于18-8鋼(gang)和(he)馬(ma)氏體不(bu)銹鋼(gang)之間,一些(xie)耐(nai)蝕(shi)性數據(ju)見(jian)表(biao)5-73,耐(nai)應力腐蝕(shi)性能見(jian)表(biao)5-70。

七、工藝性(xing)能
a. 熱加工
最高(gao)(gao)加(jia)熱(re)(re)溫(wen)度1150℃,鋼(gang)坯或鋼(gang)錠裝爐溫(wen)度不應高(gao)(gao)于600℃,開始熱(re)(re)加(jia)工溫(wen)度1100℃,終(zhong)加(jia)工溫(wen)度≥950℃,冷(leng)卻方式為(wei)空(kong)冷(leng)。
b. 冷加工
07Cr17Ni7Al、17-7PH 不銹鋼(gang)的加工硬化傾(qing)向較大,在冷軋、冷拉拔或沖壓時,宜采用少道(dao)次大變(bian)形量并(bing)增加固溶處理(li)道(dao)次。
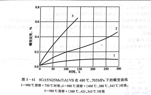
c. 熱處理
此(ci)鋼(gang)熱處理工(gong)(gong)藝較復雜,可參(can)照圖5-41執行。根據實際需求,可靈活選擇(ze)熱處理工(gong)(gong)藝,以(yi)達到對強度和韌性的(de)要求。

對于薄壁零件(jian),如殼體(ti)、筒體(ti)等(deng)宜采用TH1050工藝(yi),因為(wei)這種工藝(yi)不需要(yao)將已成形的(de)零部(bu)件(jian)進行(xing)高溫調整處理,從而避(bi)免了(le)部(bu)件(jian)的(de)氧化(hua)和變形。
對(dui)于棒材宜選用RH950工藝,使其可(ke)獲得強度(du)和韌性的最佳配合。
彈性(xing)元件采用CH900為宜,此工(gong)藝比較簡單(dan),利用冷拔(ba)或冷扎產品進行成形(xing)加工(gong),而后(hou)進行低溫時效,即可獲得滿意的產品性(xing)能水(shui)平。
為了降(jiang)低(di)(di)缺口敏感性和改善鋼(gang)的耐應(ying)力腐蝕性能(neng),可(ke)采(cai)用(yong)過(guo)時效處(chu)理工藝,盡管強度水(shui)平有所降(jiang)低(di)(di),但綜合(he)性能(neng)得到提高。
d. 焊(han)接
07Cr17Ni7Al、17-7PH 不銹鋼(gang)(gang)(gang)可(ke)(ke)進行(xing)電弧(hu)焊(han)或電阻(zu)焊(han),惰性(xing)氣體(ti)保護焊(han)是最佳(jia)工(gong)藝方法,可(ke)(ke)避(bi)免氧化和減少鋁的(de)燒損,以利提高接頭效(xiao)率(lv)。該鋼(gang)(gang)(gang)通常在固(gu)溶狀態下(xia)焊(han)接,焊(han)前不必預熱,但(dan)焊(han)后最好固(gu)溶處理,而后按實際需求進行(xing)處理。焊(han)縫強度可(ke)(ke)達到基體(ti)強度的(de)94%~100%(見表(biao)5-74),充(chong)填金屬同母材。此鋼(gang)(gang)(gang)亦可(ke)(ke)進行(xing)釬(han)焊(han),焊(han)料為銀一鋰,在900~940℃氬氣下(xia)進行(xing)焊(han)接,焊(han)后進行(xing)時效(xiao)處理。

八(ba)、物理性(xing)能(neng)
07Cr17Ni7Al、17-7PH 不銹(xiu)鋼的物理(li)性(xing)能見表 5-75 。

九、應用
在(zai)(zai)航空(kong)工業(ye)中用于(yu)中溫承力件,發動機(ji)反推裝置構件,閥(fa)膜(mo)及不銹彈性(xing)元件。此外在(zai)(zai)國外廣泛應用航空(kong)薄壁結(jie)(jie)構件、各種容器、導管、閥(fa)膜(mo)、船(chuan)軸(zhou)及壓氣機(ji)盤。在(zai)(zai)其他(ta)領(ling)域主要用于(yu)不銹、耐蝕高強度結(jie)(jie)構件,容器,軸(zhou)類,彈簧等。
